EasyManua.ls Logo

Wazer Pro - Page 28

Default Icon
76 pages
Print Icon
To Next Page IconTo Next Page
To Next Page IconTo Next Page
To Previous Page IconTo Previous Page
To Previous Page IconTo Previous Page
Loading...
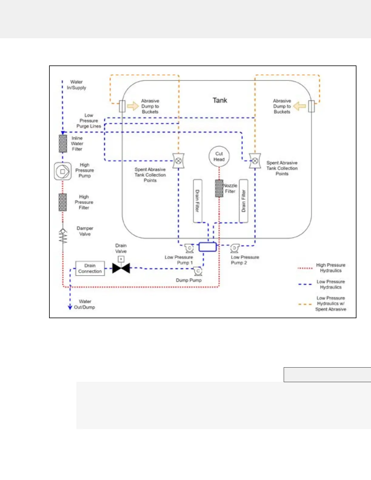
Low Pressure System and Tank Overview Diagram
The above illustration shows the components of the Low-Pressure System and direction of
water flow and used abrasive.
Reference Note 10
22