EasyManua.ls Logo

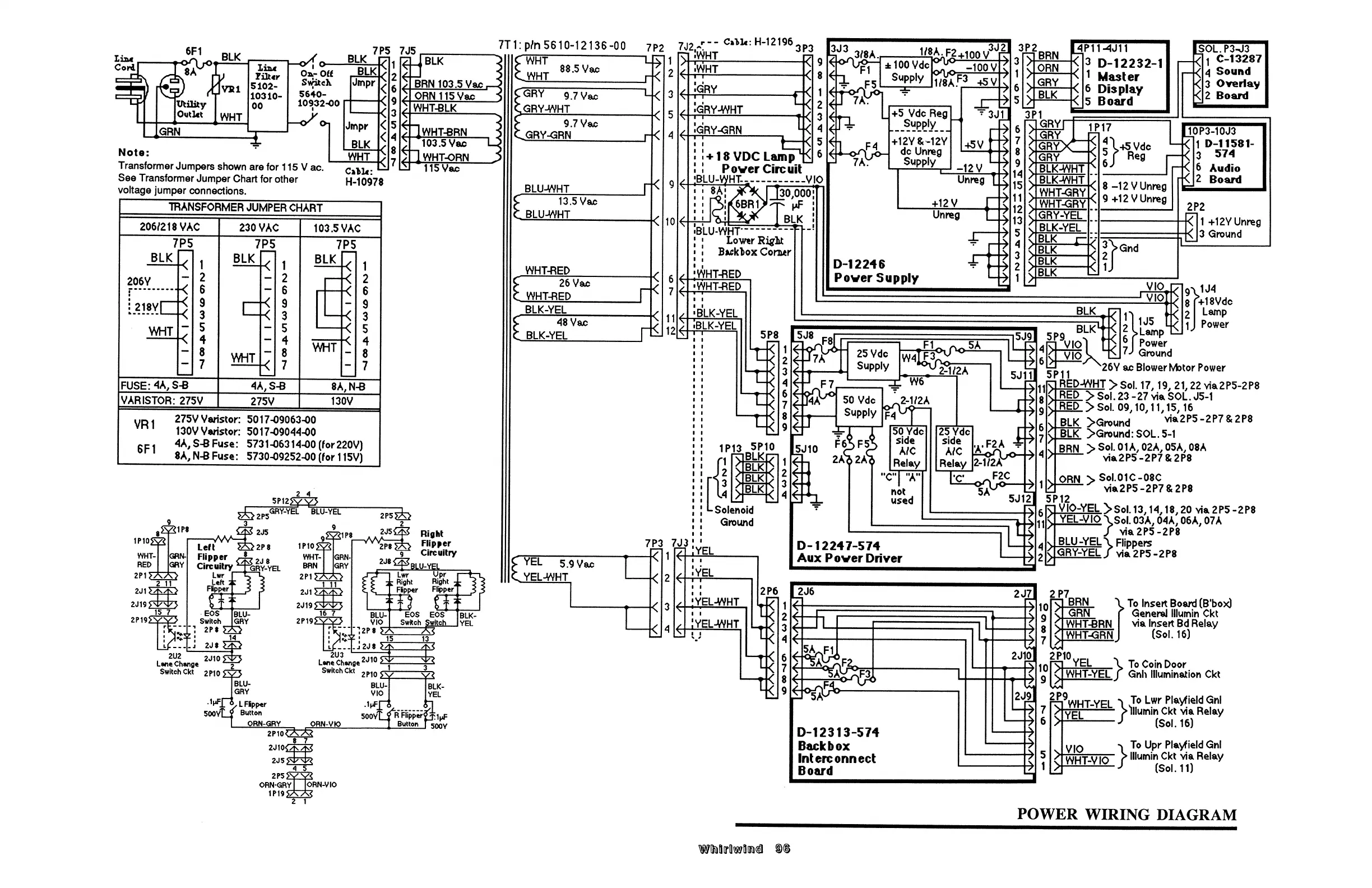
Williams Electronics WHIRLWIND - Power Wiring Diagram

Williams Electronics WHIRLWIND
106 pages
Print Icon
To Next Page IconTo Next Page
To Next Page IconTo Next Page
To Previous Page IconTo Previous Page
To Previous Page IconTo Previous Page
Loading...
ELK
":5
N5
7T1:pm
5510-12135-00
75_2_
Z;J2:G:."|:n'_C‘u"‘H'121963P3
A
39:28
4911-4411
on,_.,_____o“
Bud,
éwm
885W
19
42
3
WHT
:
9
:h100Vdc
3
<
0:33
§
3
D-12232-1
Sufilch
Jmpr
2
5540'
S
6
GRY
9
7V
I<
3
10932-00
9
'
°‘°
‘I
L
7
\
31-K
/
.
-
(
2
-
5
x
\
5
Board
C)’
I
3
GRYWHT
S
<
:G.RY'wHT
-
I
3
+5
Vdc
Reg
3p1
"
.
BLK
,
:1
<
5
+12v&»-12v
7
>
F"
/
4
Note:
WHT
8
.
.
_<
6
do
Unmg
+5V
8
GPKY
2
5
-I5Vdc
“<
1
D-11531-
TransformerJumpers
shown
are
for115Vac.
:7
1
1"-I8
VDC
L-am“
"‘
9
S-GEN
6
Reg
<
3
574
See
Transformer
Jumper
Chart
for
other
voltage
jumper
connections.
BLU-WHT
['<
9
<
i
J
3,5,3
-='""_-fggaéo.
15
\
rift-J_gEY
/
3
"12VU""99
<
2
Board
TRANSFORMER
JUMPER
CHART
BLUJM‘+3T-5
V”
5
1
:
6BR1
L1:
5
1;
>
wr"-GFY
<
9
+‘2VUnre9
2P2
206I218VAC
230
we
1035VAC
*0
<
1
5
0
'
-
3”‘
5
13
:G'”'YEL
<
1+12VUnreQ
7P5
7P5
'7P5
'BLU'w1'’'T'm1§7
"
5
>
§U<<'YEL
<
3
Gmund
_
I
1
-0“?
13
4
\
-
:7
3
1
205V
_'<'
g
'
§
§
3
25
Va;
g
6
<
E
""""
:218V|:'<
9
L-_<
9
9
3LT;RE':;_D
1-
\
::
‘V0
38
+13%,
- -
.
-
--
-<-
3
-<
3
§
3
-
——-—-<
4
..
4
__<
4
BLK-YEL
I"
_\_
,
;
598
5.13
F8
5J9
5199
I-amp
3
_
8
WHT
_
u
7
_=1
SA
L
\
"
V0
5
Power
WHT
8
I
u
1
Q‘
P‘
25v
..
<>\f‘<>
4
,
7
-7
——<
7
-
7
--
<2<—7A
51°
W44
\6\
V0
G'‘’""‘‘
——
-—
.4
I
I
-
(
3
(
-
"PPV
A
_
2.1;“
-5
Z6YacB|0werM0t0r
Power
:4A
s-3
..
I_
_1
-
-
s.n‘_1‘]
SP11
FUSE
.
4A,S-B
8A,N-B
;;
_
S
VARISTOR:
275v
275v
130v
:
:
I_<
7
€_TAU°
so
we
2.1,“
1.9
3
>§E_2_>soI.z3-27
vie
SOL.-J5-1
Vm
275VVan'stor:
5017-0906300
2:
A
8
<
~
3"PP'Y
F4Ui
'
>
9)
E)
>S°|'°9’10’“'1'5'z»1u§s
297
130v
Va stor:
5017-0904400
'
'
<
9
<-J
.1.
.
_)
6
\
3.4
>Gr0und
‘"8
-
&2P8
'
'
-
2
5°Vd°
25Vd<=
1‘
3
<
>Gn0u
d'SOL
51
SF‘
4A,S-BFuse:
5731-06314-O0(for220V)
;;
Sm
F‘
F-6
F5
side
side
F“
.5
>7>
'
"
-
-
'
8A,N-B
Fuse:
5730-09252-O0(for115V)
:
:
1913
Bx
I
5.110
NC
NC
‘A’
'
\
4
>——‘’’*”
>3"-"°‘*'°2*'°5*'°°*
_
|
;
B_<
I
1
1
\
u
n
n
u
.
'
k
:.
3
3_<,
4|
C
A
lc
on
C
onn
So|.01C-08C
Sm
2
4
,g[
4
>B-<,
zgl
L
nltd
SA
5J12)15ZPp
>
yia2P5-2P7&2P8
'
'
_
-A
_
use
.
9
£3
zps“'**'*EL
'3L”"’EL
zpszg
8
1p:
Us
9
N5
_
.
.
"01-Ind
L
)11>__=___
S0|.03A,
04A,O6A,
0'/A
"”
Lef{ 2P8
mo
°
1”
2P0
"3|'i1>hrter
7P3
.703“
D
122
L9
BLU
YEL
FT'ia2P5'2P8
-
-
0
_
c-
1
r-
F-‘
IYEL
‘17‘57‘1
4
>-—‘-—
.'PP°'5
$101
2"
4
..
E1’;
2:
2“
.
YELJNHT
/
2
I
:‘’.E'-
2.nL/‘R/Q
"PP"
2.111/J1
1
\
\
'
'
2P6
ZJ6
P
g
E
2:
:
'
2_7
2m2\1;\'.r/5
.503
3LU_
2‘”9§?§\-I
(
3
(
:Y;EL'wHT
Q.
1
10
>
BRN
To
Insert
B0am_d(B'b0x]
291987‘
____
Switch
any
zmax
0.0
5,,”
,c
YEL
,
<
2
9
\
G
‘I
Generellllumm
Ckt
-'
.,
'-
ZPOEZQ
.'
""12Ps
/
4
/
IYELJNHT
(
3
W-'”’-BIRIV
via
Insert
BdRelay
i
_‘_*__j
M
“‘
it
_'~‘?__J:mL}5
y;
5-‘
'~«'
<
4
-8,
(
W~"-GRN|_
(S0|.16)
Lentcjtzhmge
N10
2
Lu1%:ange2"1°z\:’
Y‘
'<
6
E10
_
Switchckt
2910
Switchckt
mo
~
(
7
10
>
E
lC?l'|"
D.°°".
Ck
QLU-
BLU_
ELK-
t’
8
9
>_____''_____
H}
UMIHGIIOH
I
GR
um
"*“‘
tzivw
.130
Ya
'<"
9
?L’9w,_,T
YEL
To
Lwr
Pleyfield
Gnl
B
R
---.----
\
'
.
.
500»/‘Ijf
uogg-Gm
omwo
5oov[{:‘RB:I;f:ner?’;;:g°,$
g
I
YEL
}‘ll|urnIr(uSC°k't
rs
Relay
"'°
,
-.
D-12313-574
'
2~"°£/M
Backbox
\
W0
To
Upr
Pleyfield
Gnl
N5
2"
1’?
Int
erc
onn
ect
5
_
lllumin
Ckt
via
Relay
4
\
2
Board
1
_/d
(So|.11)
ORN-GRY
ORN-V
IO
W19
2
1
POWER
WIRING
DIAGRAM
W nnwtlw mcél
©@

Table of Contents