EasyManua.ls Logo

Williams Electronics WHIRLWIND - Schematic Sheet 1

Williams Electronics WHIRLWIND
106 pages
Print Icon
To Next Page IconTo Next Page
To Next Page IconTo Next Page
To Previous Page IconTo Previous Page
To Previous Page IconTo Previous Page
Loading...
DESCRIPTION
OF
CHANGE
+V
FILTERED
484
55.5
cove‘
2c4
lJt8-I
KEY
5.55
co:/£6‘
5»/iir
-
K
354
2/x/4403
Ill.’-_'%
N-C-
I
5
813
C
‘A
2
-5
W
-
r
5
2
A5
.522
A
‘H35’
N_C_
re-6
A/A5
.s,é'2._5-
(‘.32
.o/
D
-12-???
470
F.
4'/Z
.304-
C
28
R63
R63
+v
[N
-
-
.390
390
303
E>-—"°\
Q75
Wlo
\
__\’_..’
SRC8
4.7
0.7
1
{N0
rs
/)
SRC9
4.7
SRC7
4.7K
470
F3
71
7402
2N440/
078
R94
(/vo7'£/
)
5604
U
I
I
745244
Rtoa
SR2c>9
7K
1
IO
U
/3
7415
244
7402
2N440/
(077
Km
/V072-'/)
C68
C69
C76
5604
:1?
1.32::
1:470?‘
Q19
(A/072-'
/)
PIA
atoo
R137
484,204
470:2
Kgy
LED1
LED;
SOLE/\/0/D
Z/71
Powew
ON
_
BLANKINQ
HJI9-\)
FGE2
r
'
__
R54”
(
U'.9‘2>
F519?
R79
-
.
33"
-
-
ma
'
)9
NOTES
1
C58
-
-
~
I,
I)
SPEC/Al.
551.56’
750
7’/P
/22
MI
Q50
FOR
mu/A/1.5,
(P/M
5/62-09¢/o-co).
2A/4403
r3m4'zrG
,
$949-6
4.‘?
K
34
ITEM
PART
NUMBER
DESCRIPTION
QTY
ITEM
PART
NUMBER
DESCRIPTION
QTY
P
C'>Jé5{‘fg“-CH
.
DO
NOT
SCALE
REMOVE
BURRS
BREAK
SHARP
EDGES
D//MA/osfic
WORK
To
[)wN_
By
DATE
55‘/’7"‘
"'/
/2055
8-2047
FRACTIONAL
:1/64
ANGULAR..__.._____1:1°
NAME
8,,
HRST
PROJECT
NO.
or-:cIMAL______.:.oo5
FILLETS__...___.O20
MAX
CPU
36
4MEM.
PROTECT
:pPROVAL
q
TE
SSTUSAGE
MATERIAL
_
SCALE
PART
NO.
7
¢,,;z,~/
-H882
‘W44’
‘7K
3*”
/6
‘9O‘9
D
\/:9»/CE’
Wlm wllw rmcofl
835
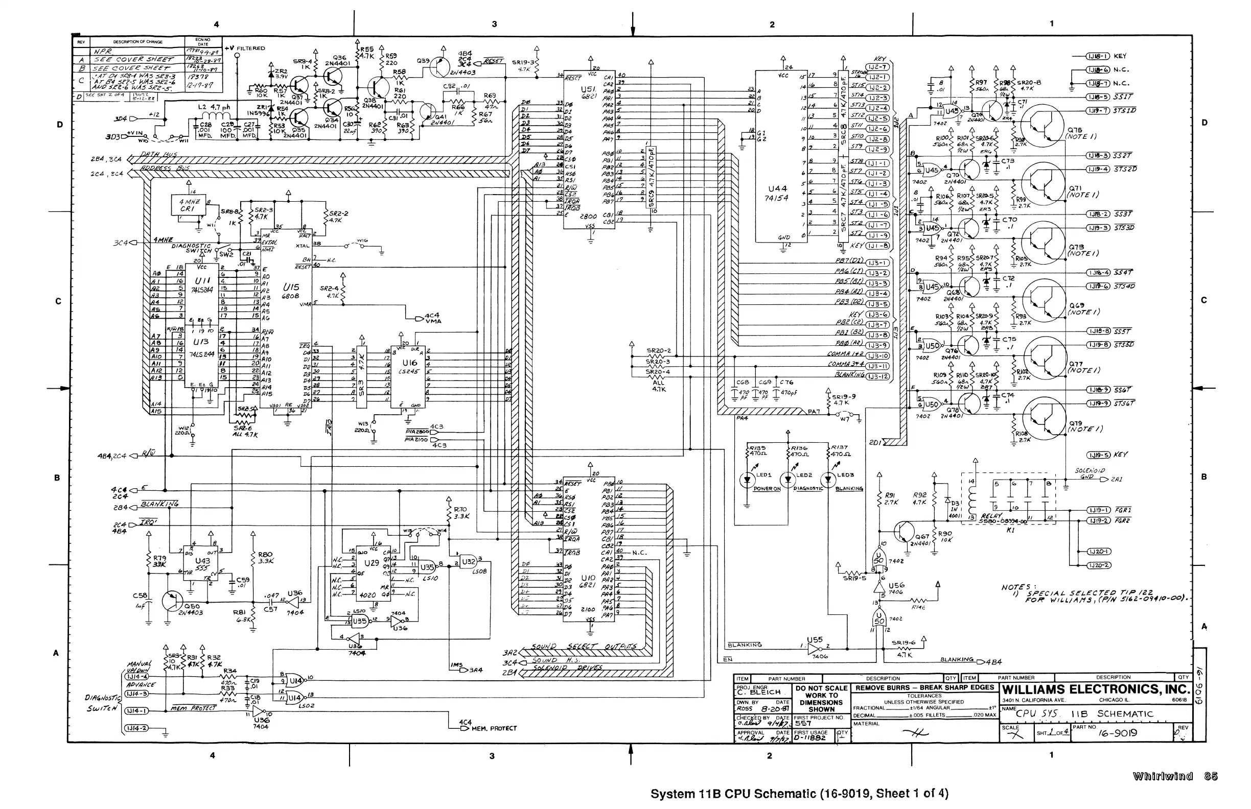
System
11B
CPU
Schematic
('16-9019,
Sheet
1
of
4)

Table of Contents