EasyManua.ls Logo

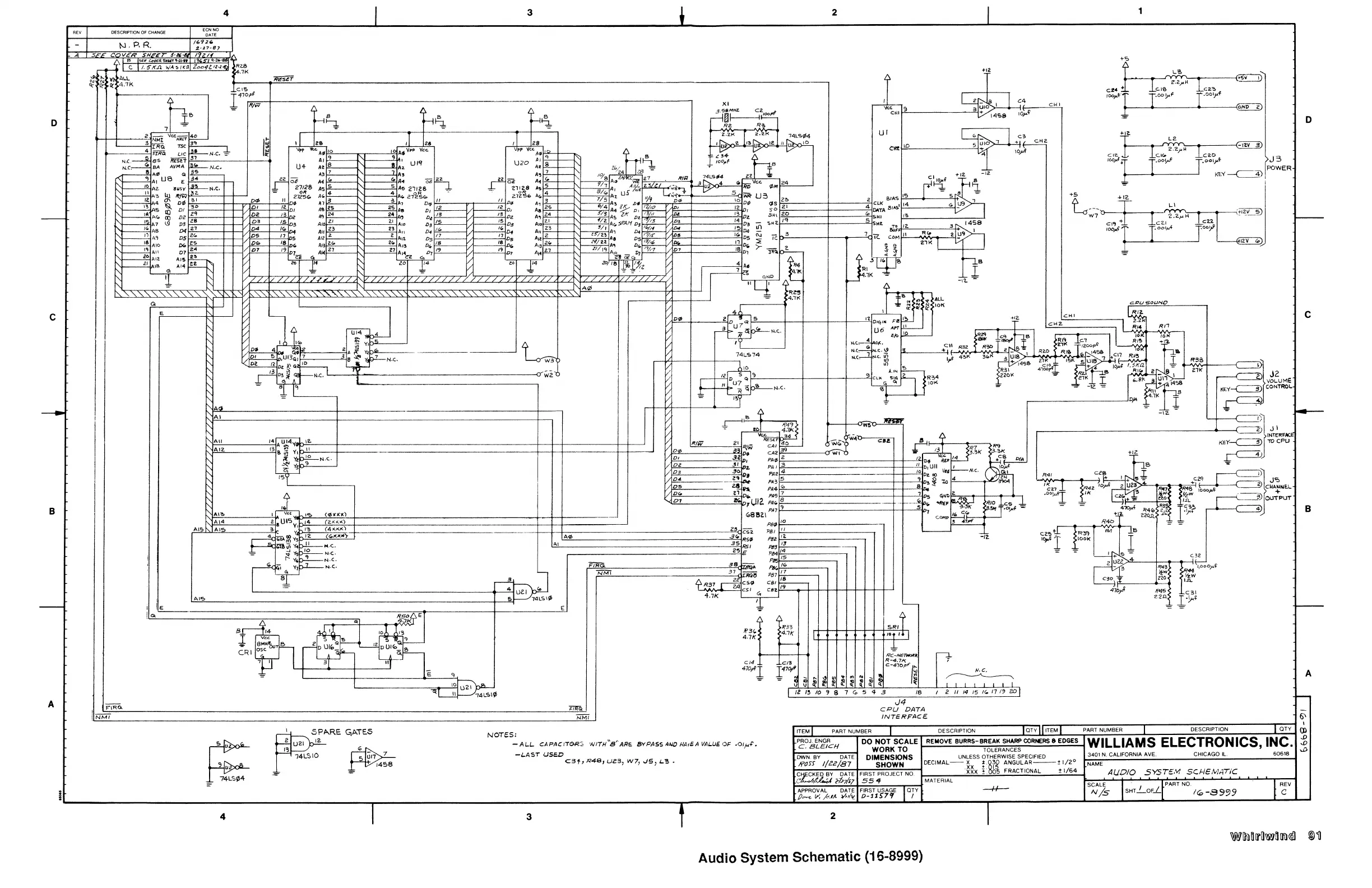
Williams Electronics WHIRLWIND - Audio System Schematic

Williams Electronics WHIRLWIND
106 pages
Print Icon
To Next Page IconTo Next Page
To Next Page IconTo Next Page
To Previous Page IconTo Previous Page
To Previous Page IconTo Previous Page
Loading...
DESCRIPTION
OF
CHANGE
N,P.R.
74
LS¢4
O
_OO|}.I9
POWER
KEY
——(
30
T€.f'Z_\’_,'-i>)
U76‘
I
74
LE:
74
2
VOLUME
J
I
I<EY—-(
5)
To
cPu
/?C
2
3351“
r
I470”
P
N.
c,
=
I
5
/0
9
8
7
G
5
4
3
I
8
J4
cpu
DATA
INTERFACE
NOTES:
"EM
—I>oL—=»
I
I
2
H1415/6/7/930
PART
NUMBER
DESCRIPTION
QTY
ITEM
PART
NUMBER
DESCRIPTION
QTY
ALL.
CA
PAcITe.P::
w/TH“.s"ARe
BYPASS
AND
HAISA
VALUE
or
.oI
4‘.
"RN
ENG“
00
NOT
SCALE
RENOVE
BURRS-BREW
SHARP
CORNERS
8
E0555
6
7
MST
USED
/4
531.5/(H
wow,
WILLIAMS
ELECTRONICS,
INC.
9
C37,
R48;
ues
w7
.15
1.3
-
OWN‘
BY
DATE
DIMENSIONS
UNLESS
OTHERWISE
SPEQFIED
3401
N.
CALIFORNIA
AvE.
CHICAGO
IL.
60618
.
_.
I
a
2
2
/P055
//22/37
SHOWN
DEC|MAL—-—.
2:
ANGULAR—————:
I/2°
NAME
_
74.I_s¢4
BY
FIRST
PROJECT
NO.
FRACT'°N’“-
3
‘/54
AUDIO
SYSTEM
SC/—/E
.’i-”ITiC.'
55
4
MATERIAL
_
APPROVAL
DATE
FIRST
USAGE
QTY
———I‘+———
SSLE
Sm
I
PART
NO’
pm
I/.
ail.
Y»)/sg
D-11579’
I
/5
/6
‘$999
2
Wfm triml tmél
©il
Audio
System
Schematic
(16-8999)

Table of Contents