EasyManua.ls Logo

WinGD X35-B - Page 466

WinGD X35-B
486 pages
Print Icon
To Next Page IconTo Next Page
To Next Page IconTo Next Page
To Previous Page IconTo Previous Page
To Previous Page IconTo Previous Page
Loading...
1 2 3 4 5 6 7 8 9 10
A
B
C
D
E
F
G
H
A
B
C
D
E
F
3 4 5 6 7 8
-
Page
No.
Product
Units:
1 / 1
Size:
W5-8X35/X40-B
mm/kg
A0
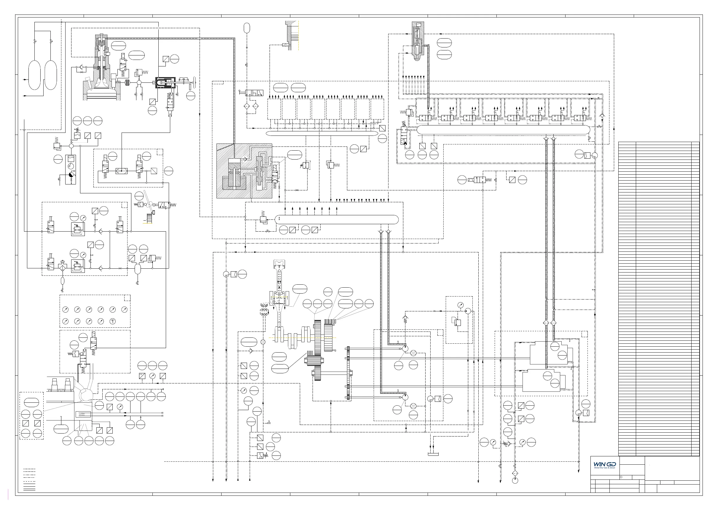
ENGINE CONTROL DIAGRAM
Drawing standard
ISOJIS
C000121_1
This drawing is property of Winterthur Gas & Diesel Ltd. and shall neither be copied, shown nor communicated to a third party without the consent of the owner.
LOW PRESSURE OIL CIRCUITS
HIGH PRESSURE OIL CIRCUITS
LOW PRESSURE FUEL CIRCUITS
HIGH PRESSURE FUEL CIRCUITS
HEATING
CONTROL AIR CIRCUITS
STARTING AIR CIRCUITS
DOUBLE WALLED PIPE
A
B
D
E
K
CONTROL AIR SUPPLY UNIT
FUEL SUPPLY
SERVO OIL SUPPLY
VALVE UNIT FOR START
LOCAL CONTROL PANEL
30 bar 30 bar
5 bar
10µm
300 bar
7-10bar
1000 bar
A2
A3
A6
A1
15 l
50 bar
4 bar
ambient pressure
ambient pressure
ambient pressure
930-B001 930-B002
930-V04
930-V03
35-2751_CX_2
30.2728_CX_1
3/2-WAY VALVE
30.8605_CX_1
35.31HA
3/2-WAY VALVE
PT1101C PT2002C
PT4341C PT4421C
I
P
I
P
TURNING GEAR
50-2751_CX_1
PT3421C
I
P
I
P
SI5101M
PT3462C
PT2071C
CRANKSHAFT
20-B009
CRANKCASE
(DRAIN)
35-2751_CX_1
35-115HA
35.4325_E0_3
3/2-WAY VALVE
35.4325_E0_2
3/2-WAY VALVE
PT4301C
10-2710_CX_Y
25-7206_C1_1
25-7206_C2_1
25-7206_C3_1
25-7206_C4_1
25-7206_C5_1
25-7206_C6_1
25-7206_C7_1
25-7206_C8_1
35.4325_E0_5
2/2-WAY VALVE
CLOSED
OPENED
AUTOMAT
30-4325_E0_1
I
P
2001A
PT
2002S
PS
4043C
PT
4044C
PT
4301C
PT
5017C
PT
7014C
CV
7013C
CV
5016C
ZS
4341S
PS
4341A
PT
1361A
PT
CV
7241-48C
ZT
5421-28C
910.F05
910-D015
ST
5131-34C
5123C
ZS
5124C
ZS
49
50
40
45
2002C
PT
25
FS
2521-28S
925-B001
I
P
35 5251
2011A
TE
2011L
TI
I
P
I
P
3421L
PI
3431L
PI
20-8406_E0_5
CV
7131-38C
PT
3131-38C
PT4043C
PROCESS CODE
10-2710_CX_Y
10-5556_E0_1
10-5556_E0_2
10-5562_C1_2
10-5562_C2_2
10-5562_C3_2
10-5562_C4_2
10-5562_C5_2
10-5562_C6_2
10-5562_C7_2
10-5562_C8_2
10-5562_E0_1
10-5562_E0_2
10-5562_E0_3
10-5562_E0_5
10-5562_E0_6
10-5562_E0_7
10-5562_E0_8
10-8704_E0_2
10-8744_E0_4
10-8744_E0_5
10-8752_E0_1
10-8752_E0_2
10-8752_E0_3
10-8752_E0_4
20-5551_E0_1
20-5551_E0_2
20-5610_E0_1
20-5610_E0_2
20-5610_E0_3
20-5610_E0_4
20-5610_E0_6
20-5612_CX_2
20-5612_CX_3
20-5614_E0_1
20-5614_E0_5
20-5614_E0_6
20-8406_E0_5
20-8423_E0_1
20-8423_E0_2
20-8423_E0_3
20-8423_E0_7
20-8423_E0_8
20-8423_E0_9
20-8445_E0_1
20-8445_E0_3
20-8445_E0_5
20-9484_E0_2
25-8475_E0_1
25-8475_E0_2
25-8475_E0_6
25-8475_E0_7
30-2728_CX_1
30-4325_E0_1
30-8605_E0_6
30-8605_E0_7
30-8650_E0_1
30.8605_CX_1
35-115HA
35-19HA
35-23HA
35-274HA
35-274HD
35-2751_CX_1
35-2751_CX_2
35-287HA
35-31HA
35-342HA
35-342HB
35-351HA
35-36HA
35-36HB
35-36HC
35-4325_E0_2
35-4325_E0_3
35-4325_E0_5
35-4605_E0_6
35-4605_E0_8
35-4605_E0_9
35-4606_E0_2
35-4606_E0_3
35-4606_E0_4
35-8353_E0_2
35-8606_E0_3
35-8606_E0_4
50-2751_CX_1
50-8135_E0_1
50-8135_E0_2
910-D015
910-V113
910-V121
925-B001
990-07
990-08
990-25
990-27
990-30
990-33
990-34
990-35
990-45
990-49
990-50
990-51
990-52
DESCRIPTION
FUEL INJECTION VALVE
FUEL PUMP 1
FUEL PUMP 2
FLOW LIMITING VALVE CYL. 1
FLOW LIMITING VALVE CYL. 2
FLOW LIMITING VALVE CYL. 3
FLOW LIMITING VALVE CYL. 4
FLOW LIMITING VALVE CYL. 5
FLOW LIMITING VALVE CYL. 6
FLOW LIMITING VALVE CYL. 7
FLOW LIMITING VALVE CYL. 8
NON RETURN VALVE
NON RETURN VALVE
SINGLE WALL FUEL OIL RAIL
PRESSURE CONTROL VALVE
PRESSURE RELIEF VALVE
FILLING FUEL RAIL
DRAIN VALVE FUEL RAIL
ADJUSTABLE PRESSURE RETAINING VALVE
NON RETURN VALVE
INJECTOR LEAKAGE BYPASS NORMALLY CLOSED
FILTER
FILTER
3-WAY VALVE
3-WAY VALVE
SERVO OIL PUMP 1
SERVO OIL PUMP 2
NON RETURN VALVE
NON RETURN VALVE
PRESSURE SAFETY VALVE
DRAIN VALVE
SINGLE WALL SERVO OIL RAIL
SOLENOID VALVE
RESTRICTOR
PRESSURE REDUCING VALVE
RESTRICTOR
PRESSURE SAFETY VALVE
BALL VALVE
INJECTOR OIL SUPPLY VALVE
BALL VALVE
QUICK COUPLING
QUICK COUPLING
FILTER FUEL PUMP 1
FILTERFUEL PUMP 2
SERVO OIL SERVICE PUMP
NON RETURN VALVE
QUICK COUPLING
PRESSURE RELIEF VALVE
BALL VALVE
3/3-WAY VALVE
FILTER
FILTER
3/2-WAY VALVE
SHUT-OFF VALVE STARTING AIR
BALL VALVE
BALL VALVE
PRESSURE SAFETY VALVE
FLAME ARRESTER
DOUBLE CHECK VALVE
PRESSURE REDUCING VALVE
PRESSURE REDUCING VALVE
PRESSURE SAVETY VALVE
PRESSURE SAVETY VALVE
NON RETURN VAVLE
RESTRICTOR
CONTROL AIR BOTTLE
3/2-WAY VALVE
NON RETURN VALVE
NON RETURN VALVE
AIR FILTER
3/2-WAY VALVE
3/2-WAY VALVE
3/2-WAY VALVE
3/2-WAY VALVE
3/2-WAY VALVE
2/2-WAY VALVE
2-WAY SHUT-OFF VALVE
2-WAY SHUT-OFF VALVE
RESTRICTOR
2-WAY SHUT-OFF VALVE
BOTTLE
NEEDLE VALVE
BALL VALVE
COLLECTOR FOR LEAKAGE OIL FROM AIR SPRING
BALL VALVE
EXHAUST VALVE
2/2-WAY VALVE
3/2-WAY VALVE
FUEL BOOSTER PUMP
2-WAY SHUT-OFF VALVE
2-WAY SHUT-OFF VALVE
CYLINDER LUBE OIL TANK
SAC-LT-COOLING WATER INLET
SAC-LT-COOLING WATER OUTLET
MAIN LUBRICATING OIL INLET
LUBRICATING OIL TURBOCHARGER OUTLET
LUBRICATING OIL CROSSHEAD INLET
CYLINDER LUB. OIL INLET
LEAKAGE OIL DRIVING END OUTLET
LEAKAGE OIL FREE END OUTLET
CONTROL AIR SUPPLY INLET
FUEL INLET
FUEL RETURN OUTLET
FUEL LEAKAGE RAIL UNIT OUTLET
FUEL LEAKAGE OUTLET
PATH
(6-A)
(9-F)
(8-G)
(9-B)
(8-B)
(8-B)
(8-B)
(7-B)
(7-B)
(7-B)
(7-B)
(8-C)
(8-C)
(6-B)
(6-B)
(6-B)
(9-B)
(9-C)
(8-H)
(9-C)
(9-B)
(8-F)
(8-F)
(8-E)
(8-E)
(6-F)
(6-G)
(6-D)
(6-D)
(4-D)
(4-D)
(4-D)
(4-C)
(4-C)
(5-C)
(5-C)
(5-C)
(4-G)
(7-C)
(7-C)
(7-G)
(7-G)
(8-F)
(8-F)
(7-E)
(6-F)
(7-E)
(7-F)
(4-A)
(4-B)
(4-B)
(4-B)
(2-A)
(3-B)
(2-B)
(2-B)
(2-A)
(2-B)
(2-C)
(1-E)
(1-D)
(2-E)
(1-C)
(1-A)
(1-A)
(2-E)
(3-D)
(2-D)
(2-E)
(1-E)
(2-D)
(1-D)
(1-E)
(2-C)
(2-C)
(3-B)
(2-D)
(2-E)
(2-E)
(2-E)
(1-E)
(1-E)
(3-B)
(1-C)
(1-C)
(2-B)
(2-F)
(2-F)
(8-H)
(8-H)
(8-H)
(4-A)
(3-G)
(3-G)
(4-H)
(2-G)
(4-H)
(4-A)
(7-H)
(3-H)
(1-B)
(8-H)
(8-H)
(4-H)
(9-H)
3444A
LS
34
02.5612_CX_2
SOLENOID VALVE
20.5612_CX_1
CV
7401-08C
20-5610_E0_6
20-5610_E0_1
20-5610_E0_2
20-5610_E0_3
I
P
I
P
3421C
PT
3421A
PT
3446A
LS
10-8744_E0_2
3411A
TE
3411L
TI
G G
20-5551_E0_1
20-5551_E0_2
2055A
LS
2061A
FS
2062A
FS
20-8447_E0_3
20-8447_E0_4
35-274HD
I
P
4341C
PT
35-8353_E0_2
30-8650_E0_1
30-8605_E0_6
CV
7441-48C
CV
7461-68C
ST
5111-12S
ST
5101-04C
7221C
CV
7222C
CV
7231C
CV
7232C
CV
I
P
I
P
10-5562_C1_2
10-5562_C2_2
10-5562_C3_2
10-5562_C4_2
10-5562_C5_2
10-5562_C6_2
10-5562_C7_2
10-5562_C8_2
10-5562_E0_3
10-5562_E0_2
3461C
PT
3462C
PT
10-5562_E0_1
35.36HB
3/2-WAY VALVE
35-4605_E0_6
35-4605_E0_5
35.36HA
3/2-WAY VALVE
35-342HA
35.36HC
3/2-WAY VALVE
35-4605_E0_8
35-342HB 35-4605_E0_9
35-4605_E0_7
I
P
35-351HA
4401L
PI
4401A
PT
4411A
PT
4411L
PI
35-274HA
35-19HA
35-23HA
I
P
I
P
4421A
PT
I
P
4421C
PT
35-4606_E0_2
35-4606_E0_4
35-287HA
35-4606_E0_3
4521L
TI
4521A
TE
4521S
TS
TE
2501-08A
33
35-8606_E0_4
30-8605_E0_7
07
08
1361L
PI
TE
4081-88A
35-8606_E0_3
AE
2401-08A
2415A
AE
I
P
4302C
PT
2003A
PT
20-8423_E0_2
5372C
ZS
7076C
CV
50.8135_E0_1
2/2-WAY VALVE
50.8135_E0_2
3/2-WAY VALVE
20-8445_E0_3
910-V121910-V113
5018C
ZS
20-5610_E0_4
I
P
20.8423_E0_1
INJECTOR OIL SUPPLY VALVE
I
P
25-8475_E0_1
25-8475_E0_6
25-8475_E0_7
25.8475_E0_2
3/3-WAY VALVE
2071C
PT
I
P
2072C
PT
I
P
3124A
PT
7061S
ZV
7003C
CV
1371A
TE
3426A
LS
10-5562_E0_6
10-8752_E0_3
20-8445_E0_1
10.5562_E0_5
PRESSURE CONTROL VALVE
20-5614_E0_1
20-5614_E0_4
20-5612_CX_3
20-5614_E0_5
2041A
PT
I
P
20-5614_E0_6
20-5610_E0_7
3411C
TE
20-8445_E0_5
20-8423_E0_3
20-8423_E0_7
20.9484_E0_2
PRESSURE RELIEF VALVE
10-5556_E0_1
10-5556_E0_2
10-8704_E0_2
3431A
TE
3432A
TE
4002C
PT
I
P
I
P
4003C
PT
4041C
TE
4042C
TE
TE
4045-46C
10-5562_E0_8
4351A
LS
4001L
PI
4071A
LS
4075A
LS
4021L
PI
1371L
TI
1381A
TE
1381L
TI
27
2601A
TE
2601L
TI
P
2611S
PS
2611L
PI
I
P
2611A
PT
30
20-8455_E0_2
I
P
2021C
PT
I
P
2021A
PT
2021L
PI
2031L
TI
10-8744_E0_1
10-8744_E0_510-8744_E0_4
10-5562_E0_7
PT2021C
10-8752_E0_2
10-8752_E0_1
10-8752_E0_4
10-8752_E0_3
K
FUEL RETURN
OUTLET
STARTING AIR
CONTROL AIR
BOARD SUPPLY
7-9 BAR
E
RAIL UNIT
SLUDGE
SERVICE PUMP
4-
LEAKAGE
FUEL
TANK
MAIN OIL
SUPPLY
FUEL
INLET
LDU 20 DISPLAY UNIT
D
B
RETURN
SERVO OIL
A
CONTROL AIR
SUPPLY
CONTROL AIR
STAND-BY SUPPLY
E6
Waste gate system is optional
RETURN
SERVO OIL
ICC IS OPTIONAL
CROSSHEAD
LUBRICATING
OIL

Table of Contents

Related product manuals