EasyManua.ls Logo

Wittenborg ES 7100 PLUS - Page 65

Wittenborg ES 7100 PLUS
88 pages
Print Icon
To Next Page IconTo Next Page
To Next Page IconTo Next Page
To Previous Page IconTo Previous Page
To Previous Page IconTo Previous Page
Loading...
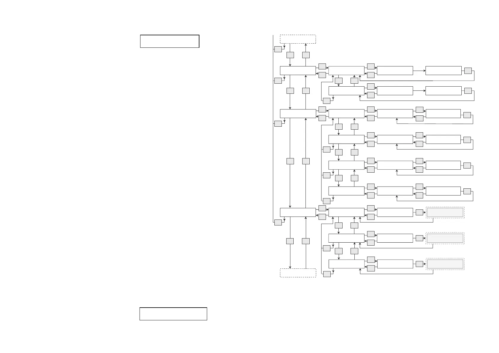
Additional routines
10.2011 ES 7100 PLUS 61
Sel
Esc
AUDIT PER DRINK
[Drink]
Sel
Esc
Number sold of [drink]
Total: 0000000
Number sold of [drink]
Total: 0000000
OK
OK
OK
OK
Test no. , res
Sel
Esc
Esc
v ^
Esc
Esc
Esc
v ^
v ^
v ^
Time Discount Audit
Step price, nres (+)
Amount: 000.00
Step price, res(+)
Amount: 000.00
Sel
Esc
Sel
Esc
Sp. turnover, nres
Sel
Esc
Sp. turnover, res
v ^
Esc
Step price audit
Step price, nres (-)
Amount: 000.00
Step price, res(-)
Amount: 000.00
Reset sales audit
Sel
Esc
Continue ?
Sel
Esc
Reset of sales
audit finished
OK
Reset counters
Reset cash audit Continue ?
Sel
Esc
Reset of cash
audit finished
OK
Esc
v ^
Esc
Te s t a udit Test no. , nres
AUDIT PER DRINK
[Drink]
Sel
Esc
Sel
Esc
Printing
Reset test audit Continue ?
Sel
Esc
Reset of test
audit finished
OK
Esc
Number sold of [group]
Total: 0000000
OK
No. per group, nres
Sel
Esc
v ^
Esc
AUDIT PER GROUP
[Group]
Sel
Esc
Number sold of [group]
Total: 0000000
OK
No. per group, res
Sel
Esc
v ^
Esc
AUDIT PER GROUP
[Group]
Sel
Esc
v ^
v ^
Diagram continued
Continued on next page

Table of Contents

Related product manuals