EasyManua.ls Logo

Wolf 2 Series - Page 48

Wolf 2 Series
62 pages
Print Icon
To Next Page IconTo Next Page
To Next Page IconTo Next Page
To Previous Page IconTo Previous Page
To Previous Page IconTo Previous Page
Loading...
Electric Cooktop -2
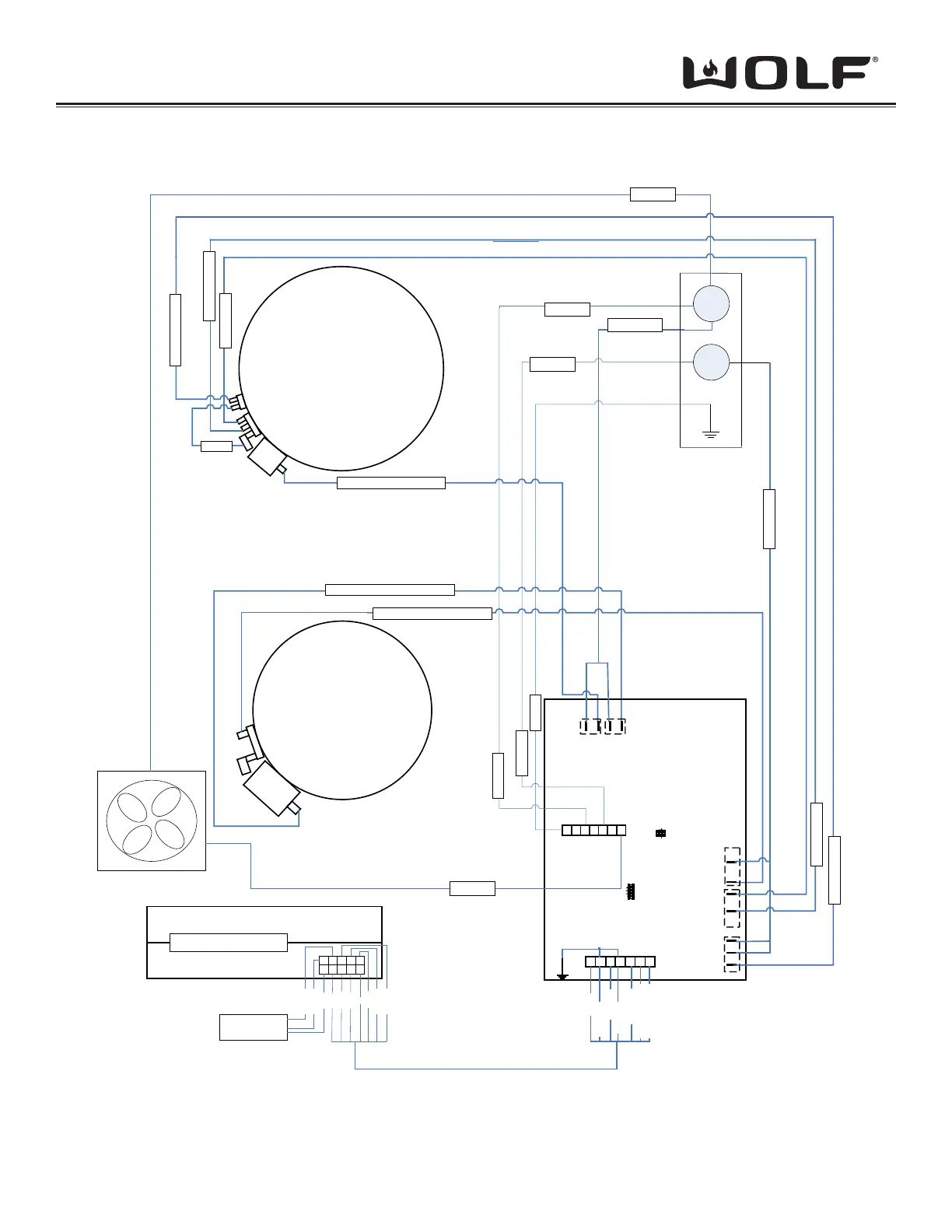
Wiring Diagrams
7-2
CT15E-2 Wiring Diagram Includes ICB
L2
2500W
1800W
900W
1200W
DISPLAY BOARD
KEYBOARD
E9 Blue
E14 Orange
E24 Purple
E8 White Orange
L1 Black
L2 Red
Plug into each other
BLK
E26 White Purple
E10 Brown
POWER
MODULE
P1-A1
P10
P9
P8
P12 P13
3
3
1
4
1
6
5
1
3
1
3
7
12 3 4
56
E10 Brown
1765432
P3
L2 Red
L2 Red
L1 Blk
L1 Blk
L2 Red
Fan
9
2
46810
1357
RS485
Communication
Port
E14 Orange
Gnd
Vr
Com
Com
Vled
Com
60Hz
Rs485a
Rs485b
Rs485a
Rs485b
RS485-A
RS485-B
Com
Vled
Com
60Hz
Vr
L1

Other manuals for Wolf 2 Series

Related product manuals