EasyManua.ls Logo

Wolf 2 Series - Page 49

Wolf 2 Series
62 pages
Print Icon
To Next Page IconTo Next Page
To Next Page IconTo Next Page
To Previous Page IconTo Previous Page
To Previous Page IconTo Previous Page
Loading...
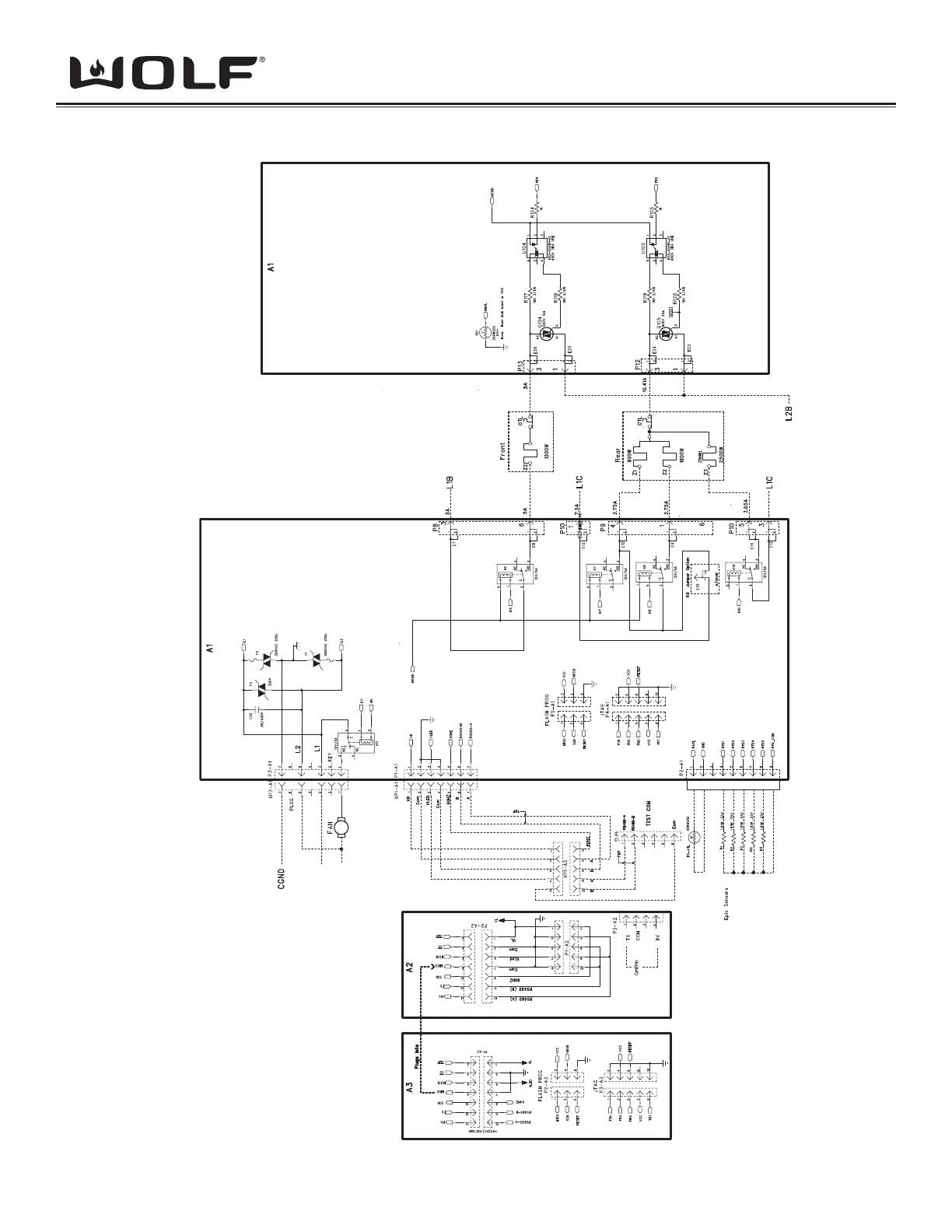
Electric Cooktop -2
Wiring Diagrams
7-3
CT15E-2 Schematic Includes ICB

Other manuals for Wolf 2 Series

Related product manuals