EasyManua.ls Logo

Xantrex SW Plus 2524 - Figure 3-19 AC Output Wiring to the Inverter AC Panel

Xantrex SW Plus 2524
344 pages
Print Icon
To Next Page IconTo Next Page
To Next Page IconTo Next Page
To Previous Page IconTo Previous Page
To Previous Page IconTo Previous Page
Loading...
Installation
3–34 976-0043-01-02
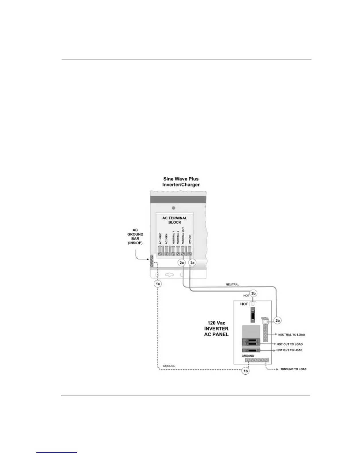
Make connections from the inverter to the inverter panel as follows:
1. Connect the GROUND (green or bare) wire:
a) from the inverter AC GROUND bar
b) to the inverter panel GROUND bar
2. Connect the NEUTRAL (white) wire:
a) from the inverter NEUTRAL OUT terminal
b) to the inverter panel NEUTRAL bus
3. Connect the HOT (black) wire:
a) from the inverter AC OUT terminal
b) to the inverter panel main input circuit breaker
4. Torque all inverter terminal block connections to 25 inch-pounds.
Figure 3-19
AC Output Wiring to the Inverter AC Panel

Table of Contents

Related product manuals