EasyManua.ls Logo

Xtralis VESDA ECO - 4-20 Ma Current Sources

Xtralis VESDA ECO
96 pages
Print Icon
To Next Page IconTo Next Page
To Next Page IconTo Next Page
To Previous Page IconTo Previous Page
To Previous Page IconTo Previous Page
Loading...
VESDA ECO Detector by Xtralis Product Guide
17898_05 Installation 21
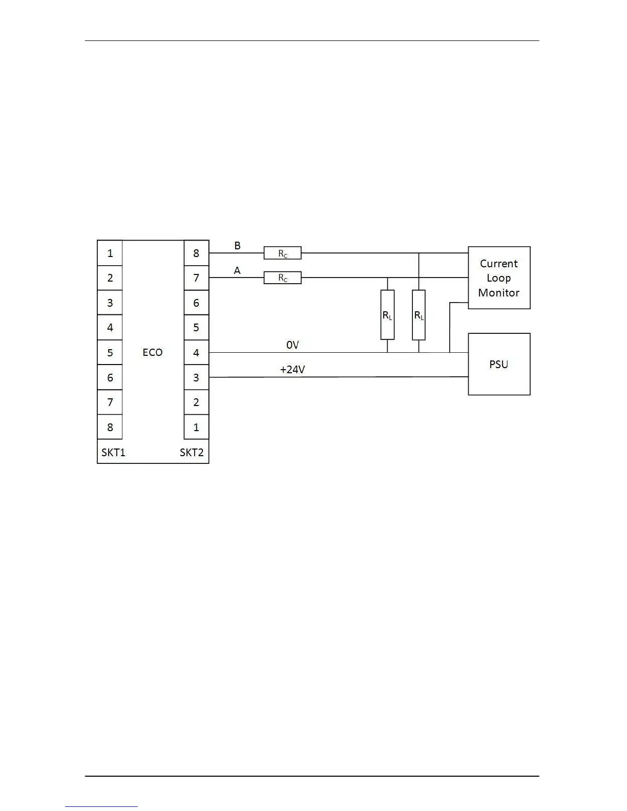
4-20mA Current Sources
The two current source outputs (A and B) on the ECO are designed to be wired to
industry standard 4-20mA current monitoring devices. If the current loop monitoring
device uses a voltage input topology then each of the current output lines must be
terminated as closely to the monitoring device as possible with a load resistor
connected to the 0V reference of the power supply to the system. For the ECO
current output sources to function properly the installer must ensure that the load
resistors (R
L
) are selected based on the power supply voltage and the resistance
(R
C
) of the connecting cable (refer to Figure 11 below).
Figure 11 Current Output Connections
When calculating the appropriate load resistance a suitable amount of headroom
needs to be allowed for in the maximum current sourced by the ECO. Although it is
described as a 4-20mA loop, the maximum output current used to determine the
load resistor should be 25mA. The cable resistance can be calculated by
multiplying the maximum cable length from the ECO to the load resistors by the
resistance per metre (or Foot) of the cable selected as explained in the previous
sections. As a result the maximum load resistance the ECO current source output
can support is defined as
Maximum R
L
= (V
SUPPLY
/ 25mA x10
-3
) - R
C
Note. This maximum load resistance may be further limited by the input
specification of the loop monitoring device.

Table of Contents