EasyManua.ls Logo

Xylem Aquavar - Page 75

Xylem Aquavar
172 pages
Print Icon
To Next Page IconTo Next Page
To Next Page IconTo Next Page
To Previous Page IconTo Previous Page
To Previous Page IconTo Previous Page
Loading...
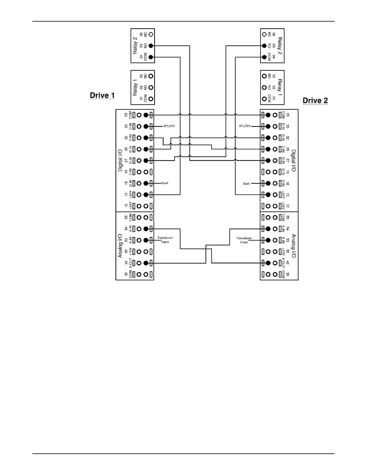
Figure 84: Duplex wiring
Duplex Control Mode requires a specific set of parameters in order to ensure proper
functionality. The Start-Up Genie must be used to configure the Duplex Control Mode.
See the Commissioning section for details.
Control from external PLC/BMS through communications port
A BMS or PLC can be connected to the control through the communications port. In this
configuration, the BMS or PLC can control the drive by overriding the setpoint, supplying
the process variable or by providing a speed command to the drive. Control cables must
be braided screened/shielded and the screen must be connected by means of a cable
clamp at the controller and at the BMS/PLC. Refer to Using Screened Control Cables for
details on installing shielded/screened cables. The parameter list in the table below
shows parameters used to configure communication for two common protocols, Modbus
RTU and BACnet. The parameter list in the second table below shows parameters that
determine the control source for certain drive functions. Use these parameters to
determine whether digital inputs or the BMS/PLC has control of the function.
5 Electrical Installation
Aquavar
®
Intelligent Pump Controller - 150 HP to 600 HP INSTRUCTION MANUAL 73

Table of Contents

Related product manuals