EasyManua.ls Logo

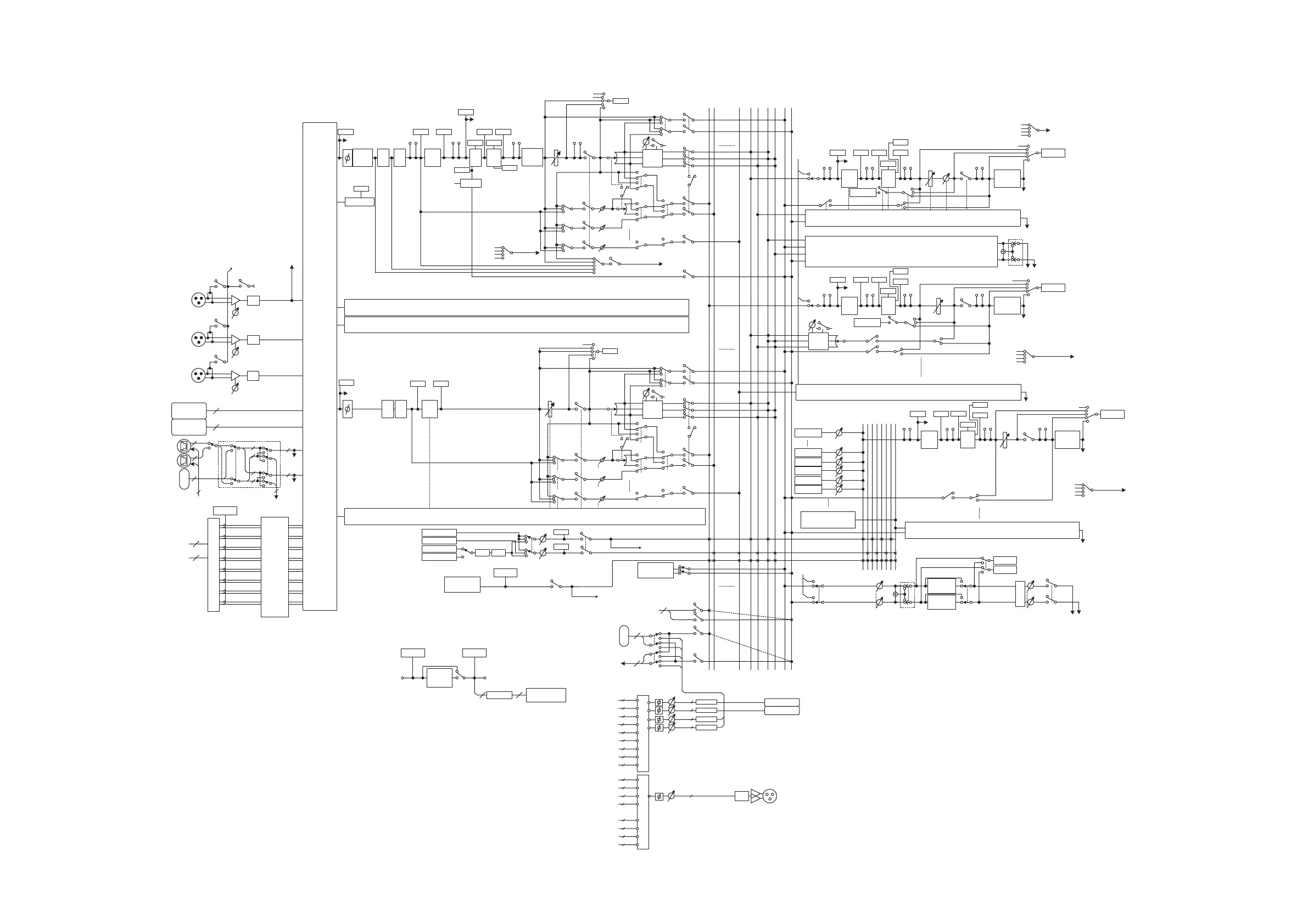
Yamaha DSP5D - DSP5 D Block Diagram

Yamaha DSP5D
409 pages
Print Icon
To Next Page IconTo Next Page
To Next Page IconTo Next Page
To Previous Page IconTo Previous Page
To Previous Page IconTo Previous Page
Loading...
DSP5D Block Diagram
CH 1(...48)
ATT
INPUT
DELAY
CUE
PreEQ/
PreFader/
PostON
DIRECT OUT
Keyin
Self Pre EQ/
Self Post EQ/
Mix21-24 /
CH1-8 Post EQ/
CH9-16 Post EQ/
...
CH41-48 Post EQ
LINK ON/OFF
PAN
HPF
ON
TO ST
MIX1-24
ST A
LEVEL/
DCA1-8
ON
MIX1
MIX24
FIX
VARI
MIX2
Keyin
Self Pre EQ/
Self Post EQ/
Mix21-24/
CH1-8 Post EQ/
CH9-16 Post EQ/
...
CH41-48 Post EQ
LINK ON/OFF
MIX PAIR
FIXED MIX PAN
PFL/
AFL/
Post PAN
KEYIN CUE
INSERT
INSERT
INSERT IN
INSERT OUT
PreEQ/
PostEQ/
PreDelay/
PostFader
CUE R
CUE L
CASCADE OUT D-SUB
To CASCADE IN/OUT RJ-45
INPUT/
OUTPUT/
DCA
TRIM
GEQ 1(...12)
INSERT OUT
INSERT IN
31BAND
GEQ
METERMETER
ST IN 1-4
Pair configuration of Mono channel
METER
LEVEL/
DCA7-8
ON
BAL
INSERT INSERT
INSERT
OUTPUT
DELAY
INSERT
to MATRIX
To OUTPUT PATCH
MONO
To OUTPUT PATCH
INSERT
PAN
MIX to STEREO
ON
LEVEL/
DCA7-8
ON
PreFader/
PostFader/
PostON
INSERT INSERT
OUTPUT
DELAY
INSERT
Same as the mix master 1
to MATRIX
To OUTPUT PATCH
METER
CUE
PAN
ON
TO ST
LEVEL/D
CA1-8
ON
MIX1
MIX24
FIX
VARI
MIX2
MIX PAIR
FIXED MIX PAN
PFL/
AFL/
POST PAN
MATRIX3
MATRIX4
MATRIX5
MATRIX6
MATRIX7
MATRIX8
MATRIX2
MATRIX1
INSERT
ON
INSERT
INSERT
INSERT
OUTPUT
DELAY
Same as the above
STEREO B-L
STEREO B-R
STEREO A-L
STEREO A-R
LEVEL
MIX1
MIX24
Same as the matrix master 1
To OUTPUT PATCH
Pre EQ/
PreFader/
PostON
SLOT1
DITHER
SLOT2
DITHER
OUTPUT PATCH
SLOT1 16
SLOT2
16
Same as the monaural input
Same as the stereo master A
TALKBACK
ON
To OUTPUT PATCH
LEVEL
ON
To OUTPUT PATCH
Same as the above
Same as the above
IN 1-48
CUE OUT
DELAY
CUE OUT
DELAY
CUE
Same as the stereo master L
To OUTPUT PATCH
MONO
METER
32
BYPASS
OSC(L)
OSC(R)
Pink Noise
MS-
DECODE
POST
TO ST
ON
ST B
(C)
CUE
CUE
To OUTPUT PATCH
To OUTPUT PATCH
FOLLOW
PAN
POST
TO ST
CUE
LCR
CSR
ON
LCR
CSR
ON
Keyin
Self Pre EQ/
Self Post EQ/
Mix21-24 /
Stereo A,B,Matrix1-8 Post EQ
LINK ON/OFF
Keyin
Self Pre EQ/Self Post EQ/Mix21-24 /
Mix1-12 Post EQ/Mix13-24 Post EQ
LINK ON/OFF
Keyin
Self Pre EQ/
Self Post EQ/
Mix21-24 /
Stereo A,B,Matrix1-8 Post EQ
LINK ON/OFF
FOLLOW
PAN
32
BI DIRECTION
From
CASCADE IN
SELECT
ON
BI DIRECTION
ON
BI DIRECTION
ON
From
CASCADE IN
SELECT
PreFader/
PostFader/
PostON
LCR
CSR
ON
ATT
METER
METER
HPF
OUT ATT.
PreATT
METER
InsertIn
METER
4BAND
EQ
IN
OUT
METERMETER
GATE COMP
Keyin Filter
OUT
IN
METER
GR
METER
METER
METER
METER
GR
METER
OUT
METER
KEYIN
KEYIN
INSERT
METER
PostFader
PostON
4BAND
EQ
IN
OUT
METERMETER
PreATT
METER
METER
PostFader
PostON
TALKBACK
SELECT
SELECT
SPECTRUM
ANALYZER
12
8BAND
EQ
IN
OUT
METERMETER
METER
KEYIN
IN
METER
METER
GR
METER
OUT
COMP
8BAND
EQ
IN
OUT
METERMETER
METER
KEYIN
IN
METER
METER
GR
METER
OUT
COMP
4BAND
EQ
IN
OUT
METERMETER
KEYIN
IN
METER
METER
GR
METER
OUT
COMP
METER
PostFader
PostON
PostDelay
PostFader
PostON
PostDelay
METER
PostFader
PostON
PostDelay
CASCADE
OUT
ON/OFF
Lch
METER
Rch
METER
1
INPUT
+48V
TO TALKBACK SELECT
GAIN
OFF
ON
AD
+48V MASTER
ON
OFF
INPUT 1-48
FX7 OUT L/R
FX8 OUT L/R
FX1 OUT L/R
FX4 OUT L/R
FX6 OUT L/R
FX2 OUT L/R
FX3 OUT L/R
FX5 OUT L/R
INPUT PATCH
SLOT1
SLOT2
16
16
FX7 IN L/R
FX8 IN L/R
FX1 IN L/R
FX4 IN L/R
FX6 IN L/R
FX2 IN L/R
FX3 IN L/R
FX5 IN L/R
EFFECT
1-8
EFFECT
MIX 1~24
INSERT OUT
24
92
SELECT
METER
SLOT1 1-16
SLOT2 1-16
To BUS SUMMING
CASCADE IN D-SUB
32
32
CASCADE IN SELECT
GAIN
OFF
ON
AD
GAIN
OFF
ON
AD
ST IN L
ST IN R
ST IN 1-4 L
ST IN 1-4 R
[INPUT]
(1-48)
x 48
[ST IN]
(1-4)
x 4
PreFader
PreFader
PreFader
PreFader
LEVEL/
DCA7-8
PreFader
To METER
To METER
PreATT
PreGate
PreATT
To METER
To METER
PreEQ
To METER
PreEQ
To METER
PreEQ
INSERT OUT
PreEQ/
PostEQ/
PreFader/
PostOn
INSERT OUT
PreEQ/
PostEQ/
PreFader/
PostOn
INSERT OUT
PreEQ/
PostEQ/
PreFader/
PostOn
ON
ON
PreGate
TB OUT
OSC OUT
To OUTPUT PATCH
PreEQ
PreHPF
PreFader
PostON
To OUTPUT PATCH
To OUTPUT PATCH
To OUTPUT PATCH
To OUTPUT PATCH
Burst Noise
HPF LPF
INSERT
PFL/
PostON
PFL/
PostON
PreON/
PostON
PFL/
PostON
CASCADE
IN
ON/OFF
FX RTN 1-4
Pair configuration of Mono channel
External CUE
SELECT
SLOT1-2(1-16)
+48V
TO TAL KBACK
PreATT
2
8
24
STEREO B
MATRIX1-8
MIX1-24
DIRECT OUT 1-STIN-4R
INSERT OUT
2
STEREO A
1
OSC OUT(Lch)
1
TB OUT
56
92
2
CUE L,R
OMNIOUT
24
DA
2
8
24
STEREO B
MATRIX1-8
MIX1-24
INSERT OUT
2
STEREO A
1
OSC OUT(Lch)
1
TB OUT
92
2
CUE L,R
CASCADE IN RJ-45
32
To External
CUE SELECT
SLOT3 1-16
SLOT4 1-16
16
16
16
16
16
DITHER
DITHER
SLOT3 16
SLOT4
16
32
CASCADE OUT RJ-45
16
From CASCADE OUT
32
32
From CASCADE IN SELECT
STEREO A-L
STEREO A-R
STEREO B-L
STEREO B-R
MIX 1
MIX 24
MATRIX 1
MAT
CUE
RIX 8
[OMNI OUT](1-24)
DIM
DI
L
R
GITA L
CUE
LEV EL
To OUTPUT PATCH
ON

Table of Contents

Related product manuals