EasyManua.ls Logo

Yamaha DSP5D - Input Channel Operations; About the Input Channels

Yamaha DSP5D
409 pages
Print Icon
To Next Page IconTo Next Page
To Next Page IconTo Next Page
To Previous Page IconTo Previous Page
To Previous Page IconTo Previous Page
Loading...
PM5D/PM5D-RH V2 / DSP5D Owner’s Manual Operating section 41
5
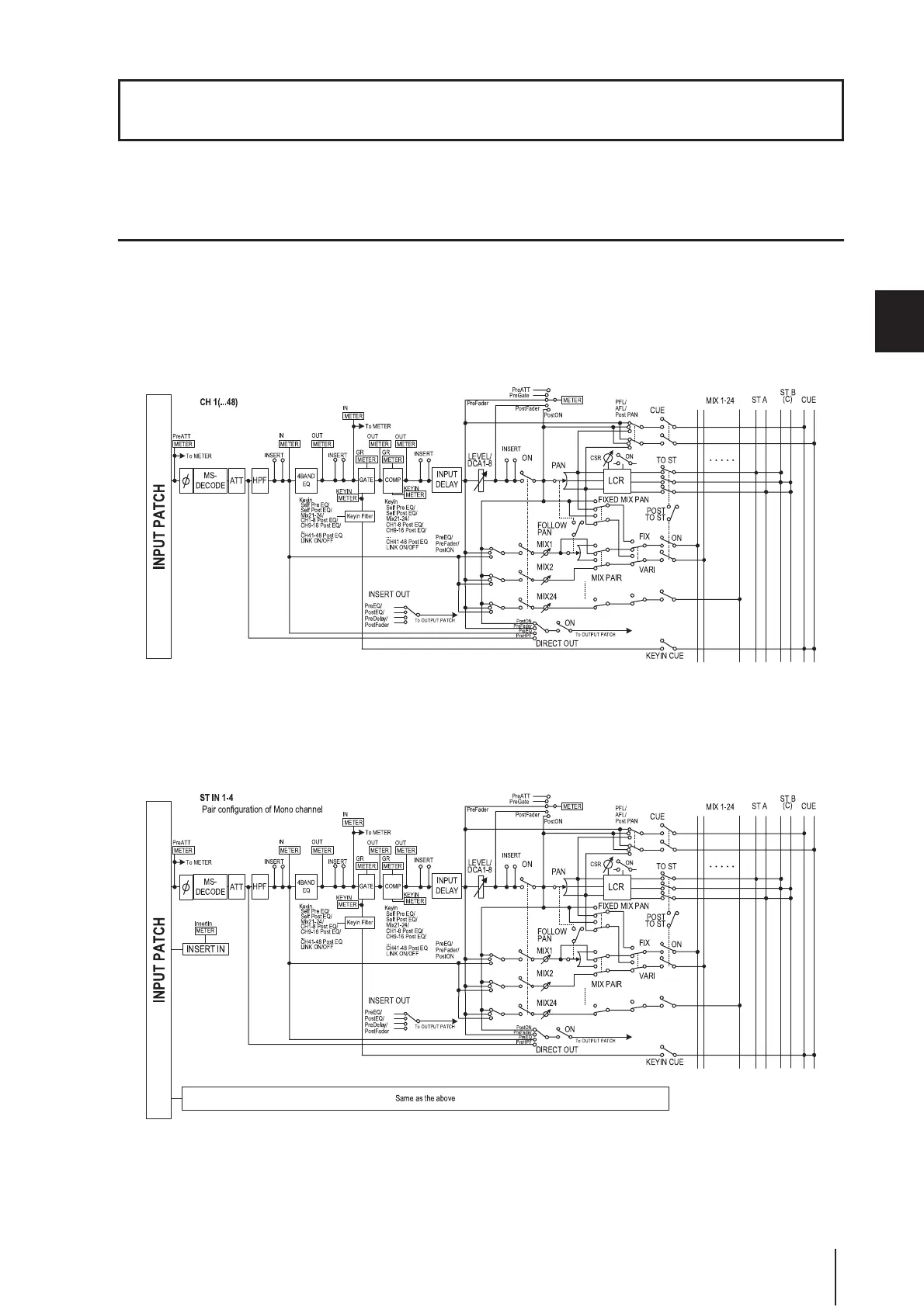
Input channel operations
This chapter explains the functions and operation of each section related to input channels.
About the input channels
The input channel section processes the signals that are input via the input patch section, and outputs them to the STEREO
buses or MIX buses. There are three types of input channel, as follows.
Input channels 1–48
These channels are used to process monaural signals. When the input patching is in the default state, the input signals from
INPUT jacks 1–48 are assigned to these channels.
ST IN channels 1–4
These channels are used to process stereo signals. When the input patching is in the default state, the input signals from ST IN
jacks 1–4 are assigned to these channels.
5 Input channel operations

Table of Contents

Related product manuals