EasyManua.ls Logo

Yamaha DSP5D - 11 Monitor and Cue; About the MONITOR and CUE Sections

Yamaha DSP5D
409 pages
Print Icon
To Next Page IconTo Next Page
To Next Page IconTo Next Page
To Previous Page IconTo Previous Page
To Previous Page IconTo Previous Page
Loading...
PM5D/PM5D-RH V2 / DSP5D Owner’s Manual Operating section 99
11
Monitor and Cue
This chapter explains the PM5D’s Monitor and Cue functions.
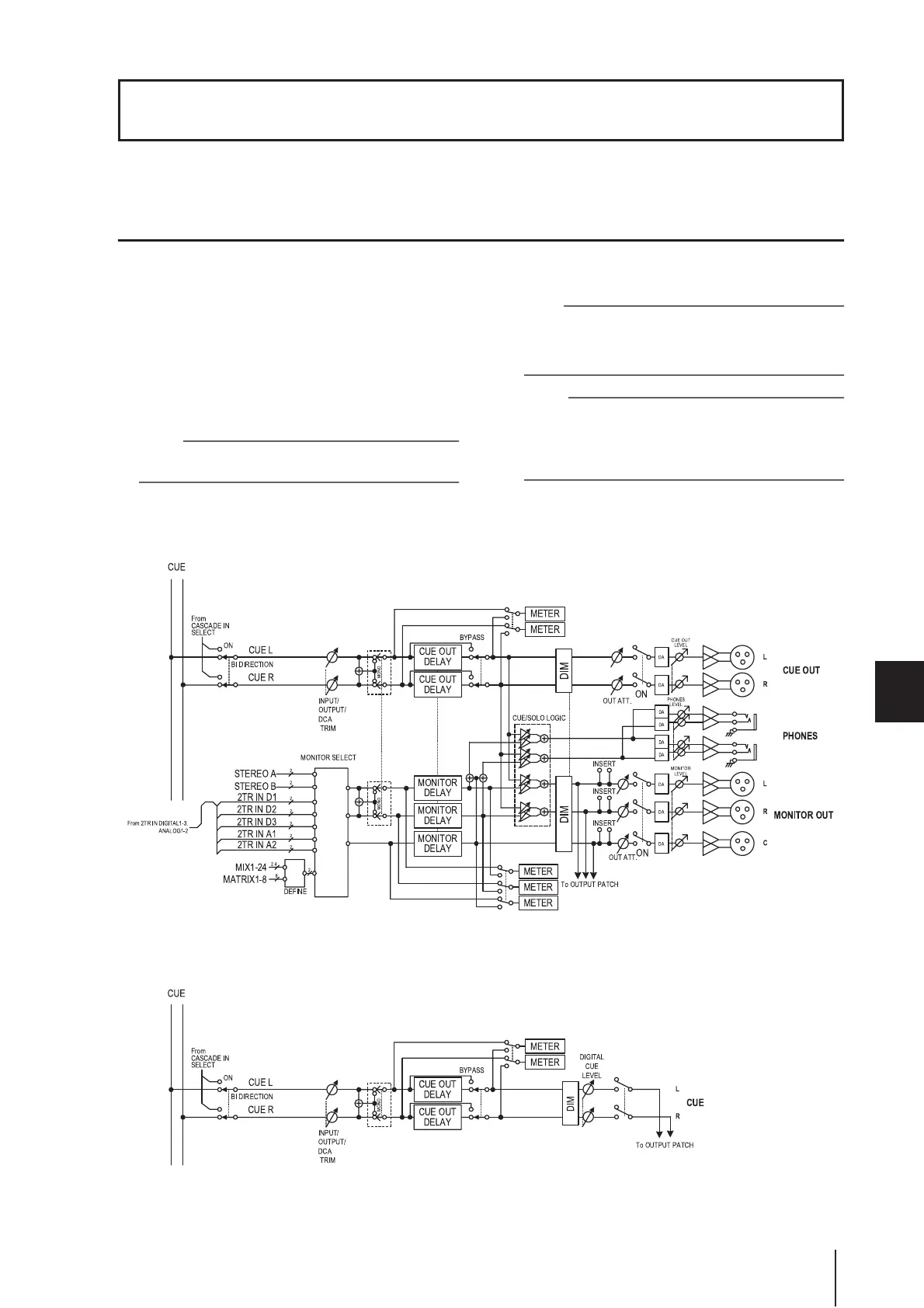
About the MONITOR and CUE sections
The MONITOR section sends the signal selected as the
monitor source to the MONITOR OUT jacks. You can
select the following signals as the monitor source.
The input signal from 2TR IN ANALOG jacks 1/2
The input signal from 2TR IN DIGITAL jacks 1–3
The output signal of the STEREO A/B channels
The output signal of the LCR channels
The output signal of a pre-selected MIX channel 1–24
or MATRIX channel 1–8
Note
If the PM5D is cascade-connected to the DSP5D, the
DSP5D’s cue operations will occur in tandem.
The CUE section sends the cue signal of the channel/group
selected by a panel [CUE] key to the CUE OUT jacks.
Hint
If the CUE INTERRUPTION button is turned on in the MONI-
TOR screen (MON/CUE function), the Cue/Solo signal will
also be sent from the MONITOR OUT jacks when Cue/Solo is
active.
Note
Since the DSP5D does not have monitor functionality, the
keys and knobs of the MONITOR section will always operate
the settings of machine #1 (PM5D).
Similarly, the CUE [LEVEL] knob will always operate the set-
tings of machine #1 (PM5D).
11 Monitor and Cue
DSP5D
ON
PM5D

Table of Contents

Related product manuals