EasyManua.ls Logo

Yamaha DSP5D - Page 52

Yamaha DSP5D
409 pages
Print Icon
To Next Page IconTo Next Page
To Next Page IconTo Next Page
To Previous Page IconTo Previous Page
To Previous Page IconTo Previous Page
Loading...
5 Input channel operations
52 PM5D/PM5D-RH V2 / DSP5D Owner’s Manual Operating section
4
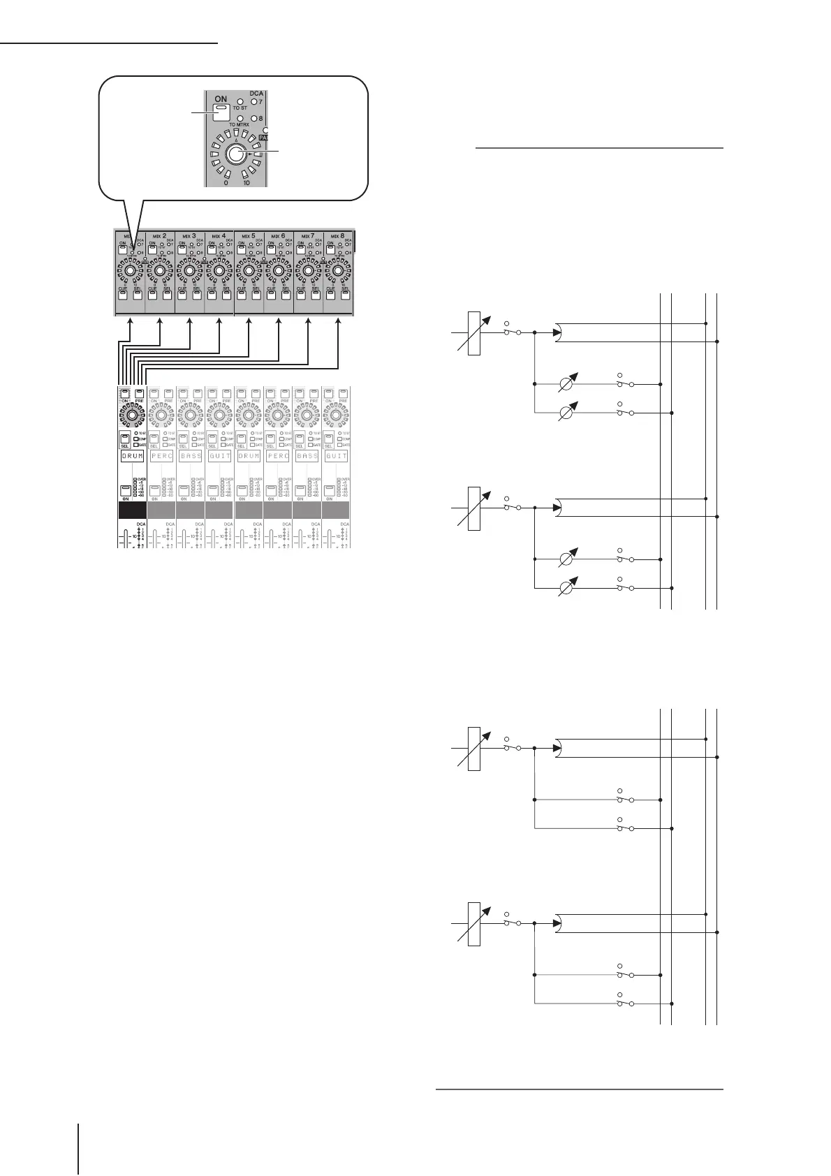
To turn off the signal sent from that channel
to a MIX bus, press the MIX [ON] key to turn it
off.
Press the MIX [ON] key once again to turn it back on.
Note
MIX buses can be switched (in units of two adjacent odd-num-
bered/even-numbered MIX buses) between VARI type (send
levels are variable) and FIXED type (send levels are fixed).
(For details on switching the type
p.299)
If the send-destination MIX bus is set to FIXED mode, the MIX
encoders have no effect; the signal can only be switched on/
off by the MIX [ON] key.
MIX bus
Input channels
Switches the sig-
nal sent from the
input channel to
the MIX bus on/
off.
Adjusts the send
level of the signal
sent from the
input channel to
the MIX bus.
MIX1
MIX2
STEREO L
STEREO R
……
……
FADER
INPUT CHANNEL 1
ON
ON
ON
PAN
MIX1 (VARI)
LEVEL
MIX2 (VARI)
LEVEL
FADER
INPUT CHANNEL 2
ON
ON
ON
PAN
MIX1 (VARI)
LEVEL
MIX2 (VARI)
LEVEL
When sending a signal from an input channel to
a VARI type MIX bus
MIX1
MIX2
STEREO L
STEREO R
……
……
FADER
INPUT CHANNEL 1
ON
ON
ON
PAN
MIX1 (FIX)
MIX2 (FIX)
FADER
INPUT CHANNEL 2
ON
ON
ON
PAN
MIX1 (FIX)
MIX2 (FIX)
When sending a signal from an input channel to
a FIXED type MIX bus

Table of Contents

Related product manuals