EasyManua.ls Logo

Yamaha DSP5D - Page 56

Yamaha DSP5D
409 pages
Print Icon
To Next Page IconTo Next Page
To Next Page IconTo Next Page
To Previous Page IconTo Previous Page
To Previous Page IconTo Previous Page
Loading...
6 Output channel operations
56 PM5D/PM5D-RH V2 / DSP5D Owner’s Manual Operating section
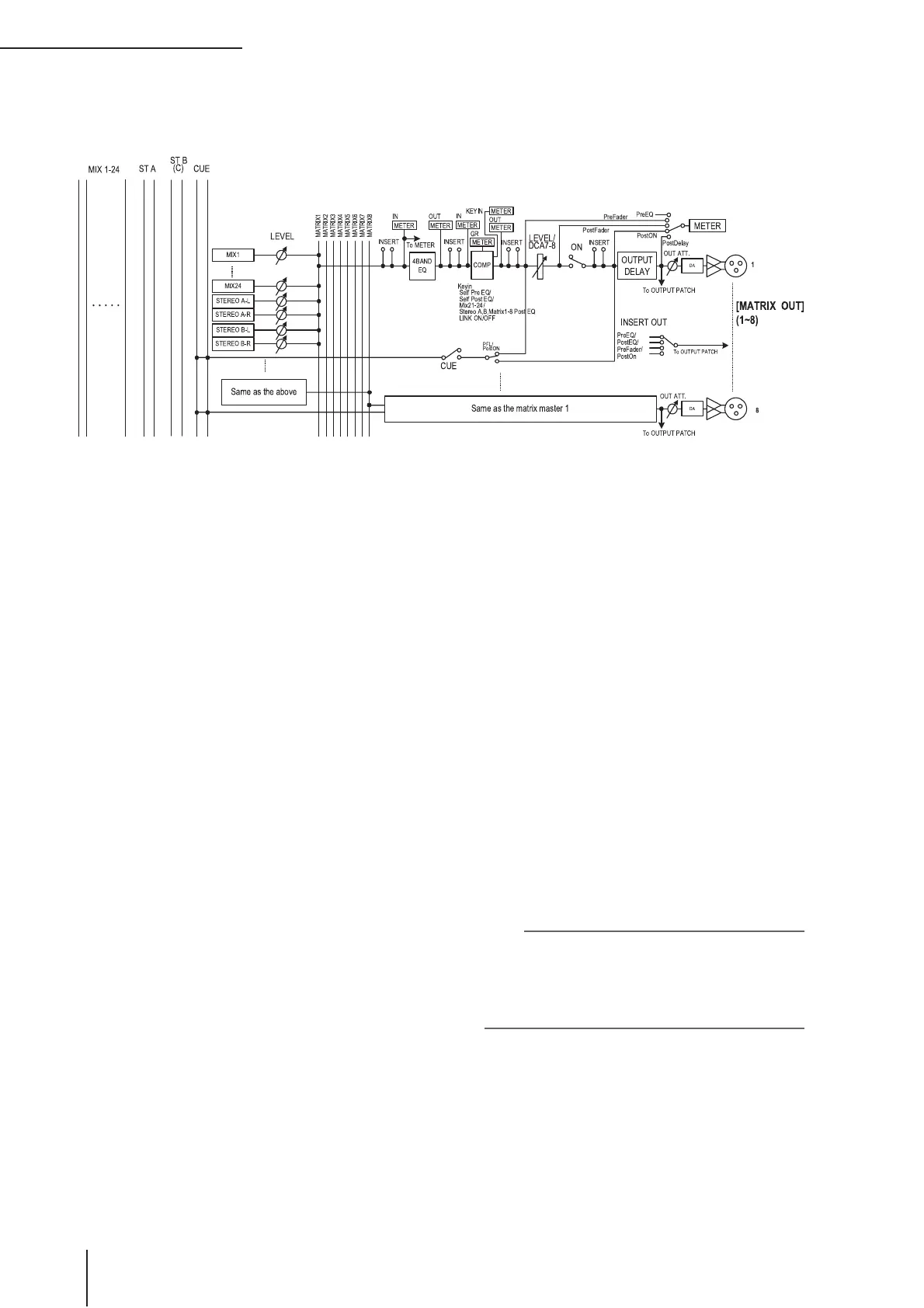
MATRIX channels 1–8
The signals sent from MIX channels or STEREO A/B channels to MATRIX buses are sent via these channels to the MATRIX
OUT jacks.
•8 BAND EQ (8 band equalizer) (MIX channels and
STEREO A/B channels)
This is an eight-band (four upper bands + four lower
bands) parametric EQ.
•4 BAND EQ (4 band equalizer) (MATRIX channels)
This is a four-band (HIGH, HIGH MID, LOW MID,
LOW) parametric EQ.
COMP (Compressor)
This is a dynamics processor that can be used as a com-
pressor, expander, or limiter.
LEVEL
This adjusts the output level of the channel.
ON (On/off)
This switches the channel on/off. If this is off, that
channel will be muted.
OUTPUT DELAY
This delays the output signal. It can be used to make
fine adjustments in the relative timing between
channels.
OUT ATT. (Output attenuator)
This attenuates or boosts the level of the channel’s out-
put signal.
METER
This meter indicates the output level of the output
channel. The level detection point can be switched.
MIX to STEREO (MIX channels)
This is an on/off switch for the signal sent from the
MIX channel to the STEREO bus.
to MATRIX (MIX channels and STEREO A/B
channels)
This is an on/off switch for the signal sent from the
MIX channel to the MATRIX bus.
PAN (MIX channels)
This adjusts the panning of the signal sent from the
MIX channel to the STEREO bus.
BAL (Balance) (STEREO channels)
This adjusts the L/R volume balance of the STEREO
channel.
LCR (Left/Center/Right) (MIX channels)
This sends the three-channel signal (left/right channels
and a center channel) to the STEREO bus.
INSERT
Here you can patch the desired output port and input
port to insert-out/insert-in, allowing an external effect
processor or other device to be inserted. You can
switch the insert-out and insert-in locations.
OUTPUT PATCH
Here, output channels can be assigned to output jacks.
Hint
STEREO A/B channels, and MATRIX channels 1–8 are
always connected to STEREO OUT jacks A/B, and MATRIX
OUT jacks 1–8 respectively. However, you can also make out-
put patch settings to send the signals of these output channels
and MIX channels 1–24 to slots 1–4, the 2TR OUT DIGITAL
jacks or the MIX OUT jacks.

Table of Contents

Related product manuals