EasyManua.ls Logo

Yamaha MX800V - Page 154

Yamaha MX800V
158 pages
Print Icon
To Next Page IconTo Next Page
To Next Page IconTo Next Page
To Previous Page IconTo Previous Page
To Previous Page IconTo Previous Page
Loading...
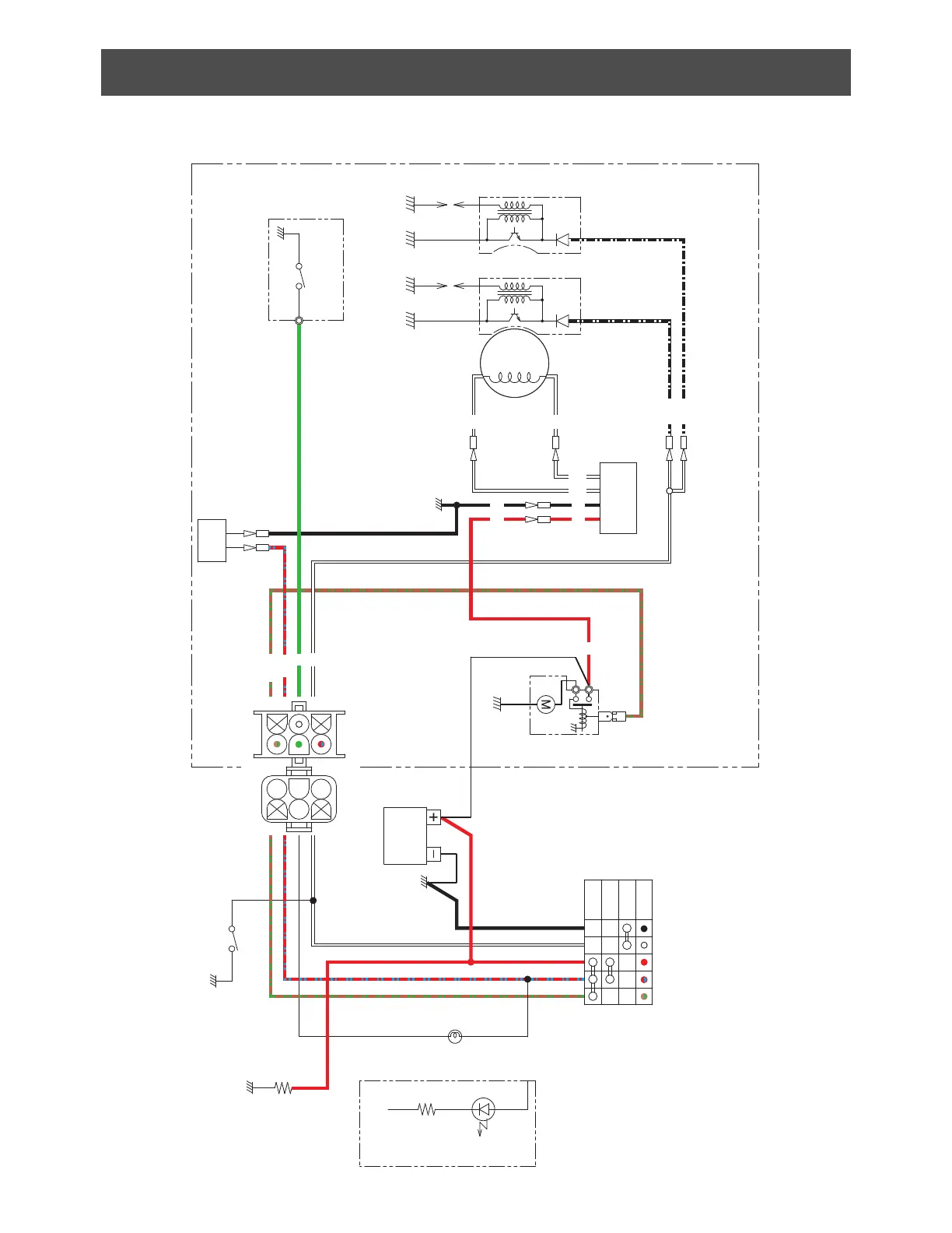
APPENDIX
CIRCUIT DIAGRAM
G
W
W
W
B/W
B/W
B
RR
B
W
W
R
R/L
Br/G
250Ω
LED
OFF
ON
START
2
3
1
2
1
7
8
9
0
w
e
4
5
6
q

Table of Contents

Related product manuals