EasyManua.ls Logo

Yamaha RACK - Page 101

Yamaha RACK
103 pages
Print Icon
To Next Page IconTo Next Page
To Next Page IconTo Next Page
To Previous Page IconTo Previous Page
To Previous Page IconTo Previous Page
Loading...
$'
0(7(5
3UH'*
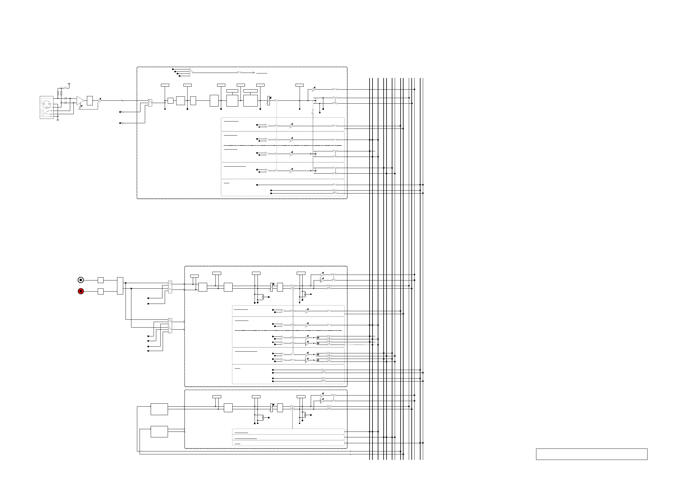
7)5$&.0L[HU%ORFN'LDJUDP
*$,175,0
',*,7$/
*$,1
0(7(5
3UH+3)
+3)
%$1'
(4
0(7(5
(4287
*$7( &203
*50(7(5 *50(7(5
0(7(5
*$7(287
0(7(5
&203287
3UH+3) 3UH)$'(5
21
0(7(5
3RVW)$'(5
3RVW)$'(5
3$1
67
,1387
6(/(&7
3UH)$'(5
3RVW)$'(5
);
21
6(1'
72););
3UH)$'(5
3RVW)$'(5
$8;
21
72$8;
3UH)$'(5
3RVW)$'(5
$8;
21
6(1'
72$8;
$8;67(5(2
3$1
68%
68%/(9(/
3UH)$'(5
&8(
3UH'*
3UH+3)
3UH)$'(5
3RVW)$'(5
',5(&7287
);
$'
G%9
%$
%$
3/$<%$&.5
6/27,1
>67,1@
3RVW(4
3/$<%$&./
,13876(/(&7
&+
3UH'*
);
3$1/,1.
3UH)$'(5
3RVW)$'(5
$8;
21
6(1'
72$8;
3$1
67,1
',*,7$/
*$,1
%$1'
(4
0(7(5
3UH(4
3UH)$'(5/
)$'(5'&$
21
0(7(5
(4287
%$/
3UH)$'(55
3UH)$'(5/5
3RVW)$'(55
3RVW)$'(5/
3RVW)$'(5/5
67
$8;0212
$8;
21
6(1'
72$8;
3UH)$'(5/5
3RVW)$'(5/5
$8;67(5(2
&8(
3UH)$'(5/
3RVW)$'(5/
3UH)$'(55
3RVW)$'(55
$8;
3$16(1'21
3UH)$'(5/
3RVW)$'(5/
3UH)$'(55
3RVW)$'(55
$8;
3$16(1'21
72$8;
);571
%$1'
(4
0(7(5
3UH(4
3UH)$'(5/
)$'(5'&$
21
0(7(5
(4287
%$/
3UH)$'(55
3UH)$'(5/5
3RVW)$'(55
3RVW)$'(5/
3RVW)$'(5/5
67
6DPHDV67,1
72$8;
6DPHDV67,1
72$8;
)$'(5'&$
6(1'
'&$&8(
3RVW3$1/
3RVW3$15
$8;
$8;
$8;
$8;
$8;
$8;
$8;
$8;
21
86%287
0(7(5
3UH'*
0(7(5
3267)$'(5
0(7(5
3267)$'(5
&8(
&8(
3UH)$'(5/
3UH)$'(55
3RVW)$'(5/
3RVW)$'(55
'&$&8(
6DPHDV67,1
&8(
72););
);
21
6(1'
3UH)$'(5/5
3RVW)$'(5/5
67/
675
68%
);
);
$8;
$8;
$8;
$8;
$8;
$8;
$8;
&8(/
&8(5
86%,1
86%,1
,13876(/(&7
$8;0212
&20%2-$&.
9
3RVW3$1/
3RVW3$15


86%,1

6/27,1
6/27,1
68%
68%/(9(/
68%
68%/(9(/
>,1387@

Table of Contents

Related product manuals