EasyManua.ls Logo

Yamaha RACK - Page 102

Yamaha RACK
103 pages
Print Icon
To Next Page IconTo Next Page
To Next Page IconTo Next Page
To Previous Page IconTo Previous Page
To Previous Page IconTo Previous Page
Loading...
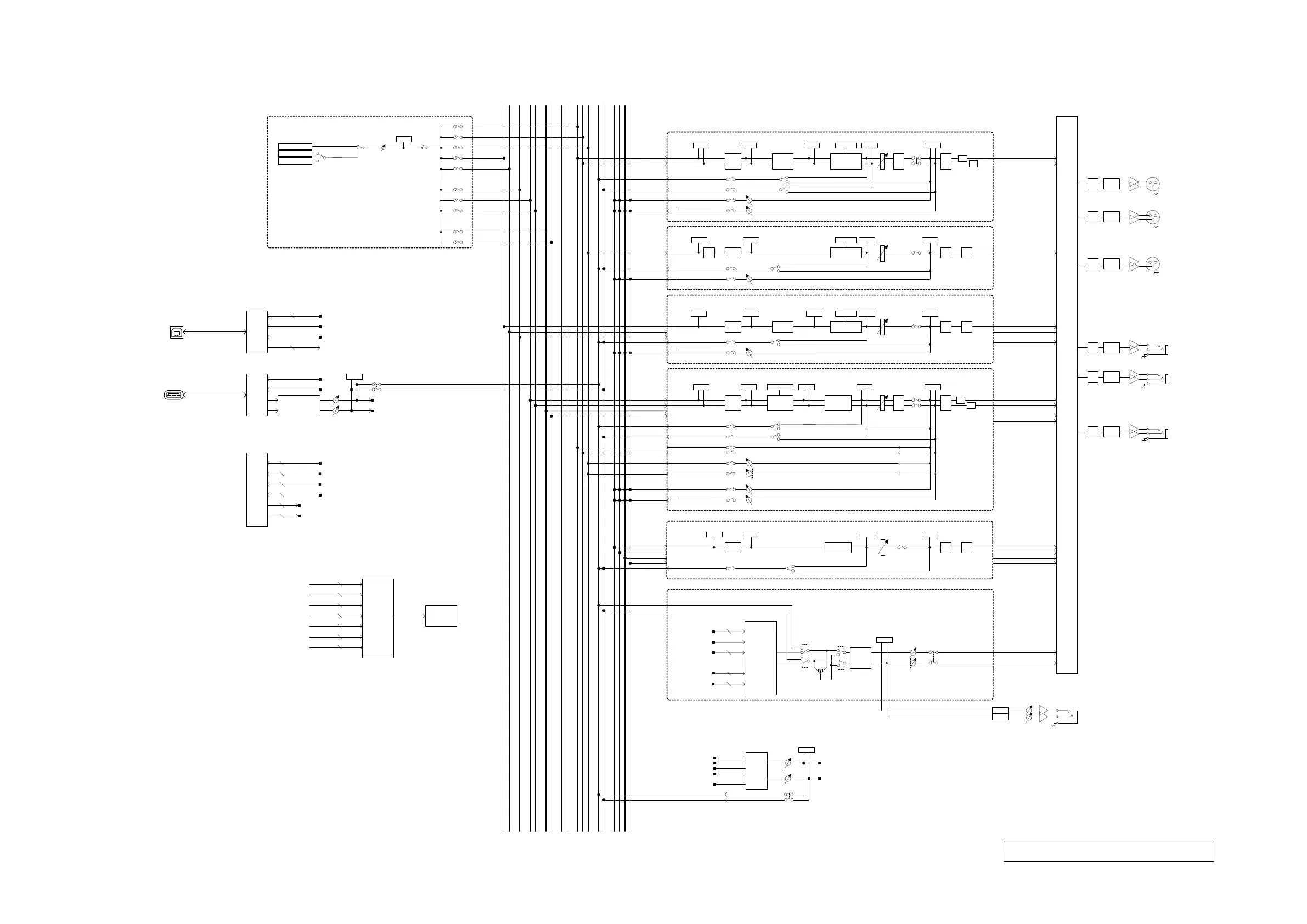
7)5$&.0L[HU%ORFN'LDJUDP
>201,287@
>3+21(6@
021,725/(9(/
/(9(/
21
3LQN1RLVH
%XUVW1RLVH
0(7(5
26&
26&,//$725
6LQH:DYH
67/
675
68%
$8;
$8;
$8;
86%
+267
,)
5(&/
5(&5
3/$<%$&./
3/$<%$&.5
>L3DG@
86%,)
>86%72+267@
',5(&7287
5(&/
5(&5
G%X
3+21(6/(9(/
021,725
6(/(&7
67(5(2287
68%287
67,1
3/$<%$&.
86%,1
&8(/2*,&
0(7(5
3/$<%$&./HYHO
'$
'$
86%,1
$8;
$8;
$8;
$8;
>201,287@
G%X
>201,287@
G%X
'$
'$
'$
201,2873$7&+
&+3UH)$'(5
67,13UH)$'(5
);5713UH)$'(5
$8;3UH)$'(5
$8;3UH)$'(5
6768%3UH)$'(5
,1387
6(/(&725
57$
&8(
'(/$<
0212
75,0
75,0
75,0
0(7(5
21
6DPSOH5DWH
&RQYHUWRU
%$1'
(4
0(7(5
3UH(4
&203
*50(7(5
)$'(5
21
0(7(5
(4287
%$/
$8;
0(7(5
35()$'(5
0(7(5
3267)$'(5
*$,1
0(7(5
,16(57
())(&7
&203287
67/
675
68%
);
);
$8;
$8;
$8;
$8;
$8;
$8;
$8;
&8(/
&8(5
67(5(2
%$1'
(4
0(7(5
3UH(4
)$'(5
21
0(7(5
(4287
0(7(5
&203287
%$/
&8(
&203
*50(7(5
)OH[*(4
0(7(5
3267)$'(5
0(7(5
*(4287
*$,1
68%
/3)
%$1'
(4
0(7(5
35(/3)
)$'(5
21
0(7(5
&203287
&8(
&203
*50(7(5
0(7(5
3267)$'(5
0(7(5
(4287
3UH)$'(5
3RVW)$'(5
*$,1
$8;
%$1'
(4
0(7(5
3UH(4
)$'(5
21
0(7(5
(4287
0(7(5
&203287
&203
*50(7(5
0(7(5
3267)$'(5
0(7(5
*(4287
*$,1)OH[*(4
&8(
3RVW)$'(55
3UH)$'(5/
3UH)$'(55
3RVW)$'(5/
021,725&8(
5(&
6(/(&7
5(&/
5(&5
&8(
5(&/(9(/
0(7(5
67/3UH)$'(5
6753UH)$'(5
$8;3UH)$'(5
$8;3UH)$'(5
$8;3UH)$'(5
67(5(22875
67(5(2287/
68%287
$8;287
$8;287
$8;287
$8;287
$8;287
$8;287
$8;287
021,725287/
021,7252875




6/27
',5(&7287DV6/27287
$8;287DV6/27287
67(5(2287/568%287021,725287
DV6/27287
6/27,1DV&+,1387V
6/27,1DV67,1,1387V



'$75,0
>201,287@
720$75,;
0$75,;
720$75,;
6(1'
&8(
3UH)$'(5
3RVW)$'(5
720$75,;
0$75,;
6(1'
67
0$75,;287DV6/27287
0$75,;
0$75,;
0$75,;
0$75,;
0$75,;287
0$75,;287
0$75,;287
0$75,;287
720$75,;
0$75,;
0$75,;
)$'(5
21
&8(
0(7(5
3267)$'(5
'(/$<
%$1'
(4
0(7(5
(4287
*$,1
3UH)$'(5
0(7(5
35()$'(5
0(7(5
3UH(4
3RVW)$'(5
0$75,;
6(1'
0$75,;
6(1'
0$75,;
6(1'
68%
0$75,;
6(1'
6(1'
'$75,0
>201,287@
'$75,0
>201,287@

Table of Contents

Related product manuals