EasyManua.ls Logo

YASKAWA MP3000 Series - Configuration with the MP3300

YASKAWA MP3000 Series
435 pages
Print Icon
To Next Page IconTo Next Page
To Next Page IconTo Next Page
To Previous Page IconTo Previous Page
To Previous Page IconTo Previous Page
Loading...
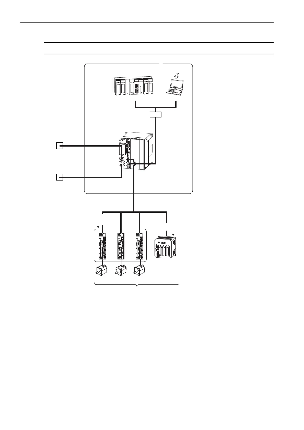
1.2 System Configuration Examples
Configuration with the MP3300
1-4
Configuration with the MP3300
* This manual primarily describes this area.
PC
Host PLC
MP3300
MPE720 Integrated
Engineering Tool Version 7
24-VDC power
supply, AC power
supply, or status
monitoring device
24-VDC power
supply or
AC power supply
*
Up to 21 stations, including I/O (Up to 16 stations can be Servos.)
I/O
Servomotor
Servomotor
Servomotor
Reference-type SERVOPACK
with MECHATROLINK-III
Communications
MECHATROLINK-III
I/O Module with MECHATROLINK-III
Communications
HUB

Table of Contents

Other manuals for YASKAWA MP3000 Series

Related product manuals