EasyManua.ls Logo

ABB REF615 - 8.5.2.4 Changing the Default View; 8.5.2.5 Setting System Time and Time Synchronization

ABB REF615
240 pages
Print Icon
To Next Page IconTo Next Page
To Next Page IconTo Next Page
To Previous Page IconTo Previous Page
To Previous Page IconTo Previous Page
Loading...
GUID-DE498CFB-A256-4275-9A1F-5EF3B09046F4 V1 EN
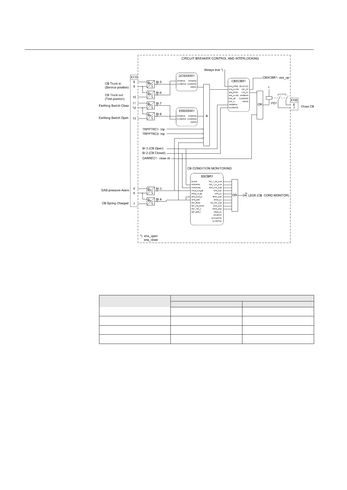
Figure 60: Circuit breaker control
The binary inputs 5 and 6 of the additional card X110 are used for busbar disconnector
(DCSXSWI1) or circuit-breaker truck position indication.
Table 22: Device positions indicated by binary inputs 5 and 6
Primary device position
Input to be energized
Input 5 (X110:8–9) Input 6 (X110:10–9)
Busbar disconnector closed
X
Busbar disconnector open X
CB truck in service position X
CB truck in test position X
The binary inputs 7 and 8 (X110:11-13) are for the position indication of the line side
earthing switch.
The circuit breaker closing is enabled when the ENA_CLOSE input is activated. The
input can be activated by the configuration logic, which is a combination of the
disconnector or breaker truck and earthing switch position statuses and the statuses
of the master trip logics and gas pressure alarm and circuit-breaker spring charging.
The OKPOS output from the DCSXSWI block defines if the disconnector or breaker
truck is definitely either open/in test position or close/in service position. This,
Section 3 1MRS756378 D
REF615 variants
106 REF615
Application Manual

Table of Contents

Other manuals for ABB REF615

Related product manuals