EasyManua.ls Logo

ABB REF615 - Page 182

ABB REF615
240 pages
Print Icon
To Next Page IconTo Next Page
To Next Page IconTo Next Page
To Previous Page IconTo Previous Page
To Previous Page IconTo Previous Page
Loading...
GUID-DD28B178-6102-4CEF-BF81-93A3CFE8D55E V1 EN
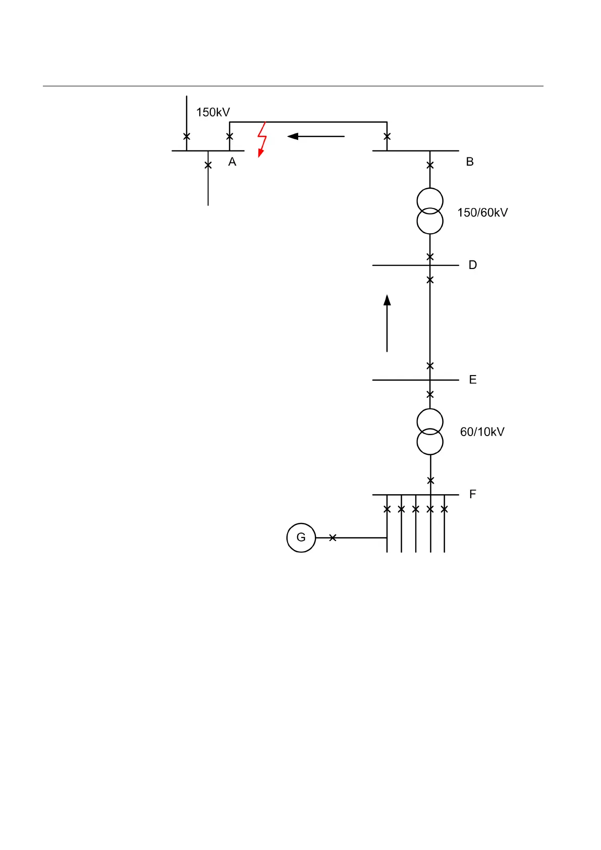
Figure 84: A fault on a radial line resulting in a loss-of-grid condition
Section 5 1MRS756378 D
Protection functions
176 REF615
Application Manual

Table of Contents

Other manuals for ABB REF615

Related product manuals