EasyManua.ls Logo

ABB REF615 - Page 184

ABB REF615
240 pages
Print Icon
To Next Page IconTo Next Page
To Next Page IconTo Next Page
To Previous Page IconTo Previous Page
To Previous Page IconTo Previous Page
Loading...
GUID-A6D0D737-9E83-47B4-A8E6-1543D03F45E9 V1 EN
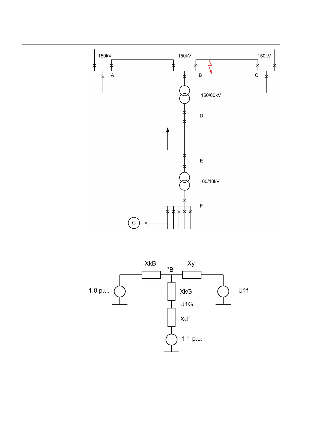
Figure 86: Overreaching distance relays give rise to a loss-of-grid situation at a
line fault
GUID-7D702BF5-3937-4273-8964-EE8995601B3C V1 EN
Figure 87: Equivalent circuit used in the calculation
Section 5 1MRS756378 D
Protection functions
178 REF615
Application Manual

Table of Contents

Other manuals for ABB REF615

Related product manuals