EasyManua.ls Logo

ABB REF615 - Page 204

ABB REF615
240 pages
Print Icon
To Next Page IconTo Next Page
To Next Page IconTo Next Page
To Previous Page IconTo Previous Page
To Previous Page IconTo Previous Page
Loading...
GUID-C5A6BB27-36F9-4652-A5E4-E3D32CFEA77B V1 EN
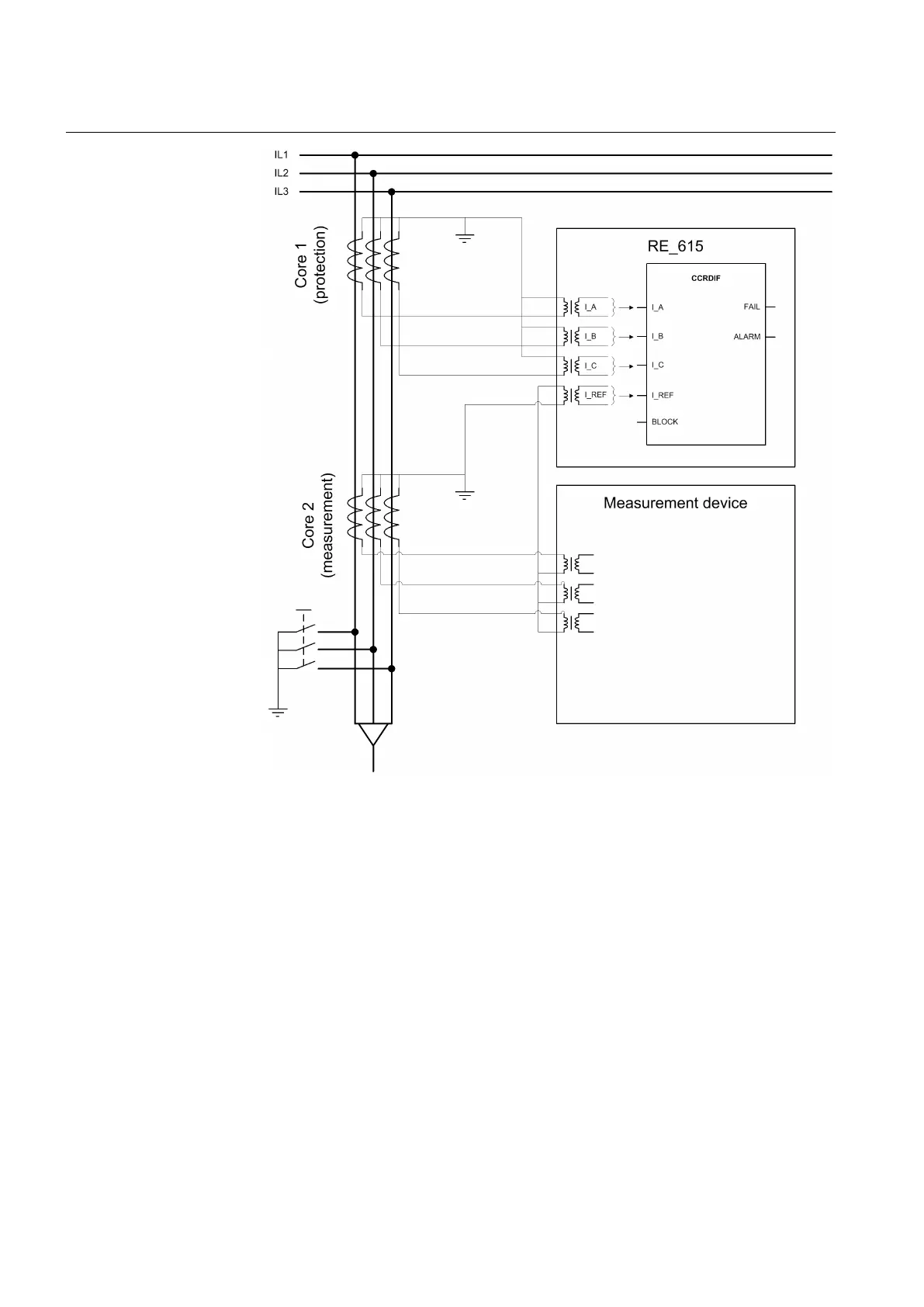
Figure 100: Connection diagram for current circuit supervision with two sets of
three-phase current transformer cores (protection and
measurement)
Example of incorrect connection
The currents must be measured with two independent cores, that is, the phase currents
must be measured with a different core than the reference current. A connection
diagram shows an example of a case where the phase currents and the reference
currents are measured from the same core.
Section 7 1MRS756378 D
Supervision functions
198 REF615
Application Manual

Table of Contents

Other manuals for ABB REF615

Related product manuals