EasyManua.ls Logo

ABB REF615 - 4.2.3 Identifying the Device

ABB REF615
240 pages
Print Icon
To Next Page IconTo Next Page
To Next Page IconTo Next Page
To Previous Page IconTo Previous Page
To Previous Page IconTo Previous Page
Loading...
A071328 V3 EN
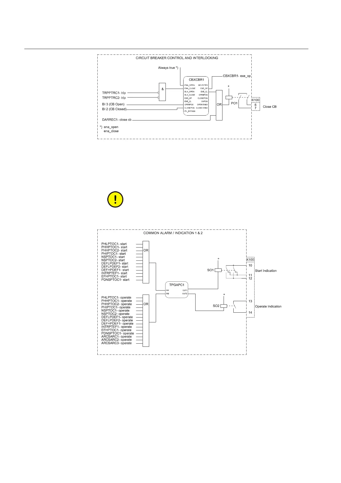
Figure 15: Circuit breaker control
The ENA_CLOSE input, that is, enable the closing of the circuit breaker, in the
breaker control function block CBXCBR is a combination of the status of the Master
Trip. The open operation is always enabled.
If the ENA_CLOSE signal is completely removed from the breaker
control function block CBXCBR with SMT, the function assumes
that the breaker close commands are allowed continuously.
A071330 V3 EN
Figure 16: Alarm indication
The signal outputs from the IED are connected to give dedicated information on:
start of any protection function SO1 (X100:10-12)
operation (trip) of any protection function SO2 (X100:13-15).
Section 3 1MRS756378 D
REF615 variants
44 REF615
Application Manual

Table of Contents

Other manuals for ABB REF615

Related product manuals