EasyManua.ls Logo

ABB REF615 - 5.3 IED Parametrization; 5.3.1 IED Settings for Functionality

ABB REF615
240 pages
Print Icon
To Next Page IconTo Next Page
To Next Page IconTo Next Page
To Previous Page IconTo Previous Page
To Previous Page IconTo Previous Page
Loading...
A071360 V3 EN
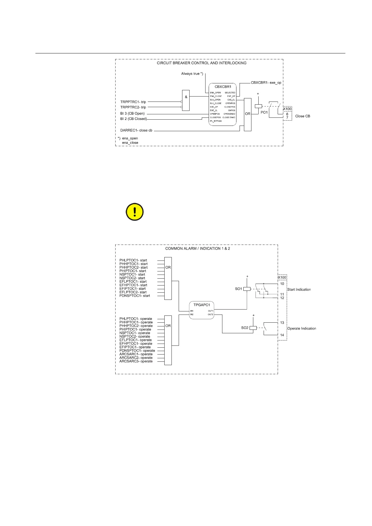
Figure 31: Circuit breaker control
The ENA_CLOSE input, that is, enable the closing of the circuit breaker, in the
breaker control function block CBXCBR is a combination of the status of the Master
Trip. The open operation is always enabled.
If the ENA_CLOSE signal is completely removed from the breaker
control function block CBXCBR with SMT, the function assumes
that the breaker close commands are allowed continuously.
A071362 V3 EN
Figure 32: Alarm indication
The signal outputs from the IED have been connected to give dedicated information
on:
start of any protection function SO1 (X100:10-12)
operation (trip) of any protection function SO2 (X100:13-14).
1MRS756378 D Section 3
REF615 variants
REF615 67
Application Manual

Table of Contents

Other manuals for ABB REF615

Related product manuals