EasyManua.ls Logo

ABB REF615 - Page 98

ABB REF615
240 pages
Print Icon
To Next Page IconTo Next Page
To Next Page IconTo Next Page
To Previous Page IconTo Previous Page
To Previous Page IconTo Previous Page
Loading...
together with the open earthing switch and non-active trip signals, activates the close-
enable signal to the circuit breaker control function block. The open operation is
always enabled. The autorecloser close command signals are directly connected to
the output contact PO1 (X100:6-7).
If the ENA_CLOSE signal is completely removed from the breaker
control function block CBXCBR with SMT, the function assumes
that the breaker close commands are allowed continuously.
The ITL_BYPASS input can be used, for example, to always enable the closing of
the circuit breaker when the circuit breaker truck is out in the test position, despite of
the interlocking conditions being active when the circuit breaker truck is closed in
service position.
The circuit breaker condition monitoring function (SSCBR) supervises the circuit
breaker status based on the binary input information connected and measured current
levels. The function introduces various supervision methods. The corresponding
supervision alarm signals are routed to LED 8.
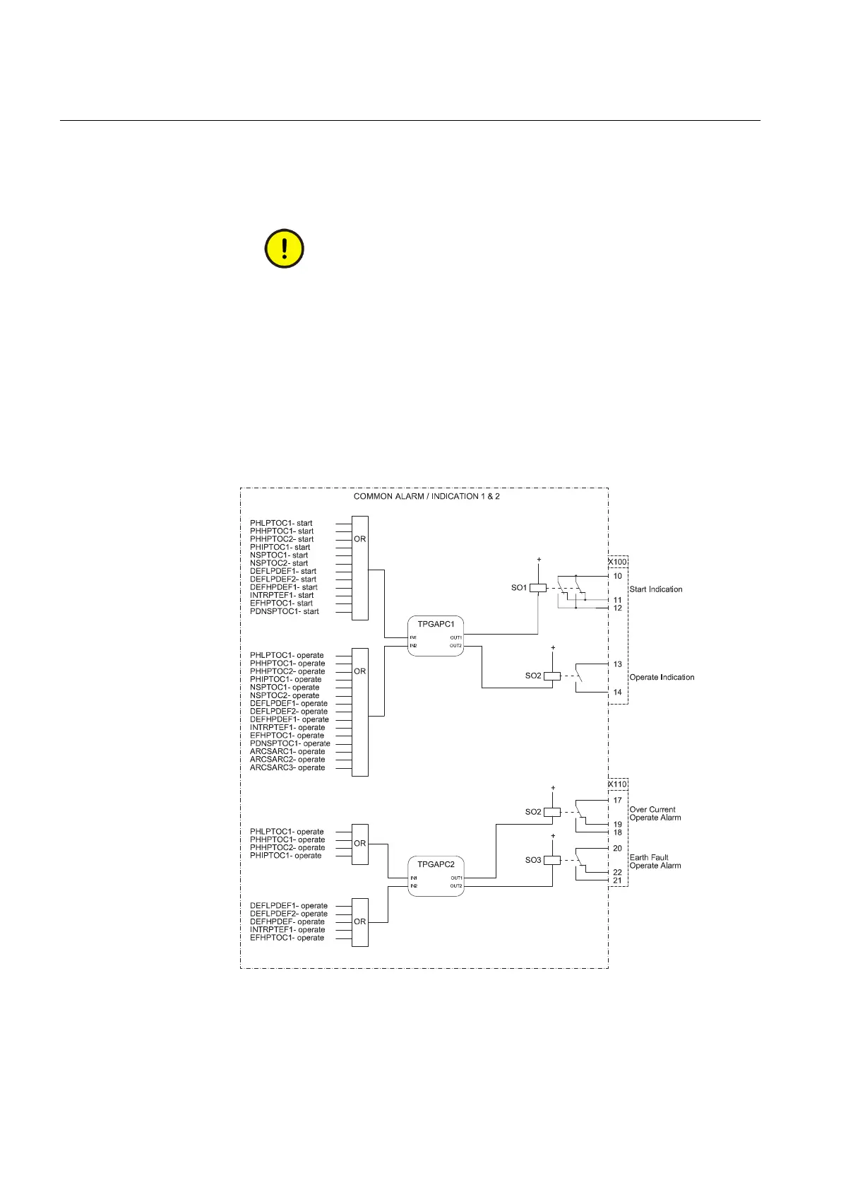
GUID-572DA8CC-7A7D-4F9F-87C5-272A4283FB3E V1 EN
Figure 49: Alarm indication
The signal outputs from the IED are connected to give dedicated information on:
Section 3 1MRS756378 D
REF615 variants
92 REF615
Application Manual

Table of Contents

Other manuals for ABB REF615

Related product manuals