EasyManua.ls Logo

Abov MC96F6432Q - Figure 11.87 USI1 SPI Block Diagram

Default Icon
327 pages
Print Icon
To Next Page IconTo Next Page
To Next Page IconTo Next Page
To Previous Page IconTo Previous Page
To Previous Page IconTo Previous Page
Loading...
MC96F6432
246 June 22, 2018 Ver. 2.9
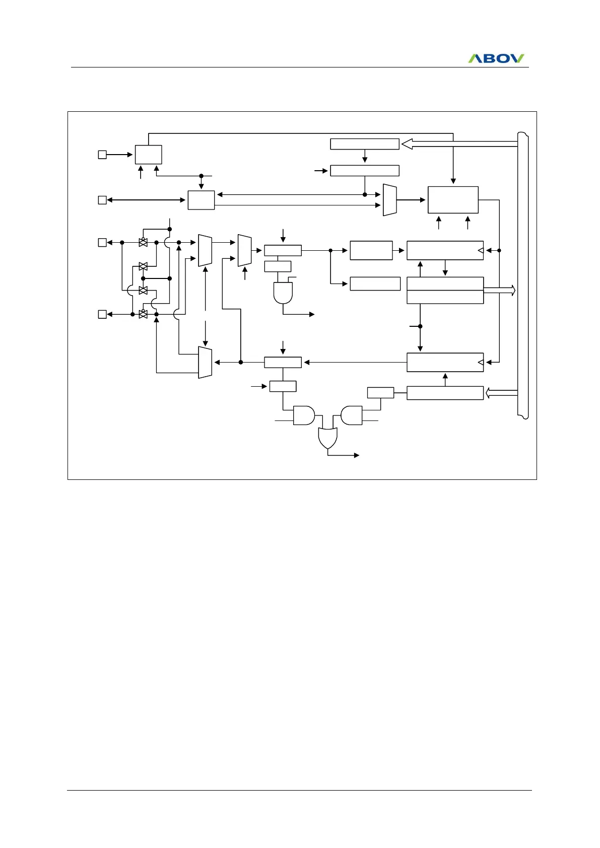
11.13.13 USI1 SPI Block Diagram
RXCIE1
Rx Control
Receive Shift Register
(RXSR)
Data
Recovery
DOR1 Checker USI1DR[0], (Rx)
Tx Control
Transmit Shift Register
(TXSR)
USI1DR, (Tx)
I
N
T
E
R
N
A
L
B
U
S
L
I
N
E
M
U
X
LOOPS1
TXC1
TXCIE1 DRIE1
DRE1
Empty signal
To interrupt
block
INT_ACK
Clear
RXC1
Baud Rate Generator
USI1BD
TXE1
SCLK
(fx: System clock)
MISO1
MOSI1
M
U
X
MASTER1
D
E
P
FXCH1
SCK1
SCK
Control
MASTER1
RXE1
To interrupt
block
M
U
X
Edge Detector
And
Controller
SS1
SS
Control
CPHA1CPOL1
ORD1
(MSB/LSB-1st)
USI1DR[1], (Rx)
USI1SSEN
Figure 11.87 USI1 SPI Block Diagram

Table of Contents

Related product manuals