EasyManua.ls Logo

Agria 3400 - Page 13

Agria 3400
92 pages
Print Icon
To Next Page IconTo Next Page
To Next Page IconTo Next Page
To Previous Page IconTo Previous Page
To Previous Page IconTo Previous Page
Loading...
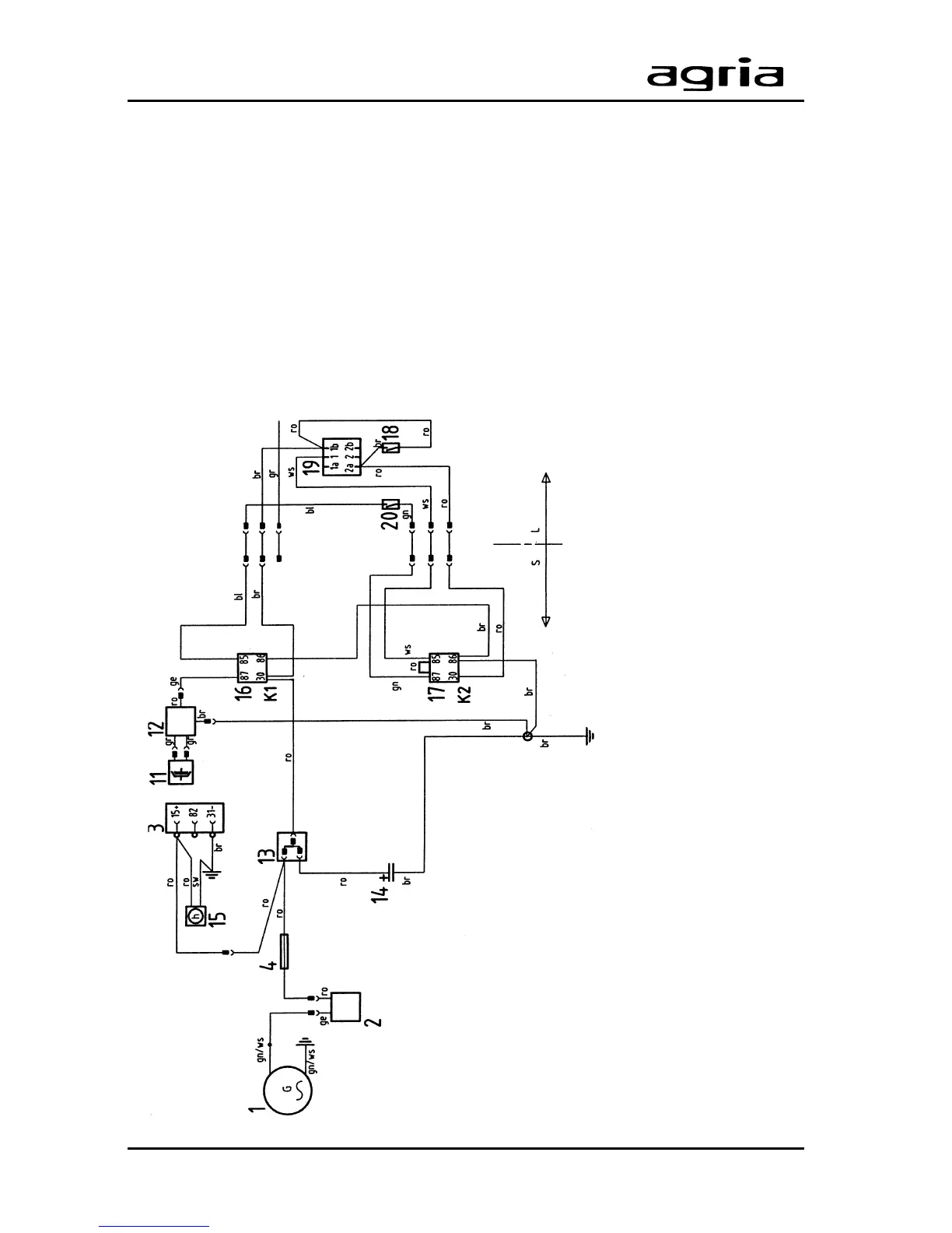
agria Two-Wheel Tractor 3400; 3400 KL 13
Electrical Wiring
Diesel Engine / Recoil Starter Version
1 Generator 12 V
2 Regulator
3 Socket
4 10 A flat plug fuse
11 Solenoid clutch
12 Soft start module
13 Distributor
14 Electrolytic capacitor
15 Operating hour counter
16 Relay
17 Relay
18 Switch, open (dead man's handle)
19 Press switch
20 Switch, closed (clutch lever)
ge = yellow
gn = green
gr = grey
ro = red
bl = blue
br = brown
ws = white
L = Steering Handle
S = Switching Unit/
Engine

Related product manuals