EasyManua.ls Logo

Airo A Series - Page 106

Airo A Series
122 pages
Print Icon
To Next Page IconTo Next Page
To Next Page IconTo Next Page
To Previous Page IconTo Previous Page
To Previous Page IconTo Previous Page
Loading...
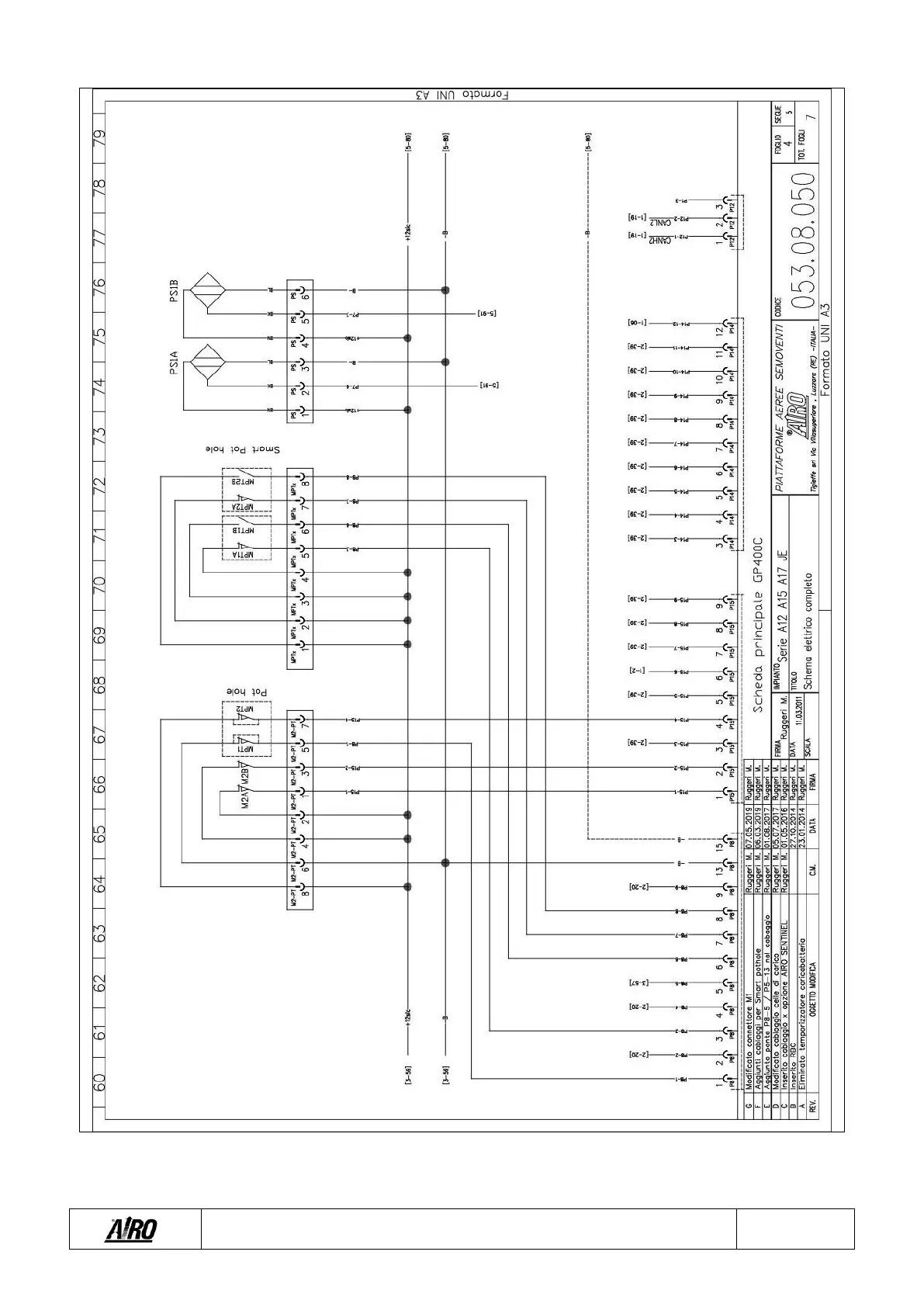
Use and Maintenance Manual A12 JE A15 JE A17 JE A12 JED A15 JED
Series
Page 106

Table of Contents