EasyManua.ls Logo

Amada Vipros 357 Queen - Elevation View - Vipros 357 Queen

Amada Vipros 357 Queen
37 pages
Print Icon
To Next Page IconTo Next Page
To Next Page IconTo Next Page
To Previous Page IconTo Previous Page
To Previous Page IconTo Previous Page
Loading...
Vipros 357 Queen with Fanuc 18PC User Pre-installation Guide ©Amada America, Inc.
Print Date 01/24/2001 Revision 4.0 This document available on the World Wide Web at http://www.amada.com Page 18 of 37
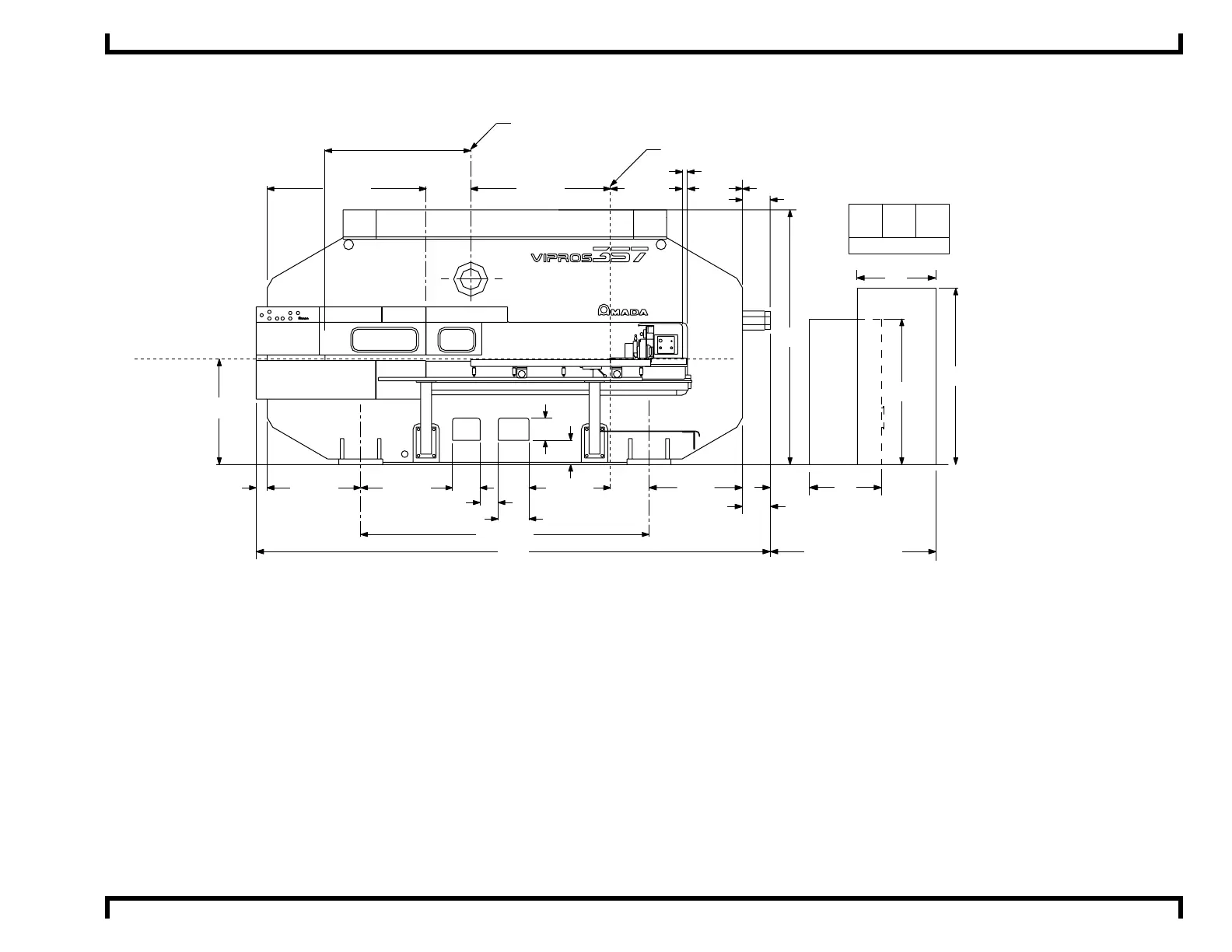
Elevation View - Vipros 357 Queen
Hydraulic
Unit
Fanuc
Control
Y-axis 0" Reference
Center of Track 200
90.9"
63.0"
52.0"
10.0"
19.7"
1.8"
25.8"56.9"
52.2"
Throat Depth
15.9" 50.0"
37.7"*
103.1"
13.8"29.1"
11.0"
6.5"
9.8"32.9"3.9" 33.5"
7.9"
8.7"
QUEEN
12"12" 12"
Scale
Material Pass Line
*Material Pass Line will vary with installed options
184"
33.5"
14"
28"
26"
9.9"
59.37" Maximum

Table of Contents

Related product manuals