EasyManua.ls Logo

AMD VCU118 - Page 69

AMD VCU118
132 pages
Print Icon
To Next Page IconTo Next Page
To Next Page IconTo Next Page
To Previous Page IconTo Previous Page
To Previous Page IconTo Previous Page
Loading...
VCU118 Board User Guide 69
UG1224 (v1.5) March 15, 2023
Chapter3: Board Component Descriptions
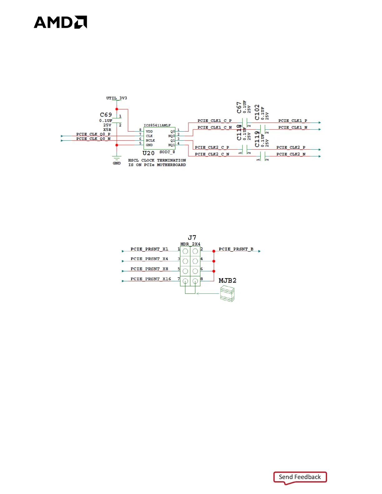
The PCIe clock is routed to a 1-to-2 ICS85411A clock buffer U20. The Q0 output of U20 is
wired to the GTY225 MGTHREFCLK0 input (see Table 3-15). The Q1 output of U20 is wired to
the GTY227 MGTHREFCLK0 input (see Table 3-17). The 1-to-2 U20 PCIe clock buffer circuit
is shown in Figure 3-11.
PCIe lane width/size is selected by jumper J7 shown in Figure 3-12. The default lane size
selection is 16-lane (J7 pins 7 and 8 jumpered).
X-Ref Target - Figure 3-11
Figure311: PCIe Clock
X17998-100416
X-Ref Target - Figure 3-12
Figure312: PCI Express Lane Size Select Jumper J7
X17997-100416
Send Feedback

Table of Contents

Related product manuals