EasyManua.ls Logo

Amitek ABT30A - Page 70

Amitek ABT30A
Print Icon
To Next Page IconTo Next Page
To Next Page IconTo Next Page
To Previous Page IconTo Previous Page
To Previous Page IconTo Previous Page
Loading...
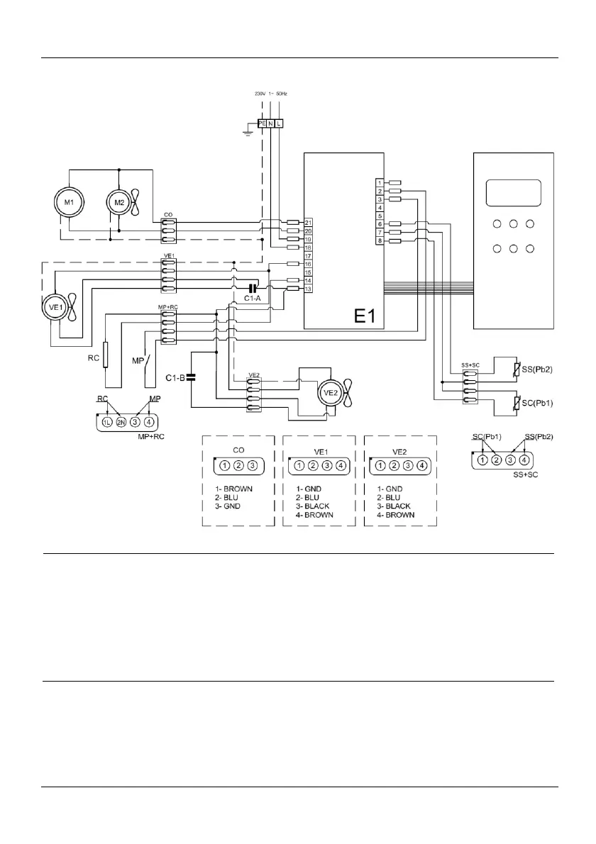
- 70 - ALLEGATI - ATTACHEMENTS - PIECES JOINTES - ANHÄNGE
ABT100A
MP
Micro porta magnetico - Door micro-switch - Micro porte - Tür-Mikroschalter
C1
Condensatore ventola - Evaporator condenser - Condenseur évaporateur - Verdampfer Kondensator
E1
Scheda di potenza e comando - Power and control board - Carte de puissance et commande - Netzkarte und Befehl
M1
Compressore - Compressor - Compresseur - Kompressor
M2
Ventola condensatore - Condenser fan - Ventilateur condenseur - Verflüssigerventilator
M3
Ventola evaporatore - Evaporator fan - Ventilateur évaporateur - Verdampferventilator
Pb1
Sonda temperatura - Room probe - Sonde température - Temperaturfühler
Pb2
Sonda al cuore - Needle probe - Sonde à cœur - Kernfühler
RC
Resistenza cornice - Frame resistance - Résistance cadre - Rahmenheizung

Table of Contents