EasyManua.ls Logo

Ammann ARX 23-2C - Page 183

Ammann ARX 23-2C
196 pages
Print Icon
To Next Page IconTo Next Page
To Next Page IconTo Next Page
To Previous Page IconTo Previous Page
To Previous Page IconTo Previous Page
Loading...
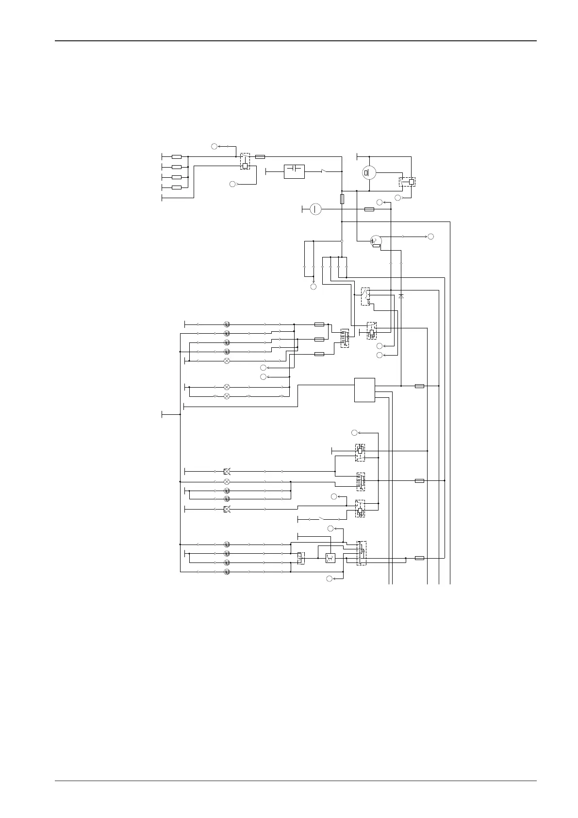
179ARX 23-2 T4i, ARX 26-2 T4i
7,5 A
X19: 1 X9: 3
7,5 A
15 A
X19: 3
1
+
2
3
X9: 6X21: 1X21: 3
15 A
1
+
2
3
X2: 28
X2: 5X9: 1
X12: 1X12: 3
6
3
1
5
7
4
2
5 A
X2: 17
X2: 25
X2: 1
+
1
2
X9: 12
X9: 10
X16: 4
X10: 4
X2: 18
X2: 26
5 A
M
30
31
50
K10
12V 77Ah
50 A
7,5 A
M
G
IG
L
+
B-
P
X2: 23
X2: 24
X12: 2
X2: 6
X2: 34X12: 4
X2: 19
X2: 21
X2: 27
X16: 2
X10: 2
X9: 9
X9: 11
X12: 5
X9: 2
X12: 6
X2: 4
X10: 1
X11: 1
X16: 1
X9: 5
X10: 3
X9: 8
X11: 2
X16: 3
X21: 5 X21: 4
X19: 5 X19: 4
49
31
C
49a
70 A
30
15/54
17
19
50a
Q
X2: 2
X25: 1
X24: 1
X25: 2
X24: 2
X30
L
K
M
N
X
V
J
O
Z
X1: 9
X1: 16
B
30
87
87a
86
85
30
87
87a
86
85
W
30
87
87a
86
85
X60: 2 X60: 1
X62:
1X62: 2
R
25
22
26
21
U
X2:10
X1: 18
X1: 8
X1: 10
X1: 12
X1: 14
X1: 7
H
L
1
F1
F2
F3
E22
E2
E1
F8
M1
G1
Q1
R1.1
R1.2
R1.3
F30
K20
F22
M3
E12
E16
E14
E15
G2
F20
S1
K12
R1.4
V1
S9
F4
S10E21
E3
S11
F5
S12
E23
E24
K11
E20
E18
E17
E19
K5
K6
S41
E27
A4
2 3 4 5
38177D_1en
MAINTENANCE MANUAL

Table of Contents

Related product manuals