EasyManua.ls Logo

Ammann ARX 23-2C - Page 189

Ammann ARX 23-2C
196 pages
Print Icon
To Next Page IconTo Next Page
To Next Page IconTo Next Page
To Previous Page IconTo Previous Page
To Previous Page IconTo Previous Page
Loading...
185ARX 23-2 T4i, ARX 26-2 T4i
80 ccm
140
P
T
R
L
175175
2400
rpm
108108
T
P
M2
C
B
B1
A
Y5
Y6
3 bar
T
P A1.2
A1.1
Y2
in
out
2,5 bar
0,4 bar
398
L
R
T
8
15L 16S
T
8
16S 15L
T
398
R
L
T
B
G
R
T2 X1 X2
375
375
25
28
T1
PS
Fe
S
MB
MA A
15 bar
P
T
AB
8
14
A
B
B1
A1
T
M2
T
31 ND :03 soP31 ND :02 soP
Pos 22: DN 8
Pos 41: DN 10
Pos 23: DN 8
Pos 21: DN 13
Pos 31: DN 13
Pos 33: DN 8
Pos 32: DN 8
Pos 7: DN 25
Pos 1: DN 19
Pos 6: DN 13
Pos 12: DN 8
Pos 11: DN 19
Pos 5: DN 13
Pos 2: DN 10
Pos 8: DN 13
Pos 9: DN 16
Pos 10: DN 16
Pos 25: DN 13
Pos 34: DN 13
Pos 35: DN 13
Pos 26: DN
8
Pos 70: DN 13
Pos 71: DN 13
Pos 72: DN 8
Pos 74: DN 8Pos 73: DN 8
Pos 36: DN 8
Pos 4: DN 10 Pos 3: DN 10
S52
S53
Pos 13: DN 13
Y3 Y4
Y12
Y13
Y11
1
10
7
3 4
30
8 9
5
71
70
6
11
12
13
2
14
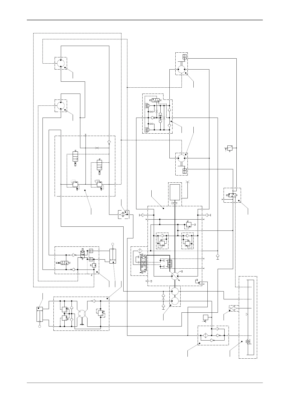
Front hydromotor Rear hydromotor
Front
hydromotor
Rear
hydromotor
Fittings
Fittings
Fittings
Fittings
Fittings
Fittings
Travel pump
Diesel engine
Vibration block
Edge cutter block
Back-suction lter
Steering cylinder
Edge cutter cylinder
Steering unit
Cooler
Brake block
Hydraulic tank
Vibro-steering
pumps
Flow divider
Fittings
43424_en
MAINTENANCE MANUAL

Table of Contents

Related product manuals