EasyManua.ls Logo

Answer Drives GT3000 - Page 53

Answer Drives GT3000
128 pages
Print Icon
To Next Page IconTo Next Page
To Next Page IconTo Next Page
To Previous Page IconTo Previous Page
To Previous Page IconTo Previous Page
Loading...
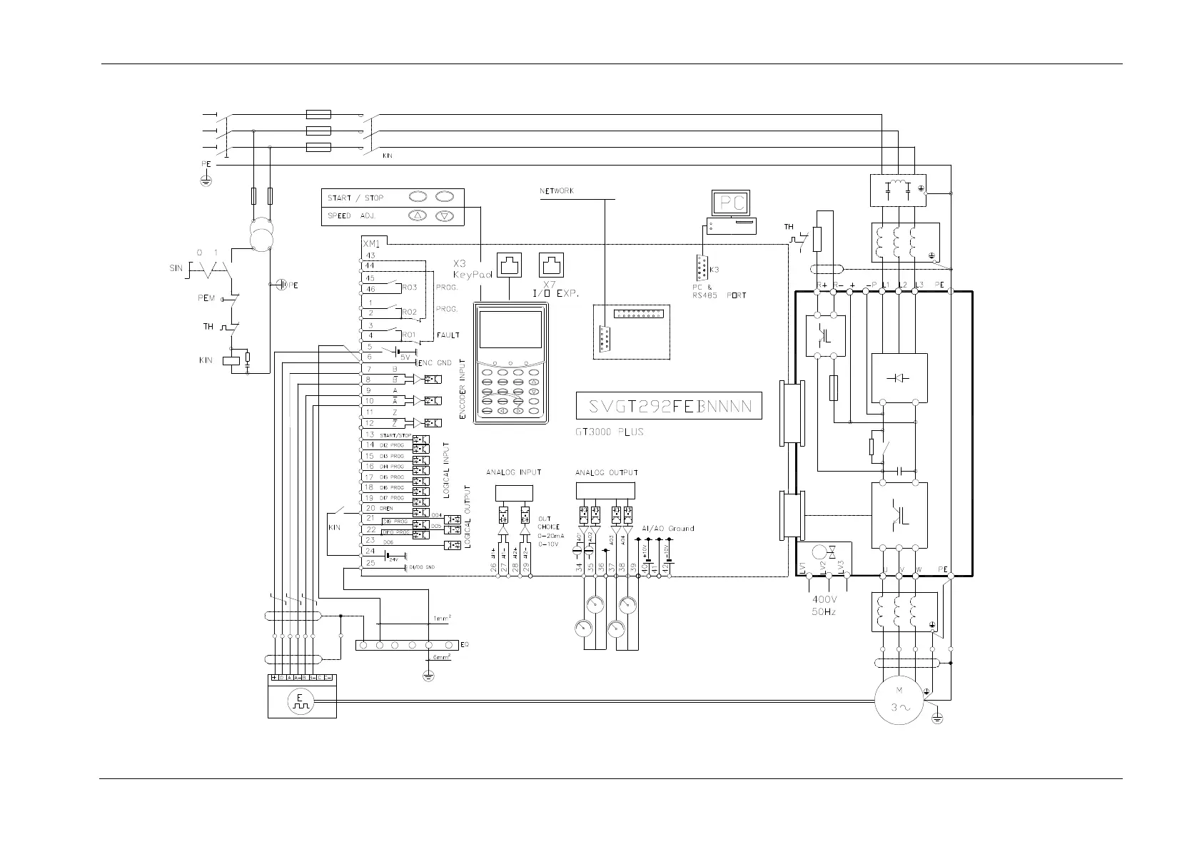
Installation GT3000
IMGT30004EN 41
Connection example: GT3000 to microprocessor plus control board
MAN STOP
Meter
8
7
0
Help
1
Motor
STOP
4
Auto
DvProt
ON
2
Drive
MAN
5
Main
9
Canc.
SHIFT
RUN
RESET
Enter
Fault
3
Stab
AUTO
6
Logs
Comm
REMOTE CONTROL OPERATOR