EasyManua.ls Logo

Answer Drives GT3000 - Page 56

Answer Drives GT3000
128 pages
Print Icon
To Next Page IconTo Next Page
To Next Page IconTo Next Page
To Previous Page IconTo Previous Page
To Previous Page IconTo Previous Page
Loading...
GT3000 Installation
44 IMGT30004EN
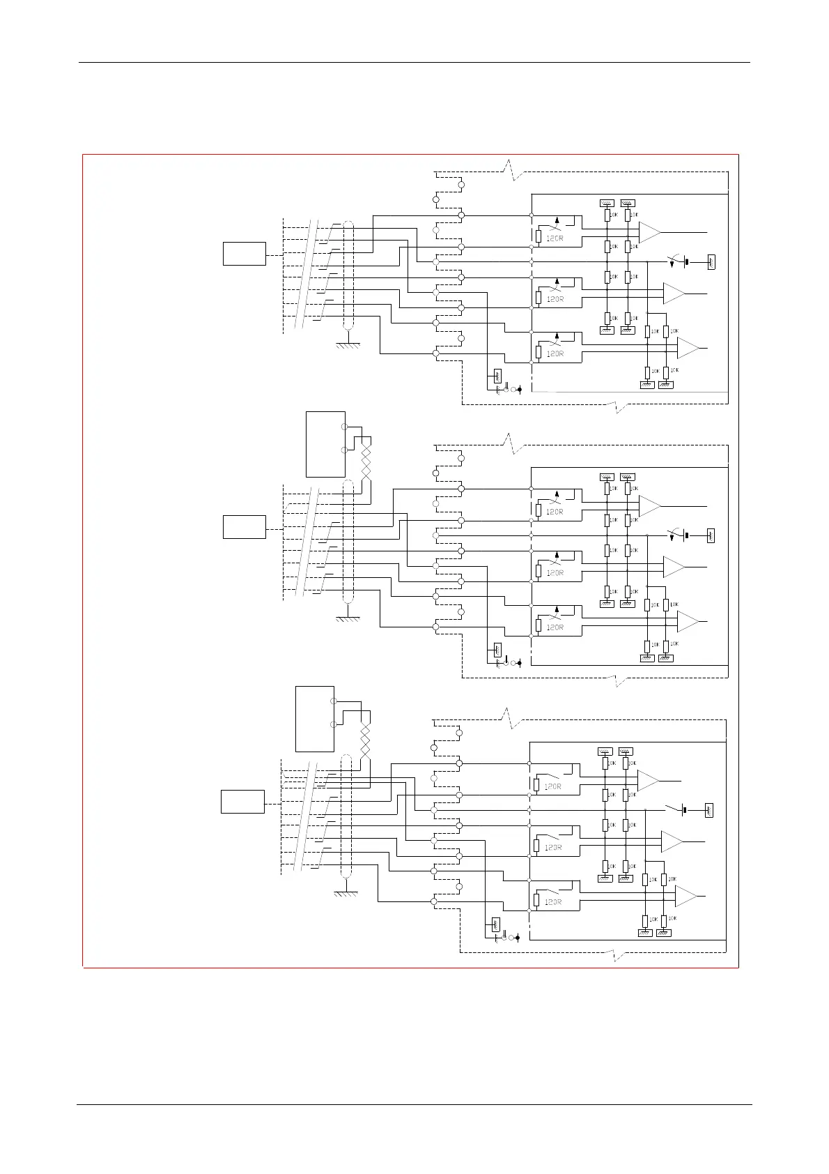
SCADA PLUS board: Encoder connections
Figure 3A.6.3.2
6
0Venc
B/
SW1-4:OFF
SW1-3:OFF
SW1-2:OFF
Encoder push pull,
external supply 12/24V.
Microprocessor Board Plus
SW1-4:ON
Encoder
5
A
6
12
11
B/
Z
Z/
B
A/
0Venc
8
7
Z/
JP23
Z
B/
B
12
11
Z/
Z
4
3
10
9
A/
A
8
Z/
JP23
Z
B/
SW1-1:OFF
5Venc
Encoder Expansion
Board
Encoder line driver 5V,
external supply 5/24V.
Microprocessor Board Plus
Microprocessor Board Plus
SW1-3:ON
SW1-2:ON
SW1-3:ON
SW1-2:ON
SW1-4:ON
Encoder line driver 5V,
internal supply.
Encoder
Encoder
Z
5
12
+24V
0V
B
A/
A
4
7
10
3
9
B
A/
A
Z/
JP23
11
6
5
A/
Z/
Z
B
B/
+5Venc
0Venc
A
0Venc
8
7
4
3
10
9
B/
B
A/
A
5Venc
Encoder Expansion
Board
SW1-1:ON
SW1-1:ON
Encoder Expansion
Board
5Venc
0V
+24V
SW1-1=ON,SW1-2=ON,
SW1-3=ON,SW1-4=ON
SW1-1=ON,SW1-2=ON,
SW1-3=ON,SW1-4=ON
SW1-1=OFF,SW1-2=OFF,
SW1-3=OFF,SW1-4=OFF