EasyManua.ls Logo

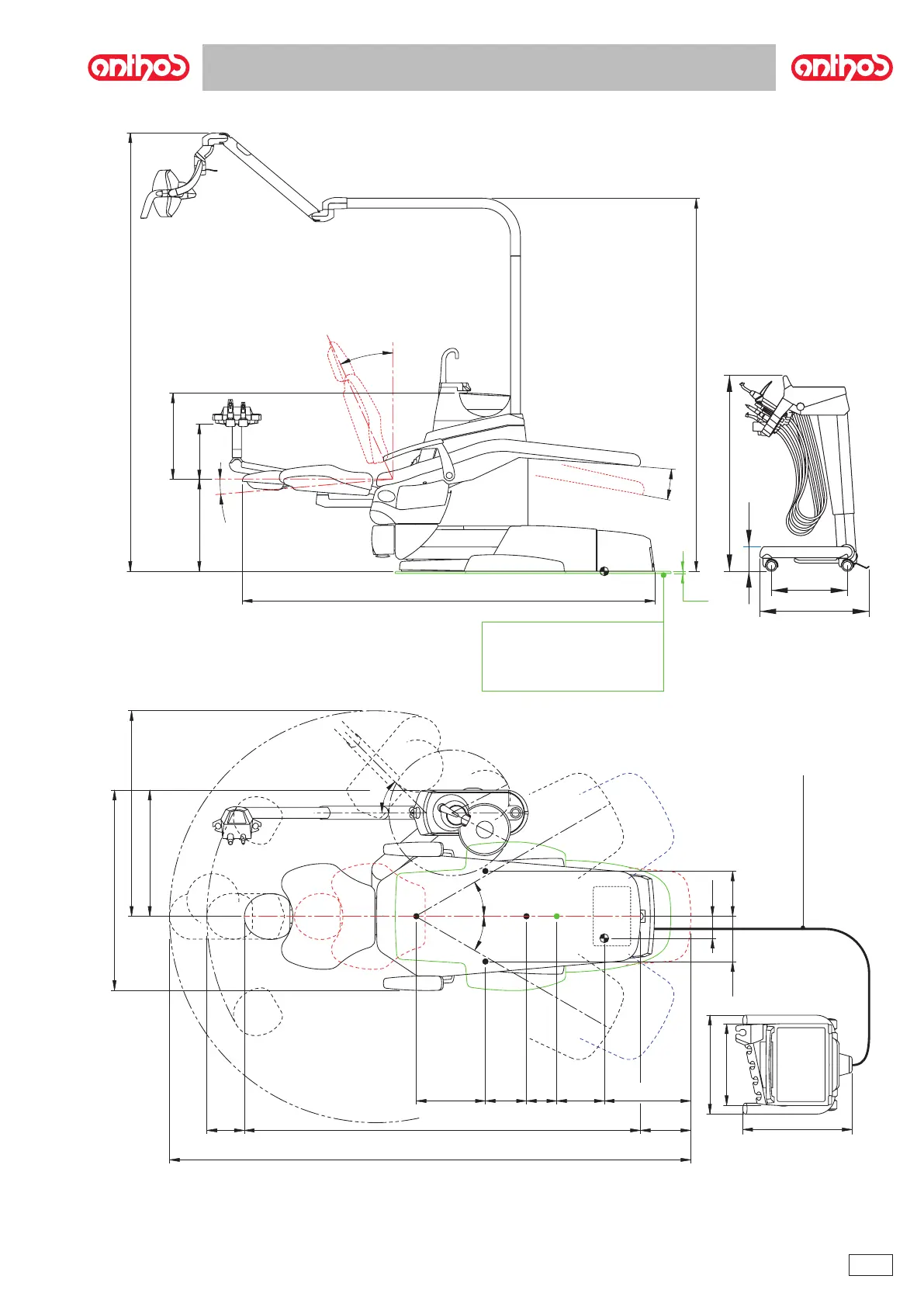
Anthos SMART TOUCH R7 - Overall Dimensions: R7 CART

Anthos SMART TOUCH R7
90 pages
Print Icon
To Next Page IconTo Next Page
To Next Page IconTo Next Page
To Previous Page IconTo Previous Page
To Previous Page IconTo Previous Page
Loading...
83














 


















83EN
R7
- OPERATING INSTRUCTION
11.3. Overall dimensions: R7 CART

Table of Contents

Related product manuals