EasyManua.ls Logo

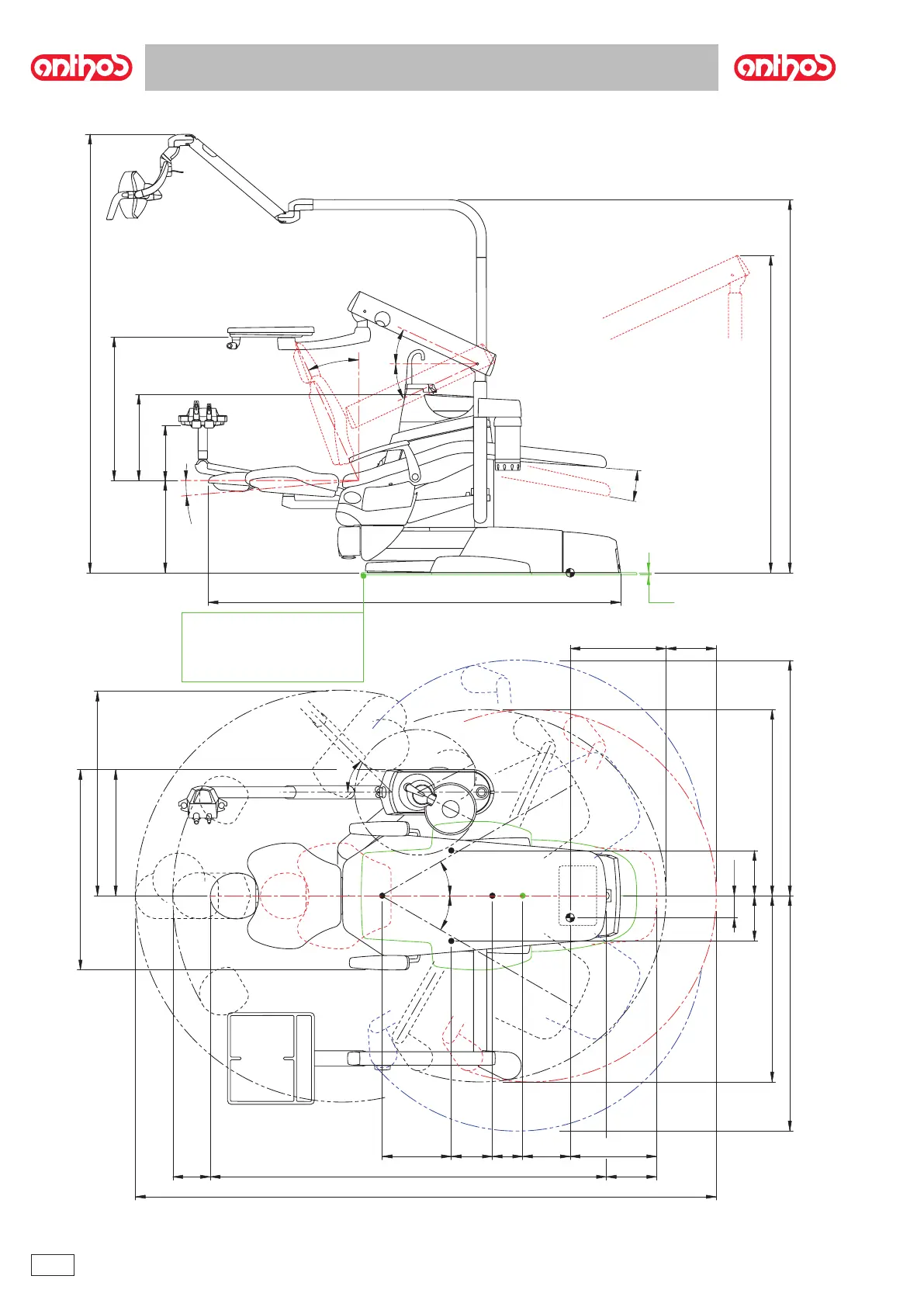
Anthos SMART TOUCH R7 - Overall Dimensions: R7 SINGLE HYDRO GROUP

Anthos SMART TOUCH R7
90 pages
Print Icon
To Next Page IconTo Next Page
To Next Page IconTo Next Page
To Previous Page IconTo Previous Page
To Previous Page IconTo Previous Page
Loading...
88

























 
 



 
88
EN
R7
- OPERATING INSTRUCTION
11.8. Overall dimensions: R7 SINGLE HYDRO GROUP

Table of Contents

Related product manuals