EasyManua.ls Logo

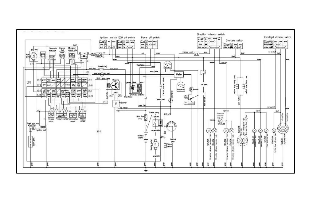
ATX 125 - Electrical System Diagram

ATX 125
61 pages
Print Icon
To Previous Page IconTo Previous Page
To Previous Page IconTo Previous Page
Loading...
57
VIII. Electrical system diagram