EasyManua.ls Logo

AudioArts Engineering D-75 - Schematic

AudioArts Engineering D-75
128 pages
Print Icon
To Next Page IconTo Next Page
To Next Page IconTo Next Page
To Previous Page IconTo Previous Page
To Previous Page IconTo Previous Page
Loading...
page 11 - 29
D-75/Sep 2004
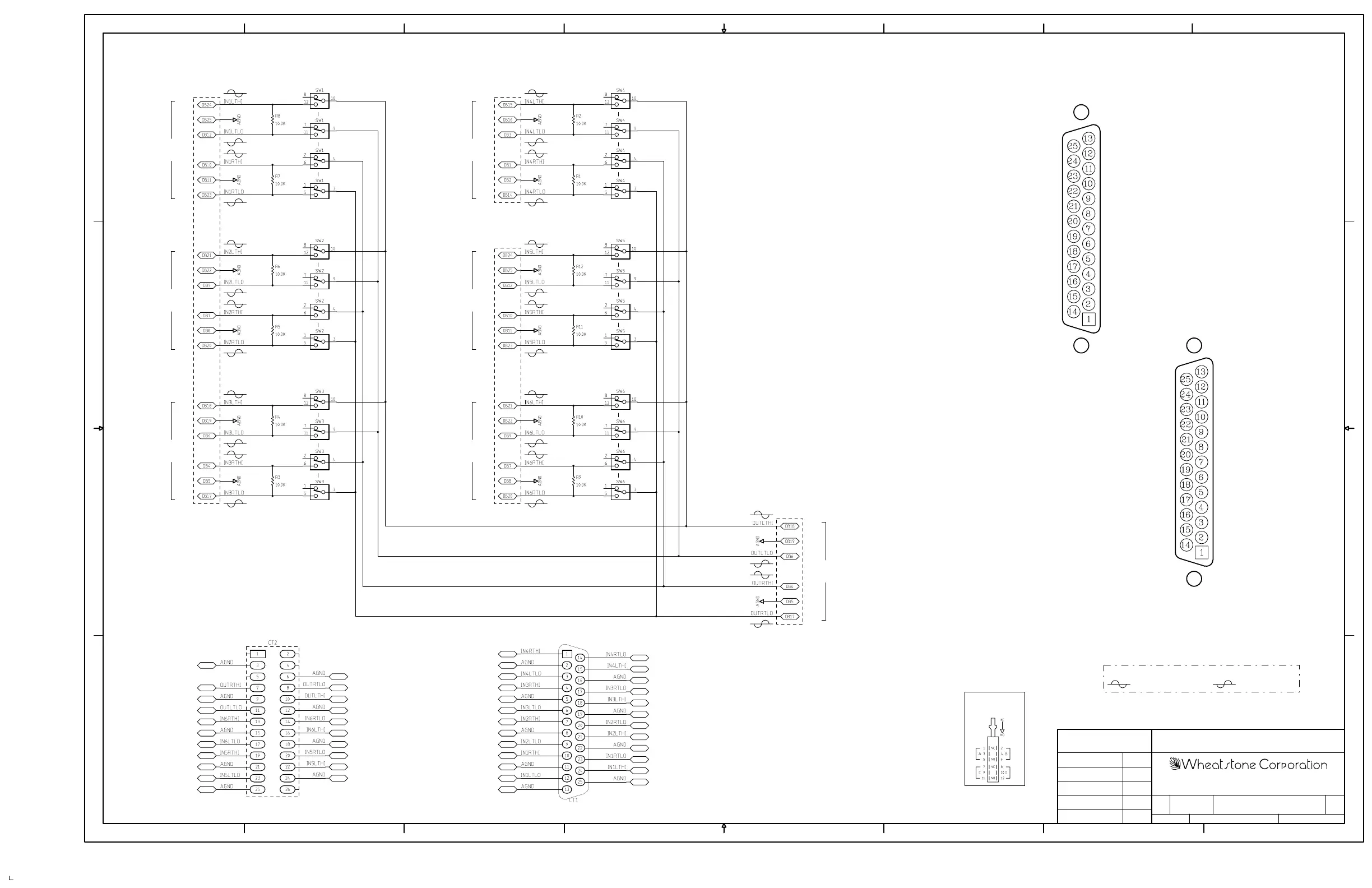
LS-75 Line Select Module Schematic - Sheet 1 of 1
SA
SA
SA
W# 700679
LS-75
6-6-01
LS-2600 PCB
16S0025
1 OF 1
-
A
B
C
DD
C
B
A
87654321
12345678
SIZE FSCM NO. DWG. NO. REV
D
SHEETSCALE
DATEAPPROVALS
CONTRACT NO.
DRAWN
ISSUED
CHECKED
New Bern, NC 28562
600 Industrial Drive
LO
HI
LO
HI
LO
HI
LO
HI
LO
HI
LO
HI
LO
HI
LO
HI
LO
HI
SH
LO
HI
LO
HI
SH
LO
HI
LO
HI
LO
HI
SH
SH
SH
SH
SH
SH
SH
SH
SH
SH
SH
SH
TYPICAL 4 POLE
SWITCH PINOUT
VIEWED FROM ABOVE
(COMPONENT SIDE)
Left
DB-25
Right
DB-25
Right
DB-25
"LINE" RT OUT LO
"LINE" LT OUT SH
"LINE" LT OUT HI
N/C
N/C
"LINE 1" RT IN LO
"LINE 1" LT IN HI
"LINE 1" LT IN SH
"LINE 2" RT IN LO
"LINE 2" LT IN HI
"LINE 2" LT IN SH
"LINE 4" LT IN SH
"LINE 4" LT IN HI
"LINE 4" RT IN LO
"LINE 3" LT IN SH
"LINE 3" LT IN HI
"LINE 3" RT IN LO
N/C
"LINE 6" LT IN SH
"LINE 6" LT IN HI
"LINE 6" RT IN LO
"LINE 5" LT IN SH
"LINE 5" LT IN HI
"LINE 5" RT IN LO
"LINE 4" RT IN HI
"LINE 4" RT IN SH
"LINE 4" LT IN LO
"LINE 2" LT IN LO
"LINE 2" RT IN SH
"LINE 2" RT IN HI
"LINE 1" LT IN LO
"LINE 1" RT IN SH
"LINE 1" RT IN HI
N/C
N/C
N/C
N/C
"LINE" RT OUT SH
"LINE" RT OUT HI
"LINE" LT OUT LO
"LINE 3" RT IN HI
"LINE 3" RT IN SH
"LINE 3" LT IN LO
N/C
"LINE 5" RT IN HI
"LINE 5" RT IN SH
"LINE 5" LT IN LO
"LINE 6" RT IN HI
"LINE 6" RT IN SH
"LINE 6" LT IN LO
LINE
OUT
LINE
6 IN
LINE
5 IN
LINE
1 IN
LINE 4
LINE 5
LINE 6LINE 3
LINE 2
LINE 1
Right DB-25 CONNECTORTo Left DB-25 CONNECTOR
LS-75 Line Selector
DB Connector Pinouts
(Right DB-25)
(Left DB-25)
I/O PORTS
I/O PORTS
OUT OF PHASE
NOTE: PHASE SYMBOLS DENOTE SIGNAL POLARITY
IN PHASE
LINE
2 IN
LINE
3 IN
LINE
4 IN
Left
DB-25

Table of Contents

Related product manuals