EasyManua.ls Logo

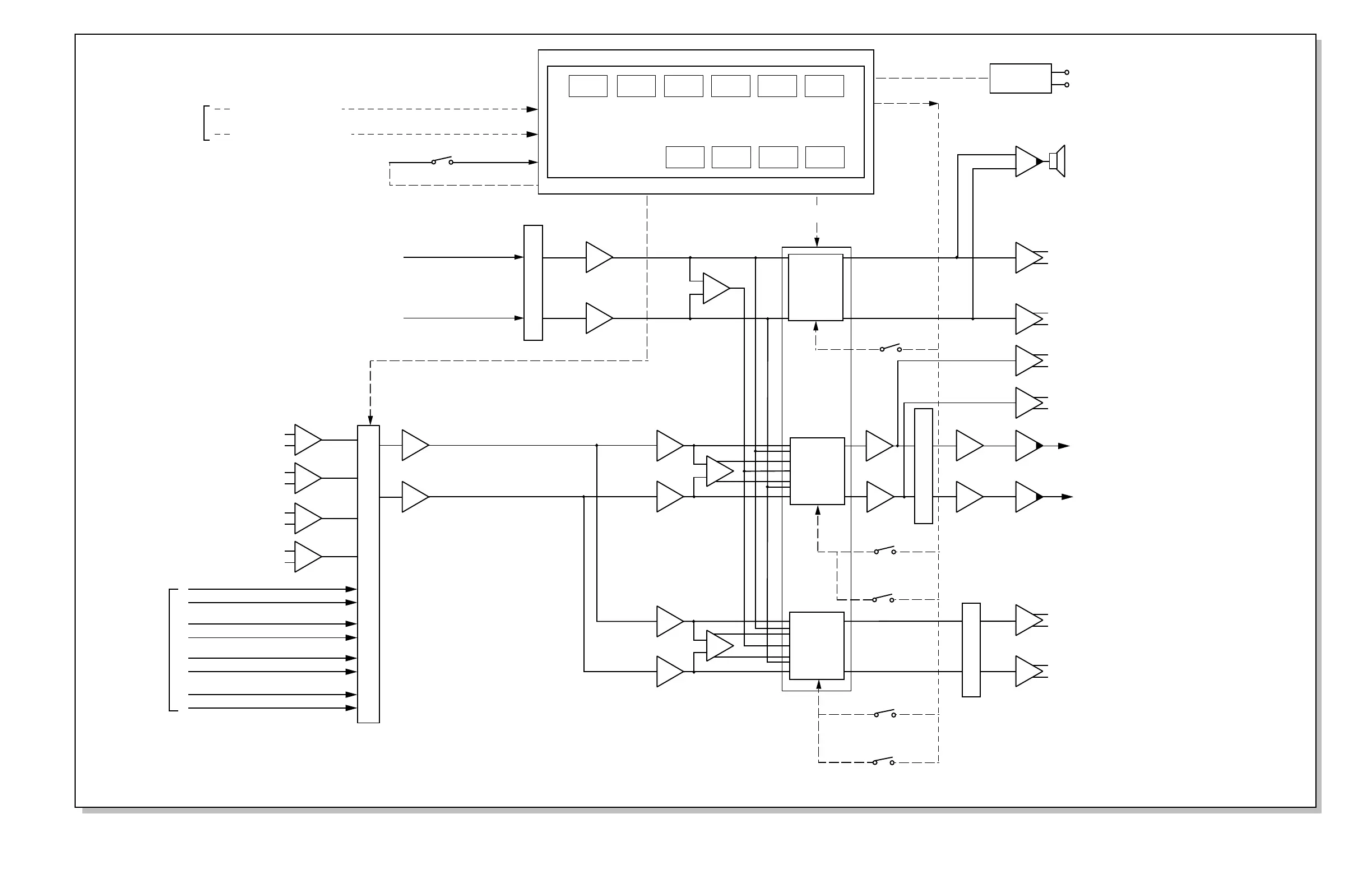
AudioArts Engineering D-75 - Control Room Module Signal Flow

AudioArts Engineering D-75
128 pages
Print Icon
To Next Page IconTo Next Page
To Next Page IconTo Next Page
To Previous Page IconTo Previous Page
To Previous Page IconTo Previous Page
Loading...
CONTROL
ROOM
R R
L
HDPN JACK
CUE OUT
R
L
R
L
HDPN OUT
L
H
L
H
L
R
R
L
CR OUT
L
H
L
H
L
R
L
H
L
H
L
R
R
L
CUE SPKR
R
L
FROM CUE
MONITOR BUS
R
L
R
L
L
E
V
E
L
C
U
E
HDPN
INTERRUPT
FET SW
MONO
CUE
MUTE
FET SW
MONO
H
D
P
N
L
E
V
E
L
L
INTERRUPT/
MUTE
D-75 / Sep 2004
CR-75 Control Room Module - Signal Flow Diagram
CR
INTERRUPT
FET SW
SW1 POS 1
FROM CONSOLE
CONTROL LOGIC
CUE MUTE
ENABLE
CUE TO LT
HDPN
CUE TO RT
HDPN
CUE TO
LT CR
CUE TO
RT CR
FROM CUE LOGIC LOGIC
FROM CR MUTE LOGIC
SW1 POS 3
SW1 POS 2
SW1 POS 4
SW1 POS 5
FRONT PANEL SWITCHES
LOGIC
LOGIC
EXT 1 EXT 2 PGM AUD
AUX UTIL
SOURCE SELECT
AUTO S/S RST HOLD
TIMER
page 5 - 6
R
L
L
H
L
H
L
H
L
H
EXT 1
EXT 2
R
L
R
L
S
O
U
R
C
E
S
E
L
E
C
T
F
E
T
S
W
UTIL
AUX
AUD
PGM
FROM CONSOLE MONITOR BUSSES
MONO
RELAY
LOW VOLTAGE
CONTACTS
L
E
V
E
L
C
R
SW1 POS 6
AIR TALLY FOLLOW PGM DEFEAT

Table of Contents

Related product manuals