EasyManua.ls Logo

AudioArts Engineering D-75 - Output Module Signal Flow

AudioArts Engineering D-75
128 pages
Print Icon
To Next Page IconTo Next Page
To Next Page IconTo Next Page
To Previous Page IconTo Previous Page
To Previous Page IconTo Previous Page
Loading...
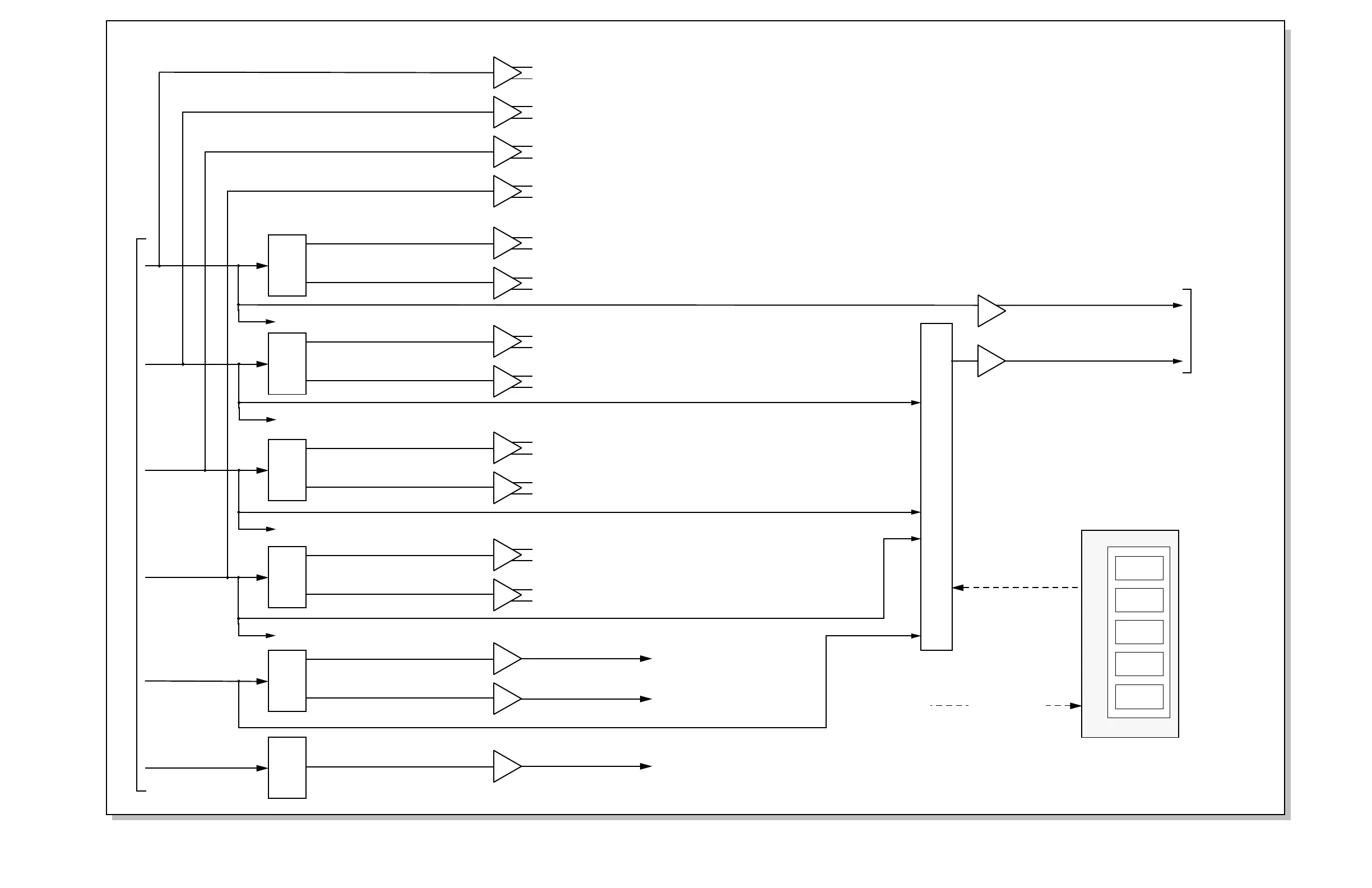
FROM DSP
TO CONSOLE
METERS
D-75 / Sep 2004
OM-75 Output Module - Signal Flow Diagram
TEL MONITOR
TEL MONITOR
L
H
AUD DIG OUT
CUE
L
R
CUE LT
MONITOR
CUE RT
MONITOR
DAC
DAC
SWITCHED DATA
AUDITION
L
R
AUD LT
OUT
L
H
AUD RT
OUT
L
H
DAC
AUXILIARY
L
R
AUX LT
OUT
L
H
AUX RT
OUT
L
H
DAC
UTILITY
L
R
UTIL LT
OUT
L
H
UTIL RT
OUT
L
H
DAC
CUE LOGIC
FROM CONSOLE
CONTROL BUSSES
S
W
I
T
C
H
E
D
V
U
S
E
L
E
C
T
OM-75
FRONT PANEL
SWITCHES
V
U
S
E
L
E
C
T
L
O
G
I
C
EXT2
AUD
AUX
UTIL
page 4 - 7
PROGRAM
L
R
PGM LT
OUT
L
H
PGM RT
OUT
L
H
DAC
PGM DATA
L
H
AUX DIG OUT
L
H
UTIL DIG OUT
L
H
PGM DIG OUT
EXT1
PGM MONITOR
AUD MONITOR
AUX MONITOR
UTIL MONITOR
PGM
AUD
UTIL
AUX
CUE
TEL

Table of Contents

Related product manuals