EasyManua.ls Logo

AudioArts Engineering D-75 - Schematic

AudioArts Engineering D-75
128 pages
Print Icon
To Next Page IconTo Next Page
To Next Page IconTo Next Page
To Previous Page IconTo Previous Page
To Previous Page IconTo Previous Page
Loading...
D-75/Sep 2004
1 OF 1
16S0022
TR-2000 PCB
1-3-01
TR-75
W# 700658
SA
SA
SA
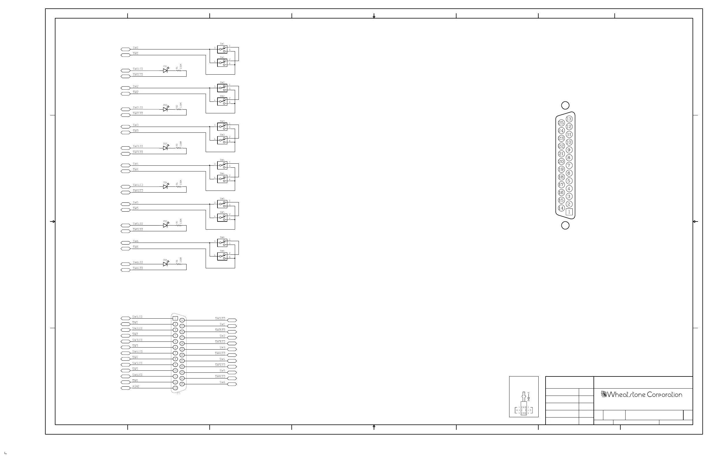
TR-75 Tape Remote Module Schematic - Sheet 1 of 1
page 11 - 31
-
A
B
C
DD
C
B
A
87654321
12345678
SIZE FSCM NO. DWG. NO. REV
D
SHEETSCALE
DATEAPPROVALS
CONTRACT NO.
DRAWN
ISSUED
CHECKED
New Bern, NC 28562
600 Industrial Drive
VIEWED FROM ABOVE
(COMPONENT SIDE)
TYPICAL 2 POLE
SWITCH PINOUT
I/O PORTS
DB Connector Pinouts
TR-75 I/O
SW "1"
SW "2"
SW "4"
SW "3"
SW "5"
SW "6"
SW 6 C.
SW 5 C.
SW 4 C.
SW 3 C.
SW 2 C.
SW 1 C.
SW 6 LED -
SW 5 LED -
SW 3 LED -
SW 4 LED -
SW 2 LED -
SW 1 LED -
SW 1 N.O.
SW 2 N.O.
SW 4 N.O.
SW 3 N.O.
SW 5 N.O.
SW 6 N.O.
SW 6 LED +
SW 5 LED +
SW 3 LED +
SW 4 LED +
SW 2 LED +
AUDIO COMMON
SW 1 LED +

Table of Contents

Related product manuals