EasyManua.ls Logo

AudioArts Engineering D-75 - Studio Control Module Signal Flow

AudioArts Engineering D-75
128 pages
Print Icon
To Next Page IconTo Next Page
To Next Page IconTo Next Page
To Previous Page IconTo Previous Page
To Previous Page IconTo Previous Page
Loading...
STUDIO
L
H
L
H
L
R
R
L
ST OUT
S
T
TB OUT
L
H
R
L
H
L
H
L
H
L
H
EXT 1
EXT 2
R
L
R
L
S
O
U
R
C
E
S
E
L
E
C
T
F
E
T
S
W
UTIL
AUX
AUD
PGM
UTIL
AUX
PGM
AUD
EXT2
EXT1
F
R
O
N
T
P
A
N
E
L
S
W
I
T
C
H
E
S
L
O
G
I
C
FROM CONSOLE MONITOR BUSSES
T
B
TB MONITOR
R
L
TB
SW
INTRPT
FET
SW
D-75/Sep 2004
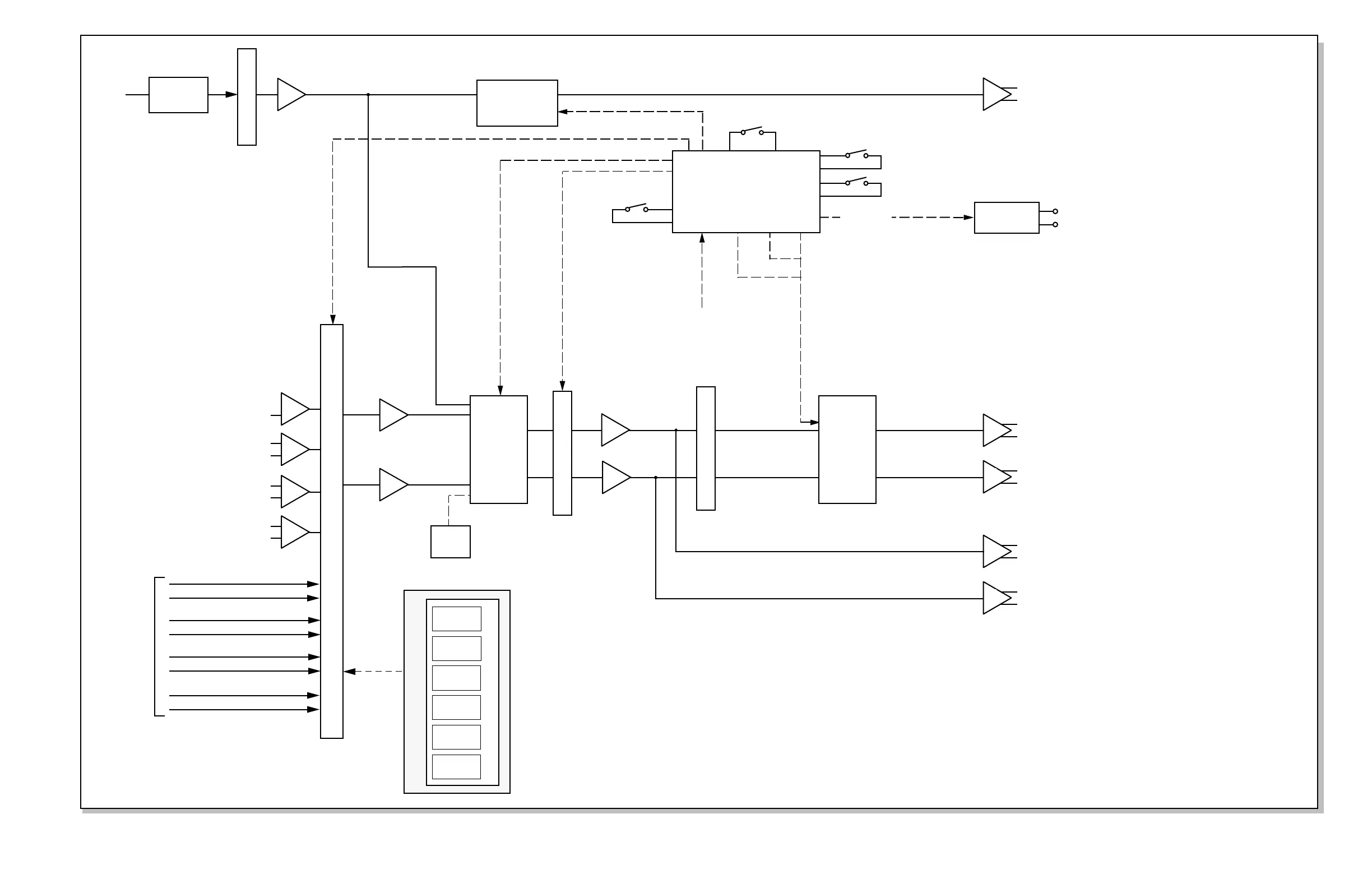
SC-75 Studio Control Module - Signal Flow Diagram
L
E
V
E
L
FROM DSP
L
E
V
E
L
L
TB
MUTE/DIM
FET SW
MUTE
FET
SW
page 6 - 6
RELAY
TALLY 2
LOGIC
ST DIM
SW1 POS 3
M
U
T
E
FROM CONSOLE
CONTROL LOGIC
L
H
L
H
L
R
R
L
ST PRE OUT
TB MUTE
SW1 POS 1
TB DIM
SW1 POS 2
ST PRE MUTE
SW1 POS 4
DAC
LOW VOLTAGE
CONTACTS

Table of Contents

Related product manuals