EasyManua.ls Logo

AudioArts Engineering D-75 - Page 66

AudioArts Engineering D-75
128 pages
Print Icon
To Next Page IconTo Next Page
To Next Page IconTo Next Page
To Previous Page IconTo Previous Page
To Previous Page IconTo Previous Page
Loading...
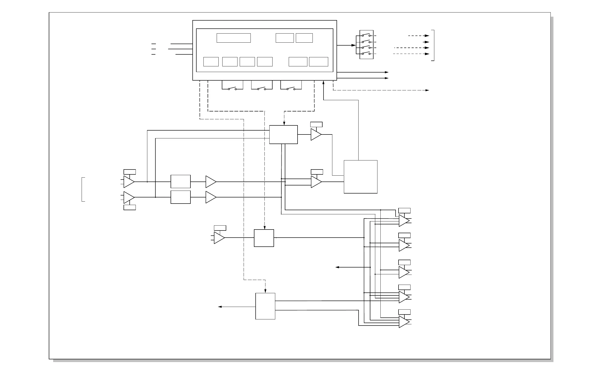
DIPSW 1
TALLY 2
TIMER RESTART
SUPERPHONE INPUT
STOP
START
FRONT PANEL SWITCHES
PGM AUD
AUX UTIL
CUE 1 CUE 2
TO HYBRID 1
LOGIC
TO CONSOLE
CONTROL BUSSES
ON OFF
MXM FEED SET
SUM OF
CALLERS
OUT
COMMON
SP-75 Superphone Module - Signal Flow Diagram
D-75 / Sep 2004
LOGIC
ST MUTE
CR MUTE/ON AIR TALLY
TB MONITOR
TB TO
CALLER
FET
SW
CUE
ASSIGN
FET SW
ANALOG TO
DIGITAL
CONVERTER
(ADC)
DATA
DATA
page 7 - 8
CUE
TEL
TO HYBRID 2
L
H
L
H
COMPOSITE
OUT
L
H
L
H
L
H
MICS
TRIM
TRIM
TRIM
TRIM
TRIM
TRIM
CUE LOGIC
L
H
HYBRID 2 IN
FROM
CALLERS
HYBRID 1 IN
TRIM
FADER
2
L
H
TRIM
FADER
1
DIGITAL AUDIO
TEL MONITOR
TRIM
7
6
5
4
CUE PRE/POST
SW1 POS 2
EXT IN ON
SW1 POS 3
CUE DROPOUT
SW1 POS 1
L
H
TRIM
EXT
ENABLE
FET SW
EXT IN

Table of Contents

Related product manuals