EasyManua.ls Logo

Auta AC-900 - Two Video Accesses. Electronic Call

Auta AC-900
64 pages
Print Icon
To Next Page IconTo Next Page
To Next Page IconTo Next Page
To Previous Page IconTo Previous Page
To Previous Page IconTo Previous Page
Loading...
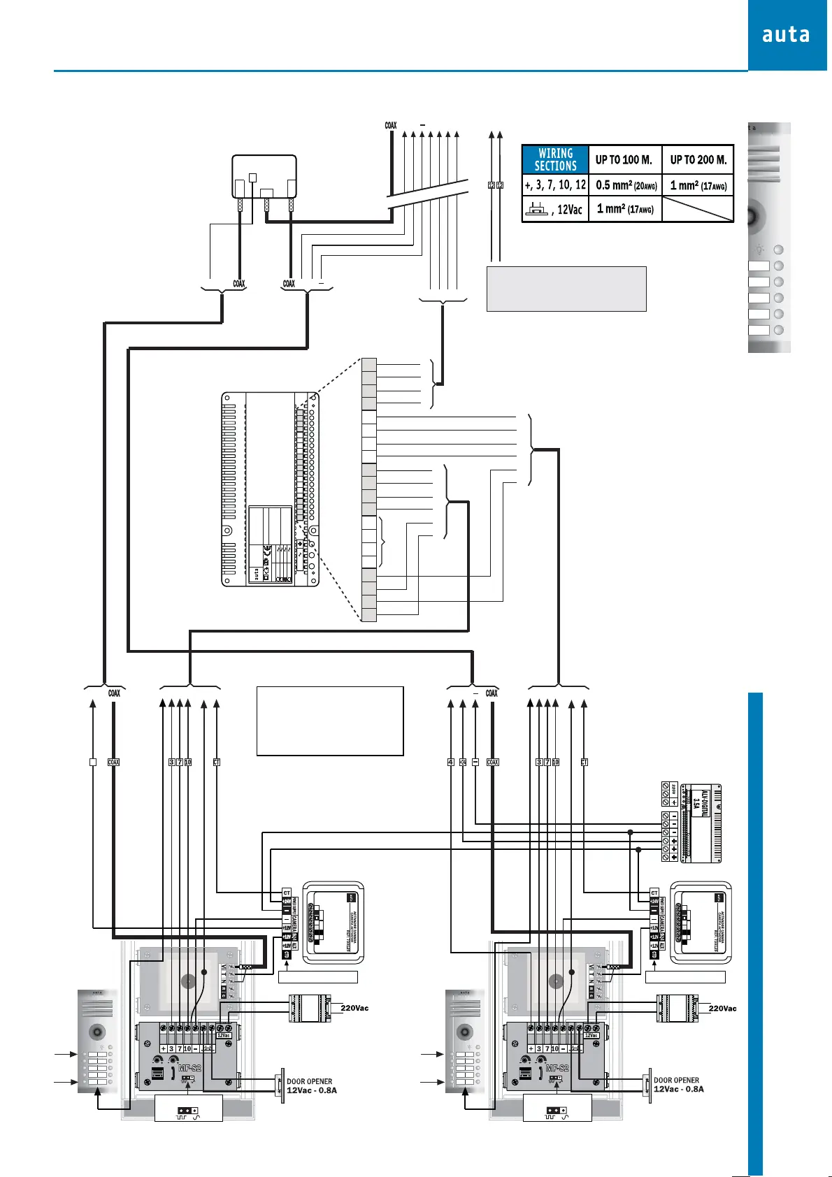
Two video accesses. Electronic call
CA-2C
REF.
PRIM.
110V
125V
220V
240V
MADE IN SPAIN
CONMUTADOR
ELECTRÓNICO.
ELECTRONIC
SWITCH.
FUSIBLE ELECTRÓNICO
Protección int
ección int
erna por
fusible electrónico.
fusible electrónico.
Internal protection by
electronic fuse.
AB
Rs
-
La Lb
A1 A2 A3 A4 B1 B2 B3 B4
S1 S2
S3
S4
220V
10
10
WITHOUT CONNECTION
3
3
7
7
COMMON WIRES
AB
Rs
-
La Lb
A1 A2 A3 A4 B1 B2 B3 B4
S1 S2
S3
S4
Ao Bo
10
3
7
A
10
3
7
1037
Ao Bo
Ao
CT
B
Bo
CT
CT
103 7
AAo
Cg
CT
103 7
BBo
Cg
CT
SV-2
E
E
1
2
S
T
+24
4
+24
4
+24
4
12 12
CT
+12
+12
CT
51
ANALOG
VIDEO DOOR ENTRY SYSTEM
Cg
Cp
Cg
Cp
+12
CONNECTION FOR DECOR MONITORS
CONNECTION FOR DECOR MONITORS
ATF-12
ATF-12
Connect to the terminal
free of the corresponding
push-button.
C/n C/1
JUMPER
JUMPER
C/n
C/1
C/n
C/1
Cp= Common push-buttons
Cg= Call generator
CUT CG WIRE THAT IS LINKED
WITH CP IN FACTORY

Table of Contents

Related product manuals