EasyManua.ls Logo

Balluff MATRIX VISION mvBlueFOX-200wC - Working with Gain and Black-Level Values Per Color Channel

Balluff MATRIX VISION mvBlueFOX-200wC
238 pages
Print Icon
To Next Page IconTo Next Page
To Next Page IconTo Next Page
To Previous Page IconTo Previous Page
To Previous Page IconTo Previous Page
Loading...
122
Figure 16: Corresponding histogram after adapting saturation
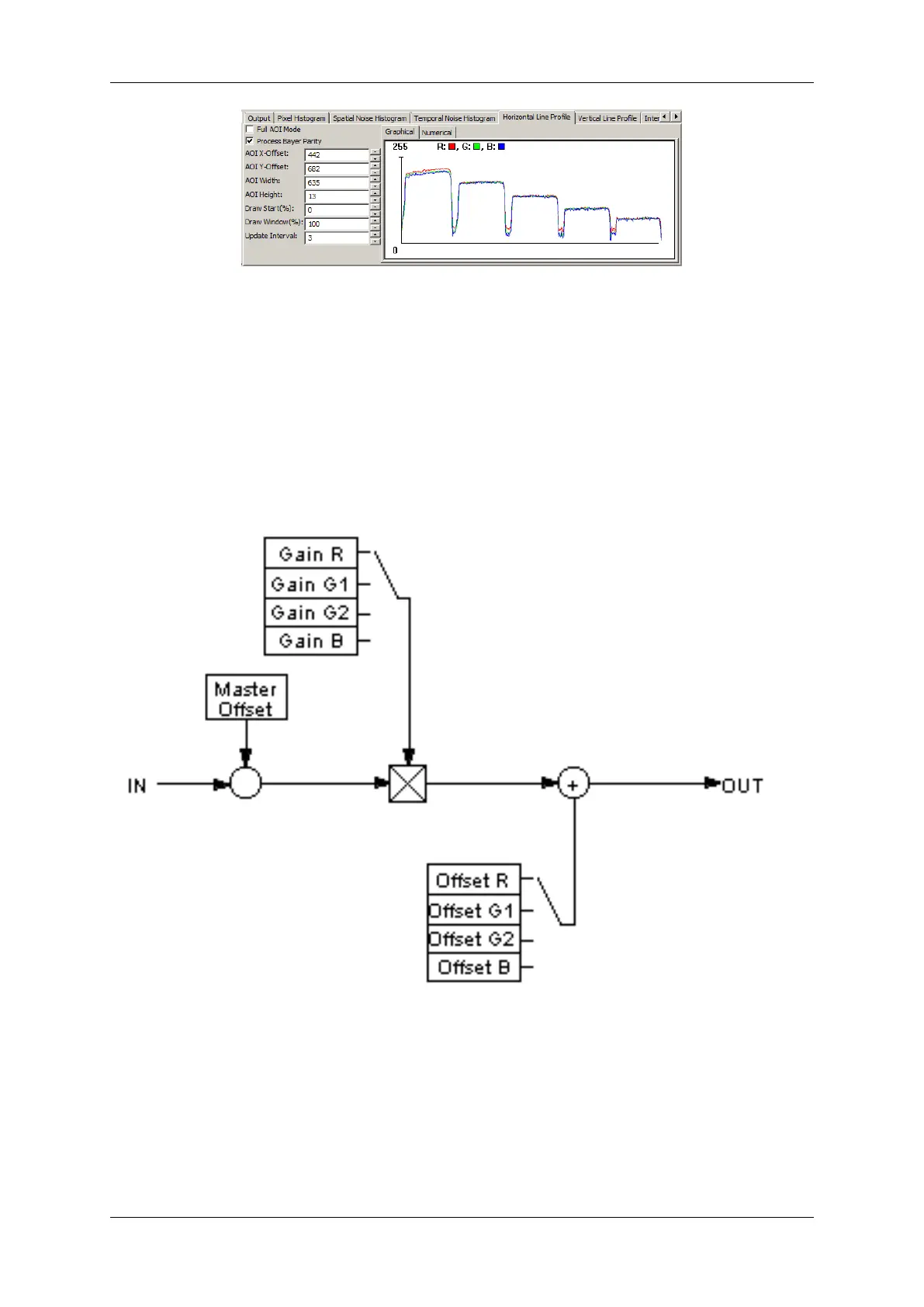
1.18.2.3 Working With Gain And Black-Level Values Per Color Channel
In many low-lighting applications the gain needs to be increased to enhance the brighness of the images. However,
while the image brightness is increased, the black-level of the image is also increased, which in many cases should
be avoided. With the help of the GainOffsetKnee filter it is possible to correct/adjust the overall black-level as well
as the black-level per color channel, even when the gain is applied. Figure 1 shows the working principle of the
GainOffsetKnee filter.
Figure 1: The GainOffsetKnee filter working principle
The GainOffsetKnee filter is one of the image processing methods performed on the host. It allows you to adjust:
The overall offset (i.e. overall black-level) of an image.
The individual gain per color channel.
The individual offset (i.e. individual black-level) per color channel.
MATRIX VISION GmbH

Table of Contents

Related product manuals