EasyManua.ls Logo

Beacon MEGA - Digital Display Module User-Assigned Signals Wiring

Default Icon
52 pages
Print Icon
To Next Page IconTo Next Page
To Next Page IconTo Next Page
To Previous Page IconTo Previous Page
To Previous Page IconTo Previous Page
Loading...
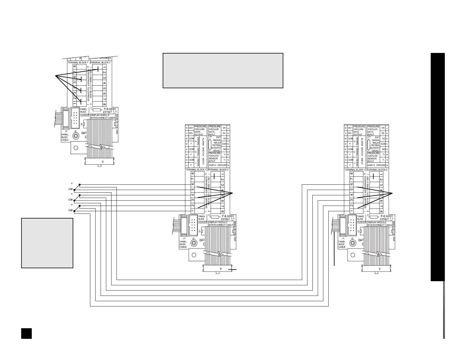
Factory installed
jumper wires
NOTE 1:
Remove only jumper wires from the terminals
that are to have field wiring connected.
Leave all other jumper wires in place.
Schematic 3. Digital Display Module User-Assigned Signals
Ten- w i r e r i b bon
cable to adjacent
module
Digital display module
interconnect board
Supply Status
Signal Switches
SIGNAL 3
SIGNAL 2
SIGNAL 1
NOTE 2:
Dry contact
switches activate
alarms upon
opening (normally
closed)
Digital display module
interconnect board
Wiring terminals accept up
to #14 AWG wire
Twenty-wire
ribbon cable to
digital display
module chassis
Twenty-wire ribbon cable to
digital display module chassis
Ten- w i r e
ribbon cable
to adjacent
module
17
Part No. 6-847681-00 Rev. D02
Wiring Schematic: Digital Display Module User-Assigned Signals
Jumpers wires
removed.
See Note 1.
Jumpers wires
removed.
See Note 1.

Table of Contents