EasyManua.ls Logo

Bell OH-58A - Rubber Repair Plug Assembly

Bell OH-58A
333 pages
Print Icon
To Next Page IconTo Next Page
To Next Page IconTo Next Page
To Previous Page IconTo Previous Page
To Previous Page IconTo Previous Page
Loading...
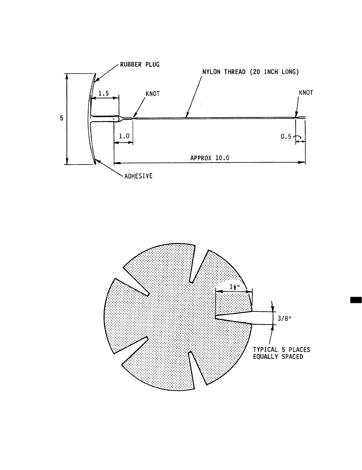
TM 55-1520-228-BD
FUEL SYSTEMS
Figure 12-4.
Rubber Repair Plug Assembly
Figure 12-5.
Plug Modification for Three Plane Repair
12-9/(12-10 Blank)

Table of Contents

Related product manuals